特性
- 2-bit AVID interface
- Intel SVID interface
- Advanced linear digital modulation scheme
- Zero latency synthetic current control for excellent high-frequency current balance
- Auto phase add/drop for excellent load vs efficiency profile
- Excellent DVID performance
- Dual edge modulation for faster transient response
- Flexible phase assignment from 0 to 4 phases per output
- Up to 1MHz operation for high-density designs
- Diode braking for overshoot reduction
- Diode emulation for enhanced light-load efficiency
- Differential remote voltage sensing supports 0.5% closed-loop system accuracy over load, line, and temperature
- Highly accurate current sensing for excellent load line regulation and accurate OCP
- Supports ISL99227 60A smart power stages
- Supports DCR sense with integrated temperature compensation
- Comprehensive fault management enables high-reliability systems
- Pulse-by-pulse phase current limiting
- Total output current protection
- Output and input OV/UV protection
- Open voltage sense detect
- Black box recording capability for faults
- Configurable Catastrophic Failure Protection (CFP) flag output
- Intuitive configuration using PowerNavigator
- SMBus/PMBus V1.3 compatible
- Up to 2MHz bus interface
- NVM to store up to 8 configurations
- Pb-free (RoHS compliant)
描述
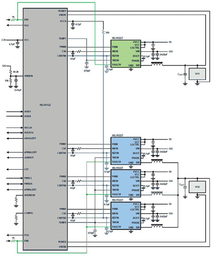
The ISL69122 is a digital dual output, flexible multiphase (X+Y ≤ 4) PWM controller that is compliant with Intel VR13 specifications. The digital multiphase controller can be configured to support any desired phase assignments up to a maximum of four phases across the two outputs (X and Y). For example, 3+1, 2+2, or even single output operation as a 4+0 configuration are supported. With a flexible X+Y ≤ 4 phase assignment along with PMBus and AVID interfaces, the ISL69122 is ideal for controlling the microprocessor core, memory, and system rails of Intel VR13 platforms. The ISL69122 uses the proprietary Renesas digital linear synthetic current modulation scheme to achieve the industry’s best combination of transient response and ease of tuning while addressing the challenges of powering the latest generation of Intel microprocessors. Device configuration and telemetry monitoring are accomplished using the intuitive Renesas PowerNavigator™ software. Diode emulation and automatic phase add/drop features allow the user to extract maximum efficiency from the converter regardless of load conditions. The ISL69122 supports a comprehensive fault management system to enable the design of highly reliable systems. From an overcurrent protection scheme including peak and average detection, to the configurable power-good and catastrophic fault protection flags, any need is accommodated. With minimal external components, the ability to store eight configurations, robust fault management, and highly accurate regulation capability, implementing a high-performance, multiphase regulator has never been easier.
产品参数
| 属性 | 值 |
|---|---|
| Outputs (Max) (#) | 2 |
| Phases (Max) | 4 |
| Input Voltage (Min) (V) | 4.5 |
| Input Voltage (Max) (V) | 25 |
| Output Voltage (Min) (V) | 0 |
| Output Voltage (Max) (V) | 3.05 |
| Output Current (Max) [Rail 1] (A) | 240 |
| Bias Voltage Range (V) | 3.3 - 3.3 |
| Parametric Applications | Core and memory for Intel VR13 based designs, High performance server core and memory rails, High performance graphics rails, Networking, data center, storage, and general purpose |
| Qualification Level | Standard |
| Temp. Range (°C) | -40 to +85°C |
封装选项
| Pkg. Type | Pkg. Dimensions (mm) | Lead Count (#) | Pitch (mm) |
|---|---|---|---|
| TQFN | 5.0 x 5.0 x 0.75 | 40 | 0.4 |
当前筛选条件