跳转到主要内容
瑞萨电子 (Renesas Electronics Corporation)

特性

  • Rail-to-rail single-ended output ADC driver
  • Low input offset: 30μV
  • Input bias current: 0.2nA
  • Excellent CMRR and PSRR: 120dB
  • Wide operating voltage range: ±4V to ±18V
  • Closed loop -3dB BW 0.3MHz (AV = 1k) to 5.5MHz (AV = 0.1)
  • Operating temperature range: -55°C to +125°C
  • Electrically screened to DLA 5962-15246
  • Acceptance tested to 75krad(Si) (LDR) wafer-by-wafer
  • Radiation tolerance
  • Low dose rate (0.01rad(Si)/s): 75krad(Si)
  • SEB LETTH (VS = ±18V): 60MeV•cm2/mg

描述

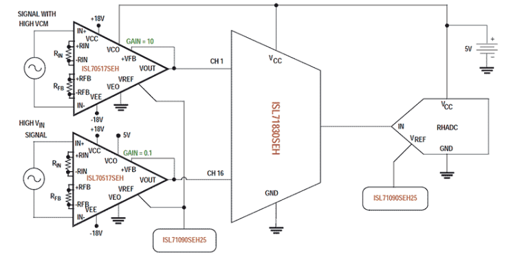
The ISL70517SEH is a high performance, differential input, single-ended output instrumentation amplifier designed for precision analog-to-digital applications. It can operate over a supply range of 8V (±4V) to 36V (±18V) and features a differential input voltage range up to ±30V. The output stage has rail-to-rail output drive capability optimized for ADC driver applications. The output stage is powered by separate supplies. This feature enables the output to be driven by the same low voltage supplies powering the ADC, thereby providing protection from high voltage signals and low voltage digital circuits. Its versatility makes it suitable for a variety of general purpose applications. Additional features not found in other instrumentation amplifiers enable high levels of DC precision and excellent AC performance. The gain of the ISL70517SEH can be programmed from 0. 1 to 10, 000 via two external resistors, RIN and RFB. The gain accuracy is determined by the matching of RIN and RFB. The gain resistors have Kelvin sensing, which removes gain error due to PC trace resistance. The input and output stages have individual power supply pins, which enable input signals riding on a high, common-mode voltage to be level-shifted to a low voltage device, such as an A/D converter. The rail-to-rail output stage can be powered from the same supplies as the ADC, which preserves the ADC maximum input dynamic range and eliminates ADC input overdrive. The ISL70517SEH is offered in a 24 Ld ceramic flatpack package with an operating temperature range of -55°C to +125°C.

产品参数

属性
RatingSpace
Bandwidth (MHz)5.5
IOUT (mA)45
IS per Amp (mA)4.3
Noise VN (nV/√Hz)8.6
OutputSingle-Ended
Offset Voltage (max)300µV
Rail-to-Rail Input/OutputNo
Slew Rate (V/µs)4
Supply Voltage (min) (V)8 - 8
Supply Voltage (max) (V)40 - 40
Temp. Range (°C)-40 to +125°C, -55 to +125°C
TID LDR (krad(Si))75
DSEE (MeV·cm2/mg)60
FlowRH Hermetic
Qualification LevelClass V, EM
Die Sale Availability?Yes
PROTO Availability?Yes

封装选项

Pkg. TypePkg. Dimensions (mm)Lead Count (#)Pitch (mm)
0.0 x 0.0 x 0.00
CFP15.2 x 10.2 x 2.29241.3
DIE

当前筛选条件