特性
- Passes NASA low outgassing specifications
- Production testing and qualification follow the AS6294/1 standard
- Operates from 3V to 5.5V supply
- Programmable power-on reset level
- Current mode control for excellent dynamic response
- Fixed 1MHz switching frequency
- ±1.2% reference voltage
- Thermally enhanced heat-sink plastic package
- Highly efficient: 95% peak efficiency
- Bidirectional SYNC pin allows two devices to be synchronized 180° out-of-phase
- Adjustable output voltage
- Analog soft-start
- Output undervoltage and output overcurrent protection
- Power-good output voltage monitor
- Tin (Sn) free lead finish
- Radiation Acceptance Testing
- ISL71001SLHM: 75krad(Si) at a low dose rate (< 10mrad(Si)/s)
- Single-event effects at LET = 86MeV•cm²/mg
描述
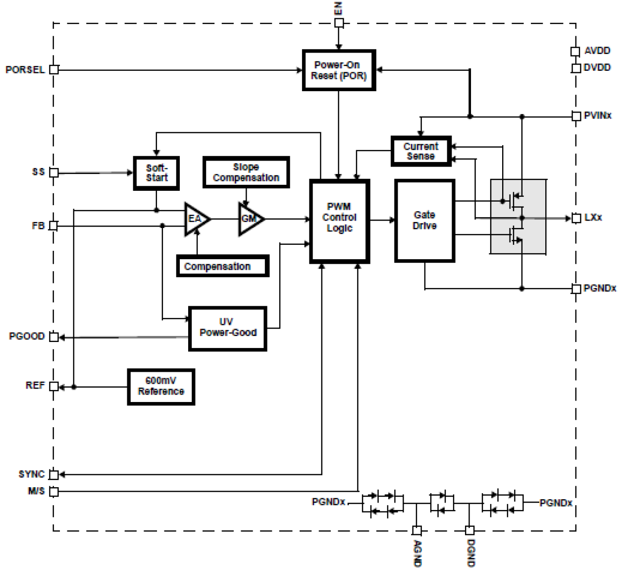
The ISL71001SLHM is a radiation hardened and high efficiency monolithic synchronous buck regulator with integrated MOSFETs. This single-chip power solution operates across an input voltage range of 3V to 5.5V and provides a tightly regulated output voltage that is externally adjustable from 0.8V to ~85% of the input voltage with an output load current capacity of 6A. The ISL71001SLHM is available in a plastic 64 Ld Thin Quad Flatpack (EP-TQFP) package. The ISL71001SLHM uses peak current-mode control for excellent output load transient response and features integrated compensation and switches at a fixed frequency of 1MHz to reduce component size and count. In applications where two regulators are needed, two ISL71001SLHM devices can be synchronized 180° out-of-phase to reduce the overall input RMS ripple current. The internal synchronous power switches are optimized for high efficiency and good thermal performance. The ISL71001SLHM incorporates fault protection for the regulator. The protection circuits include input undervoltage, output undervoltage, and output overcurrent. High integration makes the ISL71001SLHM an ideal choice to power many of today’s small form factor applications. Two devices can be synchronized to provide a complete power solution for large scale digital ICs, like Field Programmable Gate Arrays (FPGAs), that require separate core and I/O voltages.
产品参数
| 属性 | 值 |
|---|---|
| Rating | Space |
| Control Mode | Peak Current Mode |
| IOUT Rail 1 (max) (A) | 6 |
| No-Load Operating Current | 40 mA |
| Outputs (#) | 1 |
| Quiescent Current | 2mA |
| Supply Voltage Rail 1 (min) (V) | 3 |
| Supply Voltage Rail 1 (max) (V) | 5.5 |
| Switching Frequency (min) (kHz) | 1000 |
| Switching Frequency (max) (kHz) | 1000 |
| VOUT Rail 1 (min) (V) | 0.6 |
| VOUT Rail 1 (max) (V) | 4.675 |
| Temp. Range (°C) | -40 to +85°C |
| TID LDR (krad(Si)) | 75 |
| DSEE (MeV·cm2/mg) | 86 |
| Flow | RH Plastic |
| Qualification Level | PEMS |
| Die Sale Availability? | No |
| PROTO Availability? | No |
封装选项
| Pkg. Type | Pkg. Dimensions (mm) | Lead Count (#) | Pitch (mm) |
|---|---|---|---|
| TQFP-EP | 10.0 x 10.0 x 1.00 | 64 | 0.5 |
应用
- FPGA, CPLD, DSP, CPU Core, or I/O voltages
- Low-voltage, high-density distributed power systems
- Medium Earth Orbit (MEO) applications
- Geostationary Earth Orbit (GEO) applications
- Launch Vehicles and High Altitude Avionics
当前筛选条件