特性
- ESD protection on all pins: 5kV HBM
- Bus pin fault protection to ±20V
- Cold spare: powered down devices/nodes will not affect active devices operating in parallel
- Three selectable driver rise and fall times
- Full fail-safe (open, short, terminated/undriven) receiver
- Quiescent supply current: 7mA (max), Listen mode supply current: 2mA (max)
- Tin (Sn) free lead finish with Ni/Pd/Au-Ag lead finish
- Passes NASA Low Outgassing Specifications
- TID Radiation Lot Acceptance Testing (LDR: <0.01rad(Si)/s)
- ISL71026M30RTZ: 30krad(Si)
- ISL71026M50RTZ: 50krad(Si)
- SEE Characterization
- No DSEE for VCC = 5.5V, CANL = ±20V and CANH = ±20V at 43MeV•cm2/mg
- SET < 370µm2 with fast slew rate of LET = 43MeV•cm2/mg
- SET < 14,370µm2 with medium slew rate of LET = 43MeV•cm2/mg
描述
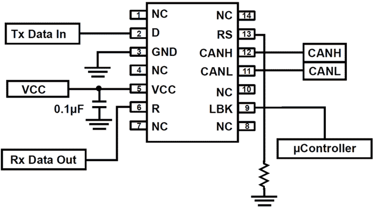
The ISL71026M is a radiation tolerant 3.3V CAN transceiver that is compatible with the ISO 11898-2 standard for applications calling for Controller Area Network (CAN) serial communication in satellites, and aerospace communications and telemetry data processing in harsh industrial environments. The transceiver can transmit and receive at bus speeds of up to 1Mbps. The device is designed to operate across a common-mode range of -7V to +12V with a maximum of 120 nodes. The device has three discrete selectable driver rise/fall time options, a listen mode feature, and loopback test capability. The ISL71026M is available in a plastic 14 Ld TSSOP package. It operates across the temperature range of -55 °C to +125 °C. The logic inputs are tolerant with 5V systems.
产品参数
| 属性 | 值 |
|---|---|
| Rating | Space |
| Common Mode Input Range (V) | -7 - 12 |
| Listen Mode | Yes |
| Loopback Feature | Yes |
| Shutdown Mode | No |
| Supply Voltage (min) (V) | 3 - 3 |
| Supply Voltage (max) (V) | 3.6 - 3.6 |
| VREF Output | No |
| Temp. Range (°C) | -55 to +125°C |
| TID LDR (krad(Si)) | 30, 50 |
| DSEE (MeV·cm2/mg) | 43 |
| Flow | RT Plastic |
| Qualification Level | Radiation Tolerant Plastic |
| Die Sale Availability? | No |
| PROTO Availability? | No |
封装选项
| Pkg. Type | Pkg. Dimensions (mm) | Lead Count (#) | Pitch (mm) |
|---|---|---|---|
| TSSOP | 5.0 x 4.4 x 0.90 | 14 | 0.7 |
当前筛选条件