特性
- Barrier Voltage Endurance
- 2.5kVRMS, for 1 minute, 600VRMS continuous (VDE V 0884-10 certified: file 5022321-4880-0001)
- 1.5kVDC continuous
- 500VDC at 86MeV•cm2/mg SEDR
- UL 1577 recognized: file reference E483309
- Up to 100Mbps data rate
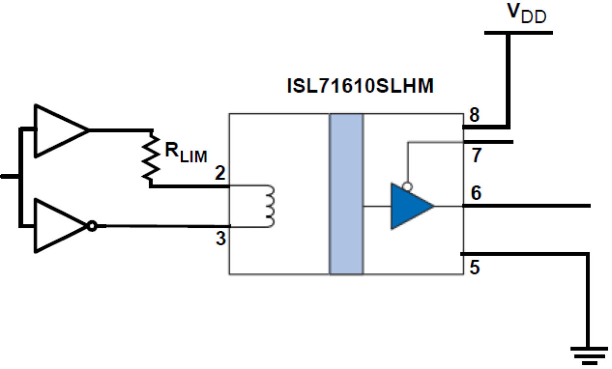
- Flexible inputs with very wide input voltage range (resistor limited current through coil)
- Bipolar current input failsafe output
- No carrier or clock for low EMI emissions and susceptibility
- 3V to 5.5V signaling operation
- Passes NASA low outgassing specifications
- NiPdAu-Ag leadframes (Pb-free, Sn-free)
- Full military temperature range operation
- TA = -55°C to +125°C
- TJ = -55°C to +150°C
- Radiation characterization
- Low Lose Rate (LDR) (0.01rad(Si)/s): 75krad(Si)
- SEE Characterization
- No SEB/SEL LET, VDD = 6.5V: 86MeV•cm2/mg
描述
The ISL71610SLHM is a passive-input digital signal isolator with a CMOS output. It has a similar interface but better performance and higher package density than other optocouplers. The ISL71610SLHM is manufactured with Giant Magnetoresistive (GMR) technology for small size, high speed, and low power. A ceramic/polymer composite barrier provides excellent isolation and an unlimited barrier life. A series external resistor sets the input coil current and a capacitor in parallel with the current-limiting resistor provides improved dynamic performance. This versatile component can be used to replace a variety of optocouplers, functioning over a wide range of data rates, edge speeds, and power supply levels. The device output is compatible with 3.3V and 5V supplies, allowing an interface to controllers without additional level shifting. With the coil energized with a minimum of ±8mA (bidirectional current) the ISL71610SLHM is suitable for single ended and differential drive applications. The ISL71610SLHM is offered in an 8 Ld 5mm x 4mm SOIC package and is fully specified across the military ambient temperature range of -55°C to +125°C.
产品参数
| 属性 | 值 |
|---|---|
| Rating | Space |
| Data Rate (Mbps) | 100 |
| Isolation Voltage (min) (kVRMS) | 2.5 |
| Output Format | CMOS |
| Propagation Delay | 8 |
| Supply Voltage (min) (V) | 3.3 - 3.3 |
| Supply Voltage (max) (V) | 5 - 5 |
| Temp. Range (°C) | -40 to +125°C |
| TID LDR (krad(Si)) | 75 |
| DSEE (MeV·cm2/mg) | 43 |
| Flow | RH Plastic |
| Qualification Level | PEMS (RH Plastic) |
| Die Sale Availability? | No |
| PROTO Availability? | No |
封装选项
| Pkg. Type | Pkg. Dimensions (mm) | Lead Count (#) | Pitch (mm) |
|---|---|---|---|
| SOICN | 4.9 x 3.9 x 1.45 | 8 | 1.3 |
应用
- Isolated power
- CAN bus/device net
- Differential line receiver
- Optocoupler replacement
- SPI interface
- RS-485, RS-422, or RS-232
当前筛选条件