跳转到主要内容

特性

  • Electrically screened to SMD 5962-15228
  • ESD protection on all pins: 4kV HBM
  • Compatible with ISO 11898-2
  • Operating supply range: 3.0V to 3.6V
  • Bus pin fault protection to ±20V
  • Undervoltage lockout
  • Cold spare: powered down devices/nodes will not affect active devices operating in parallel
  • Three selectable driver rise and fall times
  • Glitch free bus I/O during power-up and power-down
  • Full fail-safe (open, short, terminated/undriven) receiver
  • Hi-Z input allows for 120 nodes on the bus
  • High data rates: up to 5Mbps
  • Quiescent supply current: 7mA (max)
  • Listen mode supply current: 2mA (max)
  • -7V to +12V common mode input voltage range
  • 5V tolerant logic inputs
  • Thermal shutdown
  • Acceptance tested to 75krad(Si) (LDR) wafer-by-wafer
  • Radiation tolerance
  • SEL/B immune to LET 60MeV•cm2/mg
  • Low dose rate (0.01rad(Si)/s): 75krad(Si)

描述

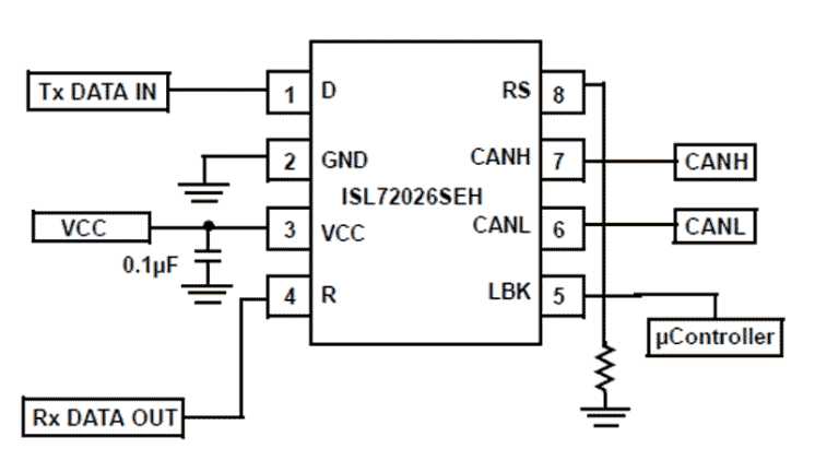
The ISL72026SEH is a radiation tolerant 3.3V CAN transceiver that is compatible with the ISO 11898-2 standard for applications calling for Controller Area Network (CAN) serial communication in satellites and aerospace communications and telemetry data processing in harsh industrial environments. The transceiver can transmit and receive at bus speeds up to 5Mbps. It can drive a 40m cable at 1Mbps per the ISO 11898-2 specification. The device is designed to operate over a common-mode range of -7V to +12V with a maximum of 120 nodes. The device has three discrete selectable driver rise/fall time options, a listen mode feature, and loopback test capability. Receiver (Rx) inputs feature a “full fail-safe” design, which ensures a logic-high Rx output if the Rx inputs are floating, shorted, or terminated but undriven. The ISL72026SEH is available in an 8 Ld hermetic ceramic flatpack and die form that operate across the temperature range of -55 °C to +125 °C. The logic inputs are tolerant with 5V systems. Other CAN transceivers available are the ISL72027SEH and ISL72028SEH.

产品参数

属性
Rating Space
Common Mode Input Range (V) -7 - 12
Listen Mode Yes
Loopback Feature Yes
Shutdown Mode No
Supply Voltage (min) (V) 3 - 3
Supply Voltage (max) (V) 3.6 - 3.6
VREF Output No
Temp. Range (°C) -40 to +125°C, -55 to +125°C
TID LDR (krad(Si)) 75
DSEE (MeV·cm2/mg) 60
Flow RH Hermetic
Qualification Level Class V, EM
Die Sale Availability? Yes
PROTO Availability? Yes

封装选项

Pkg. Type Pkg. Dimensions (mm) Lead Count (#) Pitch (mm)
CFP 6.5 x 6.5 x 0.00 8 1.3
DIE

应用

  • Satellites and aerospace communications
  • Telemetry data processing
  • High-end industrial environments
  • Harsh environments

当前筛选条件

Introducing Renesas' first radiation tolerant 3.3V controller area network (CAN) transceivers that are fully QML-V qualified and compliant with the ISO11898-2 physical layer standard. Find out the benefits of using the full CAN bus protocol over previously used interface protocols.

The radiation tolerant 3.3V CAN Bus transceiver includes the ISL72026SEH, ISL72027SEH, and ISL72028SEH.

Transcript

Hello, my name is Josh Broline, the Mil and Aero Marketing Manager for Intersil Corporation. I am excited to introduce to you Intersil's first radiation tolerant 3.3V CAN Bus transceiver family, ISL72026SEH, ISL72027SEH, and the ISL72028SEH.

There have been a few mainstay communication protocols that have been used for years in typical satellite designs such as RS-422 and MIL-STD-1553. These have been very robust and reliable communication protocols for some time, so they were used over and over again.

However, these protocols have their limitations. RS-422 and MIL-STD-1553 have a limit on how many nodes can be on one Bus, do not have the same ease of use when it comes to data prioritization, it can consume much more power. The RS-422 and MIL-STD-155 protocols are often used in point-to-point communication designs, which greatly increase the amount of cables that are required versus CAN Bus protocol. With the introduction of a true CAN Bus transceiver, the total solution will be complete.

System engineers are excited to start flying a true CAN Bus transceiver for several reasons. Just to name a few, using the Intersil CAN Bus transceiver, power consumption will be reduced, the solution footprint will be reduced, true cold spare capability for redundant applications will be possible, and a radiation single event effects tolerant solution will be available.

The Intersil devices are compatible to the ISO11898-2 specification, in our guaranteed wafer-by-wafer to 75krad with a low dose ray exposure of 10mrad/s. Up to 120 nodes or transceivers can be connected to a single CAN Bus to reduce cabling, weight, power cost, also known as swap.

The devices operate off of a 3.3V bias voltage, but have a bus fault protection up to ±18V, even under a heavy ion environment, but particle energies up to 60MeV. Also, the transceivers can operate up to speeds of 1MB/s, which is in line with the ISO standard.

We offer three different products in this family. The ISL72026SEH has a loop back feature which provides a node diagnostic mode. The ISL72027SEH offers a split mode feature which helps improve EMI and EMC. The ISL72028SEH has a low power shutdown mode. We offer a complete set up supporting tool such as evaluation boards, data sheets, SEE, radiation report, SPICE, and IBIS models.

Thank you for watching.