跳转到主要内容

特性

  • Electrically screened to DLA SMD 5962-18221
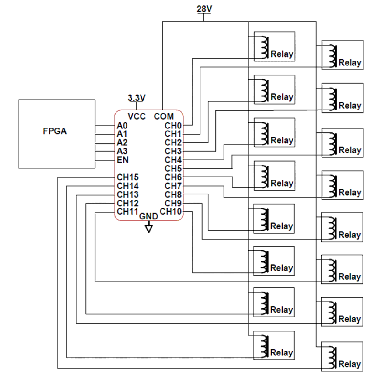
  • Integrated 4-bit to 16-channel decoder
  • High current outputs: 700mA
  • High voltage outputs: 42V
  • Ultra-low saturation voltage: 1.35V maximum at 500mA
  • Internal clamping diodes for inductive loads
  • Wide operating VCC supply range 3V to 13.2V
  • Full military temperature range operation
    • TA = -55 °C to +125 °C
    • TJ = -55 °C to +150 °C
  • Radiation acceptance testing - ISL72814SEH
    • HDR (50-300rad(Si)/s): 100krad(Si)
    • LDR (0.01rad(Si)/s): 75krad(Si)
  • Radiation acceptance testing - ISL73814SEH - LDR (0.01rad(Si)/s): 75krad(Si)
  • SEE hardness (see SEE report for details) - No SEB/SEL LETTH, VCH = 34V: 86MeV•cm2/mg

描述

The ISL72814SEH and ISL73814SEH are radiation hardened high-voltage, high-current, driver circuit ICs fabricated using the Renesas proprietary PR40 Silicon-on-Insulator (SOI) process technology to mitigate single-event effects. The devices integrate 16 driver channels that feature a high-voltage (42V), high-current (700mA) open-emitter PNP output stage. To further reduce solution size, the ISL72814SEH and ISL73814SEH integrate a 4-bit, 16-channel decoder with Enable. This conveniently allows you to select 1 of 16 available driver channels or disable all channels. The inputs to the decoder are TTL and CMOS compatible, allowing an easy interface to FPGAs and microprocessors. The ISL7x814SEH devices operate across the military temperature range from -55 °C to +125 °C and are available in a 28 lead hermetically sealed Ceramic Dual Flatpack (CDFP) package or die.

产品参数

属性
Rating Space
Input Voltage (Min) (V) 0
Input Voltage (Max) (V) 42
Integrated Decoder? Yes
Outputs (#) 16
Output Source Current (max) (mA) 700
Saturation Voltage (max) (V) 1.5
Supply Voltage (min) (V) 0 - 0
Supply Voltage (max) (V) 14.7 - 14.7
Temp. Range (°C) -55 to +125°C
TID HDR (krad(Si)) 100
TID LDR (krad(Si)) 75
DSEE (MeV·cm2/mg) 86
Flow RH Hermetic
Qualification Level Class V, EM
Die Sale Availability? Yes
PROTO Availability? Yes

封装选项

Pkg. Type Pkg. Dimensions (mm) Lead Count (#) Pitch (mm)
CFP 18.3 x 12.7 x 0.00 28 1.3
DIE

当前筛选条件