跳转到主要内容

特性

  • 2.7V to 5.5V input voltage range
  • 2MHz default switching frequency
  • 100ns guaranteed phase minimum on time for wide output regulation
  • Adjustable switching frequency from 500kHz to 4MHz
  • External synchronization from 1MHz to 4MHz
  • Optional PFM mode for light-load efficiency improvement
  • Very low ON-resistance HS/LS switches: 35mΩ/11mΩ
  • Internal 1ms or adjustable external soft-start
  • Soft-stop output discharge during disable
  • OTP, OCP, output OVP, and input UVLO protections
  • 1% reference accuracy over-temperature
  • Up to 95% efficiency
  • AEC-Q100 qualified
  • ISL78233 pinout family allows migration from 3A without PCB change
  • ISL78234 pinout family allows migration from 4A without PCB change
  • ISL78235 pinout family allows migration from 5A without PCB change

描述

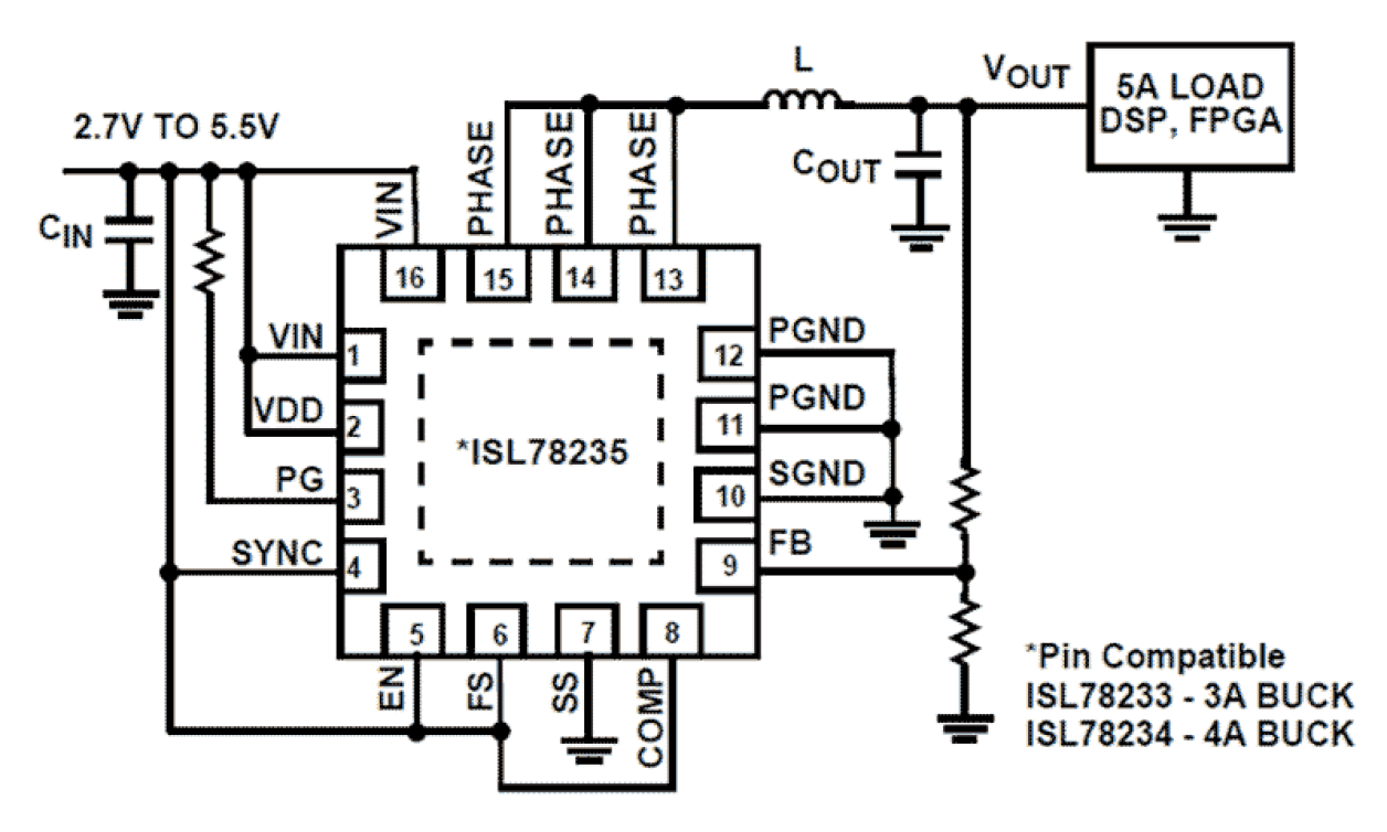
The ISL78235 is a highly efficient, monolithic, synchronous step-down DC/DC converter that can deliver 5A of continuous output current from a 2. 7V to 5. 5V input supply. The device uses peak current mode control architecture to achieve very low duty cycle operation at high frequency with fast transient response and excellent loop stability. The ISL78235 integrates a low ON-resistance P-channel (35mΩ, typical) high-side FET and N-channel (11mΩ, typical) low-side FET to maximize efficiency and minimize external component count. The 100% duty cycle operation allows less than 250mV dropout voltage at 5A output current. The operating frequency of the Pulse-Width Modulator (PWM) is adjustable from 500kHz to 4MHz. The default switching frequency of 2MHz is set by connecting the FS pin high. The ISL78235 can be configured for discontinuous (PFM) or forced continuous (PWM) operation at light load. Forced continuous operation reduces noise and RF interference; discontinuous mode provides higher efficiency by reducing switching losses at light loads. Fault protection is provided by internal hiccup mode current limiting during short-circuit and overcurrent conditions. The device also integrates output overvoltage and over-temperature protections. A power-good monitor indicates when the output is in regulation. The ISL78235 features a 1ms Power-Good (PG) timer at power-up. When in shutdown, the ISL78235 discharges the output capacitor through an internal 100Ω soft-stop switch. Other features include internal fixed or adjustable soft-start and internal/external compensation. The ISL78235 is available in a 3mm x 3mm 16 Ld Thin Quad Flat No-lead (TQFN) Pb-free package and in a 5mm x 5mm 16 Ld Wettable Flank Quad Flat No-Lead (WFQFN) package with an exposed pad for improved thermal performance. The ISL78235 is rated to operate across the temperature range of -40°C to +105°C in the 3mmx3mm package and -40°C to +125°C in the 5mmx5mm package.

产品参数

属性
Topology [Rail 1] Buck
Outputs (#) 1
Input Voltage (Min) [Rail 1] (V) 2.7
Input Voltage (Max) [Rail 1] (V) 5.5 - 5.5
Output Voltage (Min) [Rail 1] (V) 0.6
Output Voltage (Max) [Rail 1] (V) 5.5
Output Current (Max) [Rail 1] (A) 5
Switching Frequency Range (Typical) (kHz) 500 - 4000
Control Type Current Mode
Peak Efficiency (%) 95
IQ [Rail 1] (µA) 47
SYNCH Capability Yes
Qualification Level Automotive
Temp. Range (°C) -40 to +105°C, -40 to +125°C
Simulation Model Available iSim

封装选项

Pkg. Type Pkg. Dimensions (mm) Lead Count (#) Pitch (mm)
TQFN 3.0 x 3.0 x 0.75 16 0.5
WFQFN 5.0 x 5.0 x 0.85 16 0.8

应用方框图

Power Sequencer & I/O Expander for Printers (PPC/MFP) Block Diagram
打印机电源排序器和 I/O 扩展器(PPC 或 MFP)
基于 MCU 的电源定序器和 I/O 扩展器,适用于高性能 PPC 或 MFP 打印机。
Vehicle Computer for Future E/E Architecture Block Diagram
未来 E/E 架构的车载电脑
下一代车载计算机系统,用于具有高计算能力的高级 E/E 架构。

当前筛选条件

Introducing the ISL78233, ISL78234, and ISL78235 Renesas' automotive grade synchronous buck regulators for point-of-load applications.

Transcript

ISL78233/ISL78234/ISL78235
Automotive Compact Synchronous Buck Regulators 3A/4A/5A

I would like to introduce the ISL78233, ISL78234 and ISL78235, Intersil’s automotive grade synchronous buck regulators for point-of-load applications.

The ISL78233, ISL78234 and ISL78235 are automotive grade 3A, 4A and 5A synchronous buck regulators. This regulator family offers two package options, a 3mm x 3mm TQFN for the most space conscious applications and a 5mm x 5mm wettable flank (WFQFN). The larger 5mm x 5mm WFQFN is for automotive applications that require a package that allows for optical lead inspection. Within each of the package options, the 3A, 4A and 5A options are pin and footprint compatible, meaning no PCB layout changes are needed to migrate a design from 3A up to 5A.

The operating voltage range for the family is 2.7V to 5.5V, allowing these devices to offer secondary regulation from the common automotive primary rails. They offer a widely adjustable switching frequency, from 500kHz to 4MHz with a default switching frequency of 2MHz, perfect for avoiding electromagnetic interference in the AM band. They provide high performance with a 1% over-temp reference and achieve up to 95% efficiency, owing to the low RDSon internal MOSFET switches.

This regulator family is easy-to-use with just the right amount of customization options. They come with built-in internal compensation, but do offer access to fine-tune the compensation, if so desired. They can be operated in forced synchronous/forced PWM mode or PFM mode can be enabled for light-load efficiency improvement. They have a built-in 1ms soft-start, but again, this can be customized by the user, if so desired. They also offer the most important protections, including overcurrent, negative overcurrent, short-circuit, overvoltage, overtemperature, and undervoltage lock-out.

When these devices are disabled, they offer a soft-stop function by slowly discharging the output capacitor through an internal 100Ω switch.

Typical Automotive ECU Power Supplies

In order to get an idea of where the ISL7823x family of regulators can be used, let’s review a typical automotive ECU power tree.

The power source is the car battery or alternator. While this supply is nominally 12 to 14V, it commonly specifies a full operation range from 9V to 18V, with short transients that can exceed 40V and dip below 5V. For now, we will not focus on the first stage or primary regulator requirements because the ISL7823x family is not well suited and not intended to run directly from the car battery.

The ISL7823x devices are intended to be the point-of-load regulators running from the primary rails and delivering the secondary rails. The secondary rails are used for functions such as low voltage microprocessors, DSPs, GPUs, and any other functions that require a voltage that is not provided by the primary rail. For applications that are near the tuner or antennas in the car, there is special emphasis on avoiding interference in the AM radio band. For this reason, the secondary rails are often required to operate either below 500kHz or above 1.8MHz with a constant frequency. In most cases, it is preferred to run in the higher range of permissible switching frequencies because this reduces the size of the magnetics and also prevents harmonics of the switching frequency from falling in the AM band. When the vehicle is off, most of the secondary rails are disabled. Shut down current is very important, but we typically do not see stringent quiescent current requirements for these rails. The ISL7823x family of devices is very well suited to most secondary rail requirements, for loads over 2A and less than 5A.

Target Automotive Applications

These are some of the target automotive applications. These are systems within the passenger compartment of the vehicle and cover a wide array of functions. We are most successful in car multimedia applications where the head unit must provide a multitude of functions and therefore has numerous point-of-load requirements. We also see success in smart cameras. These are forward facing cameras that perform image processing functions local to the camera. The ISL7823x family of devices are also designed into the ECU for backup cameras where again, there sits a multimedia processor to incorporate the images coming from the camera into the rest of the center display system. Other target applications include the instrument cluster and ADAS systems.

ISL7823x Key Functions & Features for Automotive Applications

These are some of the key functionalities that automotive systems require and the ISL7823x offers. First, and very important is guaranteed, constant frequency operation above the AM band. Even though a regulator may offer switching frequencies above 2MHz, sometimes, the duty cycle supported while in PWM operation can be limited. Switching with a nominal frequency of 2MHz but where the device must use some sort of pulse-skipping behavior to maintain regulation is usually not a preferred solution. When evaluating regulators, customers usually look at the minimum on-time specification, which sets the minimum duty cycle in PWM operation. ISL7823x offers a very low minimum on-time and goes one step further by specifying a maximum value in the electrical table. This gives customers the information they need to ensure their designs will remain fixed frequency above the AM band.

External synchronization is often a must have for automotive systems. In applications where the ECU has knowledge of the AM tuner settings, the customer will often provide a synchronization clock to all regulators and modify the clock frequency to avoid interference in the selected radio channel. In systems where the tuner setting is not available, external synchronization is still useful to ensure all regulators are operating at the same frequency, avoiding the possibility of a beat frequency between two regulators. External synchronization is also used by some designers that can generate a clock that has a modulated, or spread-spectrum, frequency.

Automotive design schedules are always under pressure to be shortened. The ISL7823x are very easy to use, allowing the customer to avoid time consuming design complexity and the associated verification. The choice of a PFET for the HS switch eliminates the need for a bootstrap capacitor and any concern about high duty cycle operation. ISL7823x allows 100% duty cycle. Other important functions that make these parts easy to use in a wide variety of applications are the option to use internal or external compensation, the option to select forced PWM or PFM modes, and the full suite of protection functions provided by the IC.

Finally, the 3A, 4A and 5A devices are offered in two package options and are pin-compatible within the option chosen. Since one of the options available is a wettable flank QFN, these devices also can be used where optical solder joint inspection is a requirement.

Guaranteed Minimum Off-time

As was mentioned in the previous slide, being able to guarantee operation at a given output voltage or duty cycle at the preferred switching frequency is very important, but not widely available. ISL7823x provides a worst-case, maximum specification of 100ns for minimum on-time. Further, the datasheet provides typical operating curves to show how the minimum on-time varies with temperature and input voltage. Our leading competitors provide only typical values in the electrical table and some only offer this in the applications section of the datasheet. It is surprising that our competition does not provide this for customers, but we have won sockets at customers specifically because we were able to provide this maximum specification.

Pin-compatible in 3mm x 3mm TQFN and 5mm x 5mm WFQFN

Another factor I would like to highlight are the various options available. This provides a very useful ability for customers to specify only a BOM change in order to support higher functionality systems. This also provides some room for customers to modify their design later in the design process if they are not certain about the load current requirements from the start of design.

In the 3mm x 3mm TQFN, we offer a 3A, 4A and 5A device. We also offer a custom version of the 5A device where the current limit is trimmed substantially higher, to allow for short pulse durations at much higher load current. I will provide more detail on this in the next slide. Please note that the ambient temperature allowed is less in the 3mm x 3mm package for the higher current versions. This is because the higher current causes larger on-chip power dissipation which raises the junction temperature further above the ambient.

The 5mm x 5mm option offers 3A, 4A and 5A options. These devices are all specified for 125 °C ambient operation and this package option offers a side wettable flank. It is hard to discern, but the wettable flank causes the solder joints to extend much further and be more visible than in a standard QFN. This allows for optical inspection of the solder joints, reducing manufacturing costs. Some automotive customers have a firm requirement for optical inspection and will therefore use only a leaded or wettable flank package.

ISL78235ARZ-TR5668 – 8A/5A Synchronous Buck Regulator

As touched on in the previous slide, we offer a customer r-spec version of the 5A device. The part number for this is ISL78235 with an R5668 extension. This device can be used in any ECU where the load may include short duration pulses that exceed the nominal current limits of the 5A device. This device can be used in any application for any customer where its functionality is appropriate. The peak current limit here is increased to have a minimum of 10A so that, after considering inductor ripple current, the regulator can guarantee support for peak loads up to 8A. We have limited the duration of the current peaks above 5A to 100µs in order to prevent the die from overheating. When designing in this device, special care must be taken when selecting the inductor to ensure it can handle higher currents, as the OCP for this regulator does not kick in until well over 10A.

ISL7823x Protection Features

The ISL7823x family of devices offers numerous protection capabilities. These are described on this slide and include POR to ensure a suitable Vin is present. Overcurrent protection will trigger a hiccup restart if the current exceeds the overcurrent threshold for 17 consecutive cycles. The hiccup period is 8 soft-start periods. Negative current protection is activated if the inductor current hits -3A for four consecutive cycles. At this point, the HS and LS switches are turned off and the 100Ω discharge switch will be enabled to bring the output voltage back into regulation. Once in regulation, the regulator will resume switching. Under short-circuit condition, the regulator will lower the switching frequency and trigger the overcurrent response. When an overvoltage condition is detected, the upper FET is turned off and the lower FET and 100Ω discharge FET are enabled. When undervoltage is detected, the opposite occurs, the lower FETs are disabled and the upper FET is turned on, putting the device into 100% duty cycle, drop-out operation. At shut down, a soft-stop function is activated which slowly discharges the load. And finally, the devices have built-in temperature monitoring and will shut down the device when the junction temperature exceeds 150 °C. When the temperature drops by 15 °C, the regulator will resume operation after a soft-start cycle.

ISL7823x Evaluation Boards – Start Designing Today!

To aid customers in the design-in process, we provide evaluation boards for both package options and for each standard device. You can find more information about these on our website. Thank you for your time and attention.