跳转到主要内容
瑞萨电子 (Renesas Electronics Corporation)

特性

  • 2.5V to 5.5V input
  • 1.5A, 0.18Ω integrated boost FET
  • VON/VOFF supplies generated by charge pumps driven by the boost switch node
  • LDO for VLOGIC channel
  • 600kHz/1200kHz selectable switching frequency
  • Integrated gate pulse modulator
  • Reset signal generated by supply monitor
  • Integrated VCOM amplifier
  • DCP
  • I2C serial interface, address: 0101000, MSB left
  • Wiper position stored in 8-bit nonvolatile memory and recalled on power-up
  • Endurance, 1,000 data changes per bit
  • UVLO, UVP, OVP, OCP, and OTP protection
  • Pb-free (RoHS compliant)
  • 28 Ld 4x5 QFN
  • AEC-Q100 qualified

描述

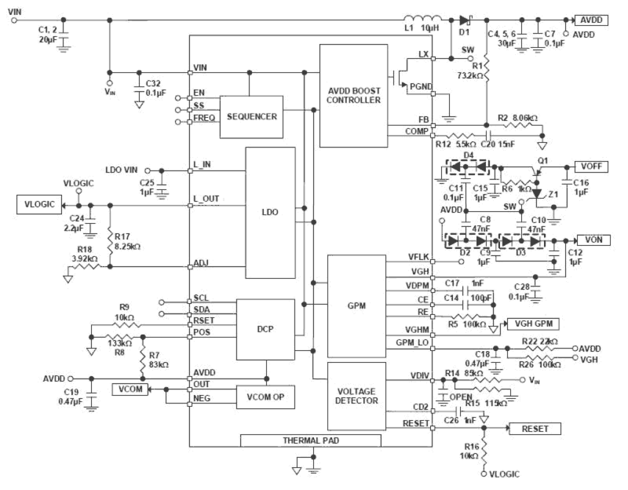
The ISL78419 is an integrated power management IC (PMIC) for TFT-LCDs used in central display, rear seat entertainment and virtual dashboards. The device integrates a boost converter for generating AVDD, an LDO regulator for VLOGIC. VON and VOFF are generated by a charge pump driven by the switch node of the boost converter. The ISL78419 also includes a VON slice circuit, reset function, and a high performance VCOM amplifier with a Digitally Controlled Potentiometer (DCP) that is used as a VCOM calibrator. The AVDD boost converter features a 1. 5A/0. 18Ω boost FET with 600kHz/1200kHz switching frequency. The integrated logic LDO includes a 350mA FET for driving the low voltage needed by external digital circuitry. The gate pulse modulator can control the gate voltage up to 30V, and both the rate and slew delay times are selectable. The supply monitor generates a reset signal when the system is powered down based on a user selected threshold level (programming resistor). The ISL78419 provides a digitally controlled VCOM output using I2C interface. One VCOM amplifier is also integrated in the chip to provide a fast slewing 150mA drive (sourcing or sinking). The output of the VCOM is powered up with the voltage stored at the last programmed 8-bit (internal) EEPROM setting. The ISL78419 is rated to operate over the temperature range of (-40°C to +105°C) and is qualified according to AEC-Q100.

产品参数

属性
Input Voltage Range (V)2.5 - 5.5
Input Voltage (Min) (V)2.5
Input Voltage (Max) (V)5.5

封装选项

Pkg. TypePkg. Dimensions (mm)Lead Count (#)Pitch (mm)
QFN4.0 x 5.0 x 0.90280.5

应用方框图

Automotive Cockpit Solution with Haptics Block Diagram
支持触觉反馈的汽车座舱系统
先进的座舱系统,配备新一代触觉反馈技术、BroadLED 驱动器和 PMIC。
Parking Assistance System with AHL Camera Block Diagram
带 AHL 摄像头的泊车辅助系统
具有高清模拟链路的汽车泊车摄像头系统降低了布线成本并保持零延迟。
Low-Cost Digital Instrument Cluster Block Diagram
低成本数字汽车仪表集群
低成本数字集群和 HVAC 显示设计,具有可扩展的图形和快速启动支持。

其他应用

  • Automotive TFT displays
  • Central displays, rear seat entertainment and dashboards

当前筛选条件