特性
- 2.7V to 5.5V input voltage range
- Very low ON-resistance FET's - P-channel 36mΩ and N-channel 13mΩ typical values
- High efficiency synchronous buck regulator with up to 95% efficiency
- Pin-to-pin compatible with ISL8023 and ISL8024
- 0.8% reference accuracy over-temperature/load/line
- Internal soft-start: 1ms or adjustable
- Soft-stop output discharge during disable
- Adjustable frequency from 500kHz to 4MHz - default at 1MHz (ISL8025), 2MHz (ISL8025A)
- External synchronization up to 4MHz
- Over-temperature, overcurrent, overvoltage and negative overcurrent protection
描述
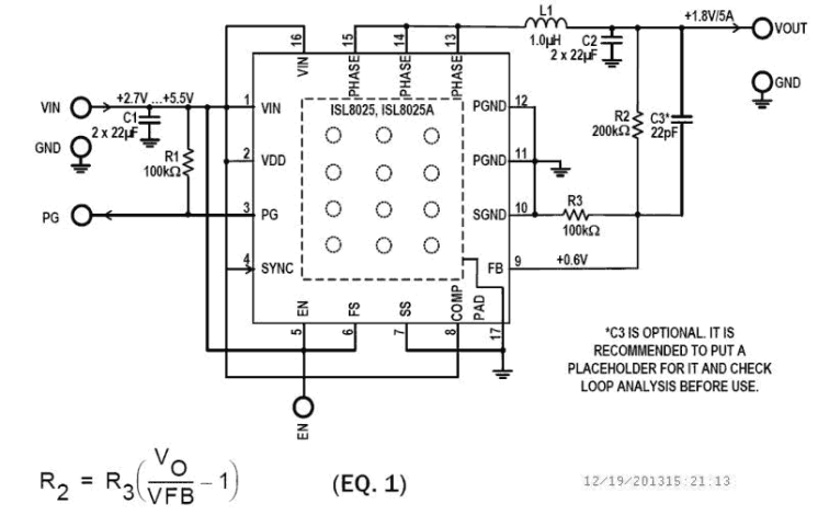
The ISL8025, ISL8025A are highly efficient, monolithic, synchronous step-down DC/DC converters that can deliver 5A of continuous output current from a 2. 7V to 5. 5V input supply. The devices use current mode control architecture to deliver a very low duty cycle operation at high frequency with fast transient response and excellent loop stability. The ISL8025, ISL8025A integrates a very low ON-resistance P-Channel (36mΩ) high-side FET and N-Channel (13mΩ) low-side FET to maximize efficiency and minimize external component count. The 100% duty-cycle operation allows less than 180mV dropout voltage at 5A output current. The operation frequency of the pulse-width modulator (PWM) is adjustable from 500kHz to 4MHz. The default switching frequency, which is set by connecting the FS pin high, is 1MHz for the ISL8025 and 2MHz for the ISL8025A. The ISL8025, ISL8025A can be configured for discontinuous or forced continuous operation at light load. Forced continuous operation reduces noise and RF interference, while discontinuous mode provides higher efficiency by reducing switching losses at light loads. Fault protection is provided by internal hiccup mode current limiting during short circuit and overcurrent conditions. Other protection, such as overvoltage and over-temperature, are also integrated into the device. A power-good output voltage monitor indicates when the output is in regulation. The ISL8025, ISL8025A offers a 1ms Power-good (PG) timer at power-up. When in shutdown, the ISL8025, ISL8025A discharges the output capacitor through an internal soft-stop switch. Other features include internal fixed or adjustable soft-start and internal/external compensation. The ISL8025, ISL8025A are offered in a space saving 16 Ld 3x3 Pb-free QFN package with an exposed pad for improved thermal performance and 1mm maximum height. The complete converter occupies less than 0. 22 in2 area.
产品参数
| 属性 | 值 |
|---|---|
| Topology [Rail 1] | Buck |
| Outputs (#) | 1 |
| Input Voltage (Min) [Rail 1] (V) | 2.7 |
| Input Voltage (Max) [Rail 1] (V) | 5.5 - 5.5 |
| Output Voltage (Min) [Rail 1] (V) | 0.6 |
| Output Voltage (Max) [Rail 1] (V) | 5.5 |
| Output Current (Max) [Rail 1] (A) | 5 |
| Switching Frequency Range (Typical) (kHz) | 500 - 4000 |
| Control Type | Current Mode |
| Peak Efficiency (%) | 95 |
| IQ [Rail 1] (µA) | 50 |
| SYNCH Capability | Yes |
| Qualification Level | Standard |
| Temp. Range (°C) | -40 to +85°C |
| Simulation Model Available | iSim |
封装选项
| Pkg. Type | Pkg. Dimensions (mm) | Lead Count (#) | Pitch (mm) |
|---|---|---|---|
| TQFN | 3.0 x 3.0 x 0.75 | 16 | 0.5 |
应用方框图
|
|
打印机电源排序器和 I/O 扩展器(PPC 或 MFP)
基于 MCU 的电源定序器和 I/O 扩展器,适用于高性能 PPC 或 MFP 打印机。
|
其他应用
- DC/DC POL modules
- μC/µP, FPGA and DSP power
- Plug-in DC/DC modules for routers and switchers
- Portable instruments
- Test and measurement systems
- Li-ion battery powered devices
当前筛选条件