特性
- Operate from a Single +3.3V Supply (10% Tolerance)
- Interoperable with 5V Logic
- High Data Rates: up to 10Mbps
- Single Unit Load Allows up to 32 Devices on the Bus
- Slew Rate Limited Versions for Error Free Data Transmission (ISL83483, ISL83488): up to 250kbps
- Low Current Shutdown Mode (ISL83483, ISL83485, ISL83491): 15nA
- -7V to +12V Common Mode Input Voltage Range
- Three State Rx and Tx Outputs (Except ISL83488, ISL83490)
- 10ns Propagation Delay, 1ns Skew (ISL83485, ISL83490, ISL83491)
- Full Duplex and Half Duplex Pinouts
- Current Limiting and Thermal Shutdown for driver Overload Protection
- Pb-free available
描述
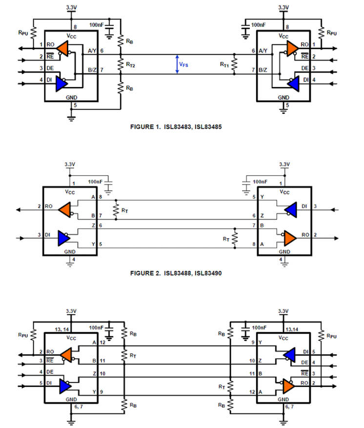
These Renesas RS-485/RS-422 devices are BiCMOS 3. 3V powered, single transceivers that meet both the RS-485 and RS-422 standards for balanced communication. Unlike competitive devices, this Renesas family is specified for 10% tolerance supplies (3V to 3. 6V). The ISL83483 and ISL83488 use slew rate limited drivers which reduce EMI, and minimize reflections from improperly terminated transmission lines, or unterminated stubs in multidrop and multipoint applications. Data rates up to 10Mbps are achievable by using the ISL83485, ISL83490, or ISL83491, which feature higher slew rates. Logic inputs (for example, DI and DE) accept signals in excess of 5. 5V, making them compatible with 5V logic families. Receiver (Rx) inputs feature a “fail-safe if open” design, which ensures a logic high output if Rx inputs are floating. All devices present a “single unit load” to the RS-485 bus, which allows up to 32 transceivers on the network. Driver (Tx) outputs are short-circuit protected, even for voltages exceeding the power supply voltage. Additionally, on-chip thermal shutdown circuitry disables the Tx outputs to prevent damage if power dissipation becomes excessive. The ISL83488, ISL83490, and ISL83491 are configured for full duplex (separate Rx input and Tx output pins) applications. The ISL83488 and ISL83490 are offered in space saving 8 Ld packages for applications not requiring Rx and Tx output disable functions (for example, point-to-point and RS-422). Half duplex configurations (ISL83483, ISL83485) multiplex the Rx inputs and Tx outputs to provide transceivers with Rx and Tx disable functions in 8 Ld packages.
产品参数
| 属性 | 值 |
|---|---|
| Transmitters (#) | 1 |
| Receivers (#) | 1 |
| Devices Allowed on Bus | 32 |
| Half/Full Duplex | Half |
| High ESD Protection | No |
| Hot Plug | No |
| Data Rate (Mbps) | 10 |
| Supply Voltage Vcc Range | 3-3.6 |
| Slew Rate Limited | No |
| Tx/Rx Enable | Yes |
| IS Enabled/Disabled | 750/650 µA |
| SHDN ICC | 0.015 µA |
| VL Pin | No |
| Advanced Features | Low Cost |
封装选项
| Pkg. Type | Pkg. Dimensions (mm) | Lead Count (#) | Pitch (mm) |
|---|---|---|---|
| SOICN | 4.9 x 3.9 x 0.00 | 8 | 1.3 |
应用方框图
| 智能语音控制家居自动化 语音识别无需动手即可实现设备控制,能够提高卫生水平,并支持多种语言命令。 |
其他应用
- Factory Automation
- Security Networks
- Building Environmental Control Systems
- Industrial/Process Control Networks
- Level Translators (eg, RS-232 to RS-422)
- RS-232 "Extension Cords"
当前筛选条件