跳转到主要内容

特性

  • Wide input voltage range from 4.5V to 28V
  • Adjustable output voltage with continuous output current up to 3A
  • Current mode control
  • Adjustable switching frequency from 300kHz to 2MHz
  • Independent power-good detection
  • Selectable in-phase or out-of-phase PWM operation
  • Independent, sequential, ratiometric or absolute tracking between outputs
  • Internal 2ms soft-start time
  • Overcurrent/short circuit protection, thermal overload protection, UVLO
  • Boot undervoltage detection
  • Pb-free (RoHS compliant)

描述

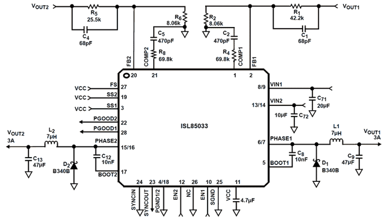
The ISL85033 is a dual standard buck regulator capable of 3A per channel continuous output current. With an input range of 4. 5V to 28V, it provides a high frequency power solution for a variety of point of load applications. The PWM controller in the ISL85033 drives an internal switching N-Channel power MOSFET and requires an external Schottky diode to generate the output voltage. The integrated power switch is optimized for excellent thermal performance up to 3A of output current. The PWM regulator switches at a default frequency of 500kHz and it can be user programmed or synchronized from 300kHz to 2MHz. The ISL85033 utilizes peak current mode control to provide flexibility in component selection and minimize solution size. The protection features include overcurrent, UVLO and thermal overload protection. The ISL85033 is available in a small 4mmx4mm Thin Quad Flat No-Lead (TQFN) Pb-free package.

产品参数

属性
Topology [Rail 1] Buck
Outputs (#) 2
Input Voltage (Min) [Rail 1] (V) 4.5
Input Voltage (Max) [Rail 1] (V) 28 - 28
Output Voltage (Min) [Rail 1] (V) 0.8
Output Voltage (Max) [Rail 1] (V) 28
Output Current (Max) [Rail 1] (A) 3
Switching Frequency Range (Typical) (kHz) 300 - 2000
Control Type Current Mode
Peak Efficiency (%) 92
IQ [Rail 1] (µA) 1200
SYNCH Capability Yes
Qualification Level Standard
Temp. Range (°C) -40 to +85°C
Simulation Model Available iSim

封装选项

Pkg. Type Pkg. Dimensions (mm) Lead Count (#) Pitch (mm)
TQFN 4.0 x 4.0 x 0.75 28 0.4

应用方框图

Smart Travel Bag Block Diagram
智能旅行箱
AI 驱动的智能旅行箱,具有物体检测和免提便利性。
Multi-Cell USB PD Power Bank with Quick Charge 2.0/3.0 Block Diagram
多芯 USB PD 移动电源,配备 Quick Charge 2.0/3.0
60W+ USB PD 移动电源通过多电池设置和蓝牙 LE 监控提供高效充电。
Multi-Functional Cordless Drill with Wire Detection Block Diagram
多功能无线电钻,带电线检测功能
带有 IoT 的无线电钻设计可实现电线检测、蓝牙控制、角度调节和增强的可见性。
Power & Timing System for AI Accelerator Card Block Diagram
AI 加速卡电源和时钟系统
Interactive block diagram of the resolver motor control system features an MCU, full-bridge FET drivers, buck regulators and RS-485 transceivers.
用于小型工业机器人的旋转变压器电机控制
小型机器人系统提供精确的运动控制、坚固的设计并缩短开发时间。

其他应用

  • General purpose point of load DC/DC power conversion
  • Set-top boxes
  • FPGA power and STB power
  • DVD and HDD drives
  • LCD panels, TV power
  • Cable modems

当前筛选条件