跳转到主要内容

特性

  • 3.5V 至 40V 的宽输入电压范围
  • 同步操作,实现高效
  • 无需补偿
  • 集成式高端和低端 NMOS 设备
  • 轻载时可选择 PFM 或强制 PWM 模式
  • 内部开关频率 700kHz
  • 高达 150mA 的持续输出电流
  • 内部软启动
  • 需要外部最低补偿
  • 电源良好,使所有功能可用

描述

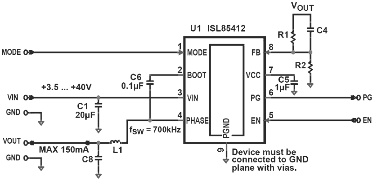
ISL85412 是一款 150mA 同步降压稳压器,输入范围为 3.5V 至 40V。 它为各种应用提供了一种易于使用、高效率、低 BOM 数量的解决方案。 ISL85412 集成了高压侧和低压侧 NMOS FET,并具有 PFM 模式,可提高轻负载时的效率。 如需启用强制 PWM 模式,可禁用该功能。 该器件的默认开关频率为 700kHz。 通过集成两个 NMOS 器件和提供内部配置,只需极少的外部元件,从而减少 BOM 数量和降低设计复杂性。 该器件具有宽 VIN 范围和更少的 BOM,为各种应用提供了易于实施且性能卓越的设计方案。 它将为高压工业应用提供非常稳健的设计,并为电池供电应用提供高效的解决方案。 该器件采用小型、无铅 3mm x 3mm TDFN 塑料封装,工作结温范围为 -40°C 至 +125°C。

产品参数

属性
Topology [Rail 1] Buck
Outputs (#) 1
Input Voltage (Min) [Rail 1] (V) 3.5
Input Voltage (Max) [Rail 1] (V) 40 - 40
Output Voltage (Min) [Rail 1] (V) 0.6
Output Voltage (Max) [Rail 1] (V) 34
Output Current (Max) [Rail 1] (A) 0.15
Switching Frequency Range (Typical) (kHz) 600 - 784
Control Type Current Mode
Peak Efficiency (%) 92
IQ [Rail 1] (µA) 50
SYNCH Capability No
Qualification Level Standard
Temp. Range (°C) -40 to +125°C

封装选项

Pkg. Type Pkg. Dimensions (mm) Lead Count (#) Pitch (mm)
TDFN 3.0 x 3.0 x 0.75 8 0.5

应用方框图

Interactive block diagram of the torque control system features an MCU with a high-precision AFE, low-noise, high power supply rejection ratio, and stable high-quality power supply.
扭矩控制系统
精密扭矩控制使用具有高精度 AFE 和可靠传感器的 MCU 确保产品质量。
Smart 3-Ph E-Meter Block Diagram
智能三相电表
智能三相电表,具有双向通信和篡改检测功能,适用于现代电网。
Interactive block diagram of this flexible metering system features ultra-low power metrology MCUs, UART with optical isolation, and Sub-1 GHz MCU.
智能单相电表
灵活的电能计量系统,支持有线和无线通信、篡改检测和隔离功能。

其他应用

  • 工业控制
  • 医疗设备
  • 便携式仪器
  • 分布式电源
  • 云基础结构

当前筛选条件