跳转到主要内容
瑞萨电子 (Renesas Electronics Corporation)

特性

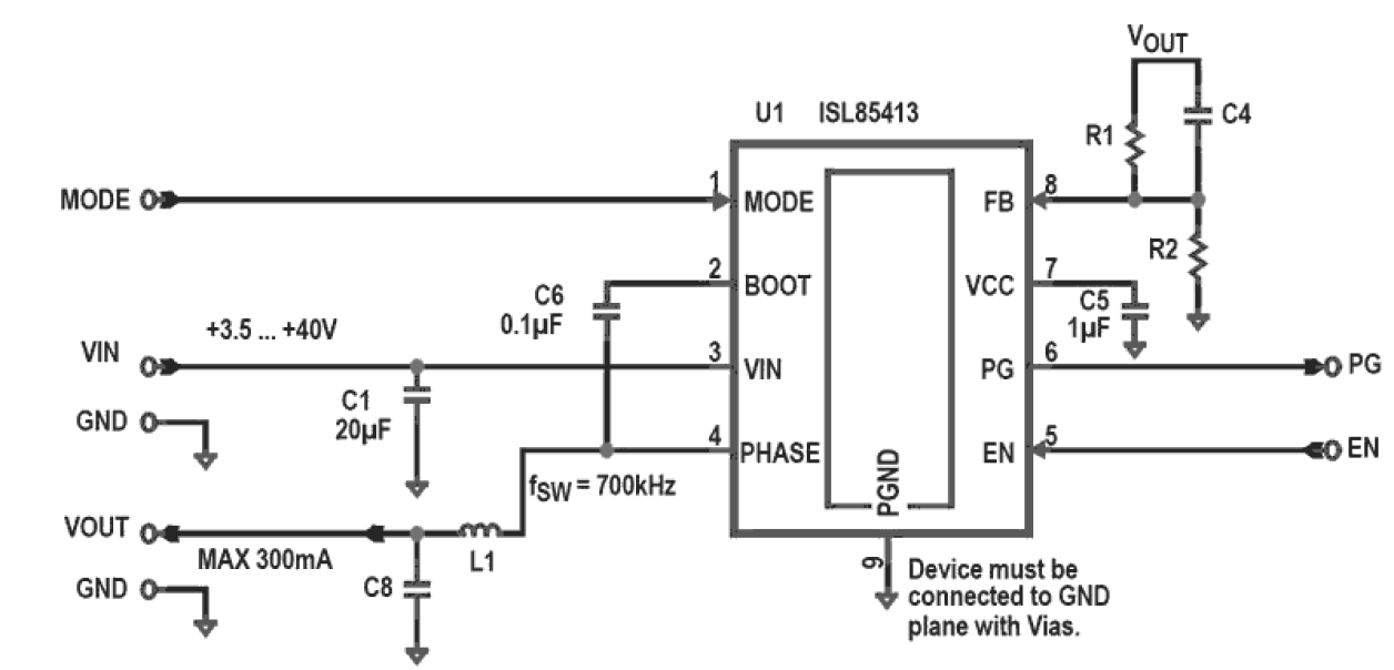
  • Wide input voltage range of 3.5V to 40V
  • Synchronous operation for high efficiency
  • No compensation required
  • Integrated high-side and low-side NMOS devices
  • Selectable PFM or forced PWM mode at light loads
  • Internal switching frequency 700kHz
  • Continuous output current up to 300mA
  • Internal soft-start
  • Minimal external components required
  • Power-good and enable functions available Applications

描述

The ISL85413 is a 300mA synchronous buck regulator with an input range of 3. 5V to 40V. It provides an easy to use, high efficiency low BOM count solution for a variety of applications. The ISL85413 integrates both high-side and low-side NMOS FETs and features a PFM mode for improved efficiency at light loads. This feature can be disabled if forced PWM mode is desired. The part switches at a default frequency of 700kHz. By integrating both NMOS devices and providing internal configuration, minimal external components are required, reducing BOM count and complexity of design. With the wide VIN range and reduced BOM, the part provides an easy to implement design solution for a variety of applications while giving superior performance. It will provide a very robust design for high voltage industrial applications as well as an efficient solution for battery powered applications. The part is available in a small Pb-free 3mmx3mm TDFN plastic package with an operation junction temperature range of -40°C to +125°C.

产品参数

属性
Topology [Rail 1]Buck
Outputs (#)1
Input Voltage (Min) [Rail 1] (V)3.5
Input Voltage (Max) [Rail 1] (V)40 - 40
Output Voltage (Min) [Rail 1] (V)0.6
Output Voltage (Max) [Rail 1] (V)34
Output Current (Max) [Rail 1] (A)0.3
Switching Frequency Range (Typical) (kHz)600 - 784
Control TypeCurrent Mode
Peak Efficiency (%)92
IQ [Rail 1] (µA)50
SYNCH CapabilityNo
Qualification LevelStandard
Temp. Range (°C)-40 to +125°C
Simulation Model AvailableN/A

封装选项

Pkg. TypePkg. Dimensions (mm)Lead Count (#)Pitch (mm)
TDFN3.0 x 3.0 x 0.7580.5

应用方框图

400V/2kW Synchronous Motor Controller with HMI Controller Block Diagram
400V/2kW 同步电机控制器,带 HMI 控制器
400V/2kW 同步电机控制器与工业 HMI 控制器和 AC/DC 电源配对。
Base PLC system block diagram featuring a scalable architecture, flexible I/O selection, multiple connectivity options, and voltage regulation from the standard 24VDC.
工业可编程逻辑控制器(PLC)
灵活的嵌入式可编程逻辑控制器(PLC),旨在集成任何类型的接口以满足终端应用需求。
Oxygen Concentrator Controller with Smart Connectivity Block Diagram
配备智能连接的制氧机控制器
智能制氧机控制,具有支持 RTOS 的 MCU、触摸 UI 和蓝牙连接。
HMI SoM with AI Accelerator Block Diagram
具备 AI 加速器的 HMI SoM
可扩展的 AI 赋能 SMARC SoM,面向高性能工业 HMI
Interactive block diagram of the BLDC motor controller features a 32-bit MCU and an precise inductive position sensor.
36V/144W BLDC 电机控制器
36V/144W BLDC 电机控制器,具有低成本高效益的 MCU 和精确的位置传感器。
Smart Lighting Control with RGB Light Sensor Block Diagram
通过 RGB 光传感器实现智能照明控制
基于 MCU 的智能照明控制,具有 RGB 传感器、电容式触摸和语音识别功能。

其他应用

  • Industrial control
  • Medical devices
  • Portable instrumentation
  • Distributed power supplies
  • Cloud infrastructure

当前筛选条件