跳转到主要内容
瑞萨电子 (Renesas Electronics Corporation)

特性

  • 用于 2 节、3 节或 4 节锂离子电池的降压-升压 NVDC 充电器
  • 输入电压范围:3.9V 至 23.4V(无死区)
  • 系统输出电压:2.4V 至 18.304V
  • 自主充电选项(自动完成充电)
  • 正向直通模式
  • 系统功率监控器PSYS输出,符合 IMVP 标准
  • 高达 1MHz 的开关频率
  • 适配器电流和电池电流监视器(AMON/BMON)
  • PROCHOT# 漏极开路输出,符合 IMVP 标准
  • 允许对耗尽的电池进行涓流充电
  • Turbo 模式下的理想二极管控制
  • 电池逆向降压、升压和降压-升压运行
  • 提供二级适配器电流限值
  • 100% 2-FET 仅降压模式选项
  • 电池输送模式选项
  • 兼容 SMBus 和自动递增 I2C
  • 4mm x 4mm 32 Ld TQFN 封装
  • UL2367, IEC 62368-1: File No. E520109

描述

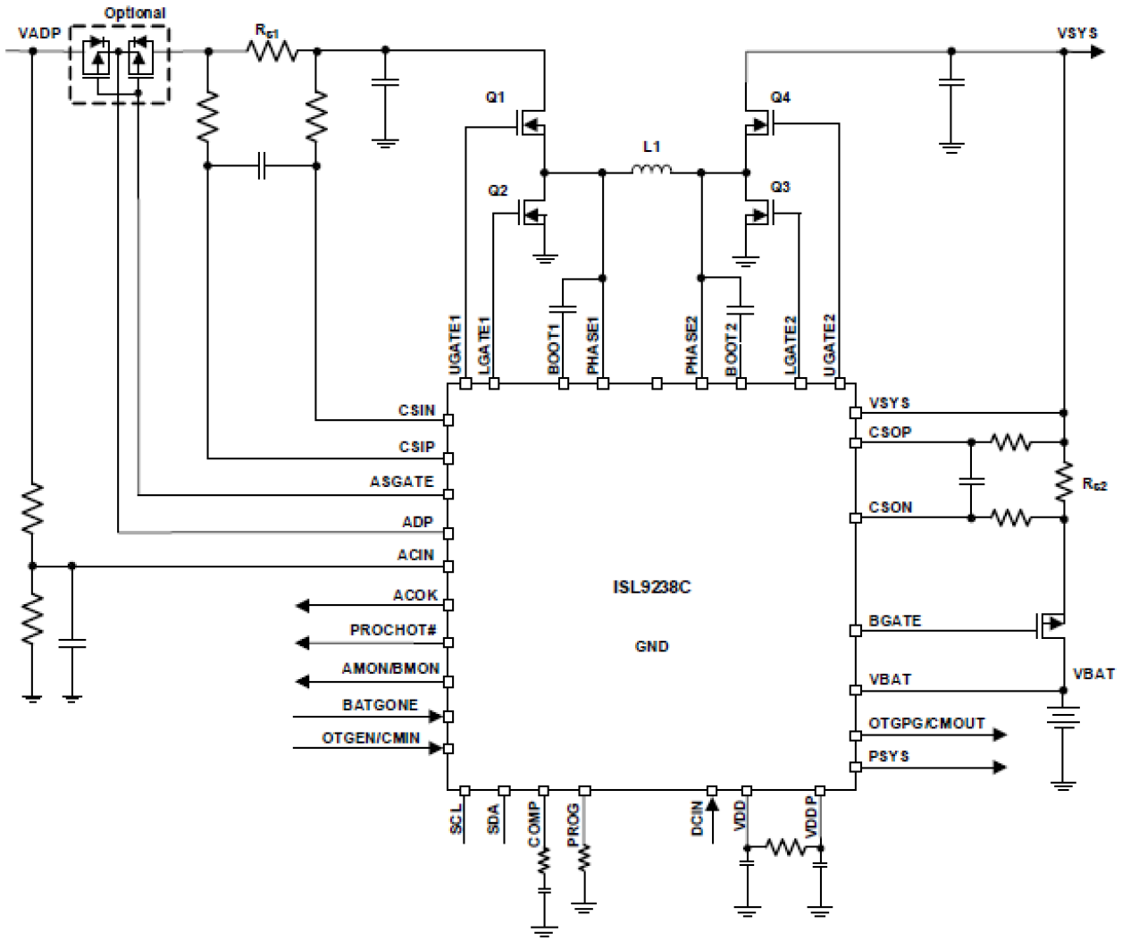
具有 SMBus 接口和 USB OTG 的降压-升压窄 VDC 电池充电器 ISL9238C 是一款降压-升压窄输出电压直流(NVDC)充电器。 ISL9238C 为平板电脑、超极本、笔记本电脑、移动电源和任何 USB-C 接口平台提供 NVDC 充电、系统总线调节和保护功能。 先进的瑞萨电子 R3™ 技术提供高轻负载效率和快速瞬态响应。 在充电模式下,ISL9238C 接受来自各种直流电源(例如:传统 AC/DC 充电器适配器、USB PD 端口和旅行适配器)的输入电源,并安全地为使用多达 4 节串联锂离子电池的电池组充电。 作为 NVDC 拓扑充电器,ISL9238C 还将系统输出调节到较窄的直流范围,以实现稳定的系统总线电压。 系统电源可以由适配器、电池或两者的组合提供。 ISL9238C 可以仅使用电池运行、仅使用适配器运行或两者都连接的情况下运行。 为了符合 Intel IMVP 标准的系统,ISL9238C 具有 PSSYS(系统电源监视器)功能,以提供代表总平台功率的模拟信号。 PSYS 输出连接到各种瑞萨电子 IMVP 内核稳压器,以提供符合 IMVP 标准的电源域功能。 ISL9238C 支持对 2 至 4 节电池输入端口的反向降压、升压或降压-升压操作。 ISL9238C 提供 SMBus/I2C 串行通信,允许对许多关键参数进行编程,以提供定制解决方案。

产品参数

属性
Topology [Rail 1]Buck-Boost
Input Voltage (Min) (V)3.2
Input Voltage (Max) (V)23.4
Input Current Limit Accuracy (% (±))2
Battery Charge Voltage2.4 to 18.304
Charging Voltage Accuracy (Max) (±%)0.5
Battery Charge Voltage Adjustment8mV steps
Charge Current Limit Accuracy±2.5 (CSOP - CSON = 60mV)
Trickle Charge Current Range64mA, 128mA, 256mA, or 512mA
Switching Frequency Range (Typical) (kHz)635 - 1000

封装选项

Pkg. TypePkg. Dimensions (mm)Lead Count (#)Pitch (mm)
TQFN4.0 x 4.0 x 0.70320.4

应用方框图

Pet camera robot system interactive block diagram features a dual-core Arm Cortex-M88 MCU with immutable storage, RSIP cryptographic engine, TrustZone, and tamper protection.
宠物摄像机器人
具有实时视频、音频和无线控制功能的移动宠物摄像机器人。
100W USB PD Battery Charger Block Diagram
100W USB PD 电池充电器
100W USB PD 平台可为各种电子产品提供高效充电、安全功能以及用户友好设计。
Robot vacuum cleaner Interactive block diagram supports camera-based SLAM and includes safe motor drive technology for reliable cleaning.
扫地机器人
这款智能扫地机器人具有环境映射、防跌落、障碍物检测、自动充电、应用程序控制等功能。
Battery Powered Camera with AI Object Detection & Motion Sensing Block Diagram
电池供电摄像头,拥有人工智能物体检测和运动感应功能
电池供电人工智能摄像头,具有高效的运动检测、快速启动和低功耗物体分类功能。
Mobile Point of Sale (mPoS) Terminal Block Diagram
便携式 POS 终端
便携式移动 POS 机,支持安全、无线和多种支付方式,可在任何地方进行流畅的交易。
Multi-Cell USB PD Power Bank with Quick Charge 2.0/3.0 Block Diagram
多芯 USB PD 移动电源,配备 Quick Charge 2.0/3.0
60W+ USB PD 移动电源通过多电池设置和蓝牙 LE 监控提供高效充电。
USB PD Adapter with Turbo Boost Block Diagram
采用睿频加速技术的 USB PD 适配器
高功率 USB PD 系统支持需要电压超出 20V、功率高达 45W 的设备,具有广泛的兼容性。
Block diagram of the battery management system with life indicator for battery packs featuring NVDC charger, fuel gauge IC and MOSFETs.
带电池组电量指示器的电池管理系统
智能电池管理系统配备实时寿命指示器,支持 2-4 个锂离子电池和灵活的充电选项。

其他应用

  • 2 至 4 节电池的平板电脑
  • 超级本
  • 笔记本
  • 移动电源
  • 任何需要电池的 USB-C 接口便携式设备

当前筛选条件