跳转到主要内容
瑞萨电子 (Renesas Electronics Corporation)

特性

  • 8 节电池电压监测器支持锂离子 CoO2、锂离子 Mn2O4、锂离子 FePO4 和其他化学成分
  • 独立电池组控制 - 无需 MCU
  • 多种电压保护选项(每个选项均可编程为 4.8V;12 位数字值)和可选过流保护级别
  • 针对过压、欠压、过流和短路情况的可编程检测/恢复时间
  • 在 EEPROM 中维护的配置/校准寄存器
  • 开线电池连接检测
  • 集成的充放电 FET 驱动电路,带有内置充电泵,支持高侧 N 沟道 FET
  • 电池平衡使用具有内部状态机的外部 FET 或可选的外部 MCU
  • 闲置一段时间后进入低功耗状态
    • 充电或放电电流检测恢复正常扫描速率

描述

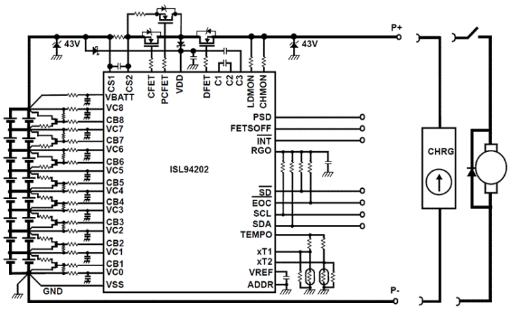
ISL94202 是一款电池组监控集成电路,支持 3 至 8 节串联电池。 该芯片提供完整的电池监控和包装控制。 ISL94202 提供自动关断和从越界条件中恢复的功能,并自动控制电池组平衡。 ISL94202 作为独立单元具有很高的可配置性,也可与外部微控制器 (MCU) 配合使用,后者通过 I2C 接口与 ISL94202 通信。 由于 ISL94202 可在并联和串联功率 FET 配置中工作,所以在今后的所有设计中,ISL94202 都将取代 ISL94203。

产品参数

属性
Cells Supported (#)3 - 8
Pack Voltage (Op)4 - 36
Cell Balancing FETsExternal (Built-in Drivers)
Integrated Current Sense/DetectionHigh Side
Charge/Discharge FET ControlYes
Charge/Discharge FET ArrangementBoth
Charge/Discharge FET LocationHigh Side
IS (mA)0.348
Sleep/Reset Mode Current (µA)13
Stand Alone CapableState Machine
Internal ADC (bits)14
Daisy ChainNo
GPI+GPIOs (#)2
Qualification LevelStandard
Temp. Range (°C)-40 to +85°C

封装选项

Pkg. TypePkg. Dimensions (mm)Lead Count (#)Pitch (mm)
TQFN6.0 x 6.0 x 0.75480.4

应用方框图

Humanoid battery management system block diagram features cell balancing and monitoring, charge and discharge protection, pack voltage and current sensing, battery pack control, communications, auxiliary power, and active cooling.
人形机器人电池管理系统
集成式人形机器人 BMS,可实现安全、实时的功率管理、保护及电池状态控制。
Robot vacuum cleaner Interactive block diagram supports camera-based SLAM and includes safe motor drive technology for reliable cleaning.
扫地机器人
这款智能扫地机器人具有环境映射、防跌落、障碍物检测、自动充电、应用程序控制等功能。
Smart Travel Bag Block Diagram
智能旅行箱
AI 驱动的智能旅行箱,具有物体检测和免提便利性。
Interactive block diagram of the hand blender features 8-cell BMS, AC/DC 100W charger with QR topology, and MCU which controls a single-phase BLDC motor.
无线 BLDC 手持式搅拌机
搭载 BLDC 电机并具有快充和多种转速控制功能的轻便型多用途无线手持式搅拌机。
Cordless leaf blower system interactive block diagram features a low-power MCU and smart gate driver offering adjustable speeds, rechargeable battery, and versatile design.
无线吹叶机
20V 无线吹叶机具有可调速度、智能电机、可充电电池和多功能设计。
Cordless vacuum cleaner system interactive block diagram features a ultra-low power MCU and smart gate driver for versatile, scalable designs.
无线吸尘器
BLDC 电机具有智能控制功能,使用寿命长,可为吸尘器、风扇等高效的多功能工具供电。

其他应用

  • 电源工具
  • 电池备用系统
  • 轻型电动汽车
  • 便携式设备
  • 储能系统
  • 太阳能农场
  • 医疗设备
  • 病床
  • 监控设备
  • 通风机

当前筛选条件