跳转到主要内容
瑞萨电子 (Renesas Electronics Corporation)

特性

  • 支持英特尔串行数据总线接口
  • 全面支持 PS4 电源域进出
  • 支持系统输入电源监视器(PSYS)
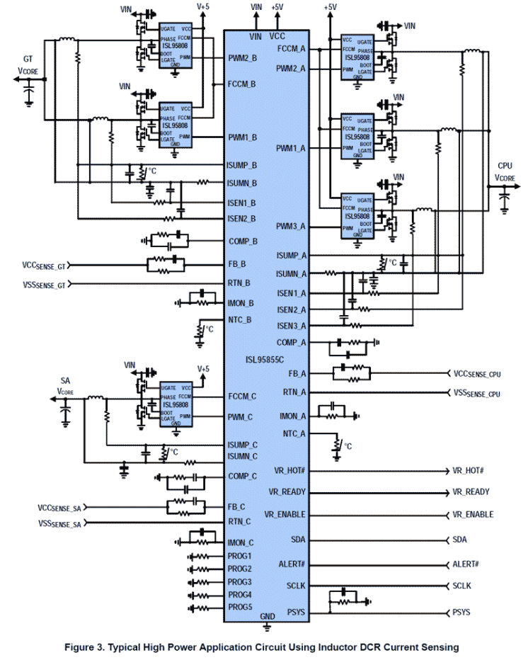
  • 三路输出控制器
  • VR A 可配置为 3 相、2 相、1 相 VR 设计
  • VR B 可配置为 2 相、1 相 VR 设计
  • VR C 支持 1 相 VR 设计
  • 在整个温度范围内,系统精度为 0.5%
  • PS4 状态下的低电源电流
  • 支持多种电流检测方式
  • 无损电感器 DCR 电流检测
  • 精密电阻电流检测
  • 差分远端电压检测
  • 可编程 SVID 地址
  • 启动时可编程 VBOOT 电压
  • 电阻可编程地址选择、IMAX、压摆率、开关频率和压降
  • 自适应体二极管导通时间缩短

描述

ISL95855C 符合 IMVP8™ 标准,并为支持内核、图形和系统代理轨的英特尔微处理器提供完整的电源解决方案。 该控制器为三个稳压器 (VR) 输出提供控制和保护。 VR A 输出可配置为 3 相、2 相或 1 相操作。 VR B 可配置为 2 相或 1 相操作,VR C 支持 1 相操作。 这三个输出的地址选项能够支持 IMVP8 CPU,实现最大灵活性。 所有三个 VR 共享一个通用串行控制总线,旨在与 CPU 进行通信,且与两芯方法相比,其成本更低、电路板面积也更小。 ISL95855C 扩展了 VR A 和 VR C 的 Iccmax 寄存器表,以支持英特尔 CFL-H。 基于 Intersil 的鲁棒纹波调节器(R3™)技术,R3 调制器与传统调制器相比具有许多优势。 其中包括更快的瞬态建立时间、响应负载瞬态的可变开关频率,以及由于二极管仿真模式具有与负载相关的低开关频率而提高的轻载效率。 ISL95855C 还有其他几个主要特性。 该控制器提供 PWM 输出,支持英特尔 DrMOS 功率级(或类似产品)和使用 Intersil ISL95808 高压同步整流降压 MOSFET 驱动器的分立式功率级。 该控制器符合 IMVP8 PS4 电源要求,并支持兼容的功率级和驱动器。 该控制器支持使用单个 NTC 热敏电阻进行 DCR 电流检测,以实现 DCR 温度补偿,或通过电阻电流检测实现更精确的 DCR 电流检测。

当前筛选条件