特性
- 支持英特尔串行数据总线接口
- SMBus/PMBus/I2C 接口,与 SVID 无冲突
- 绿色混合数字 R3™ 调制器
- 瞬态响应速度极快
- 具有电源状态选择的切相
- 单相二极管仿真,可实现高轻载效率
- 双输出控制器
- 稳压器 A:3 相、2 相或 1 相设计,带有两个 +12V 集成栅极驱动器
- 稳压器 B:2 相或 1 相设计,带有一个 +12V 集成栅极驱动器
- 在整个温度范围内,系统精度为 0.5%
- 支持多种电流检测方式
- 无损电感器 DCR 电流检测
- 精密电阻电流检测
- 差分远端电压检测
- 电阻可编程地址选择、IMAX 和两个输出的开关频率
- 自适应体二极管导通时间缩短
描述
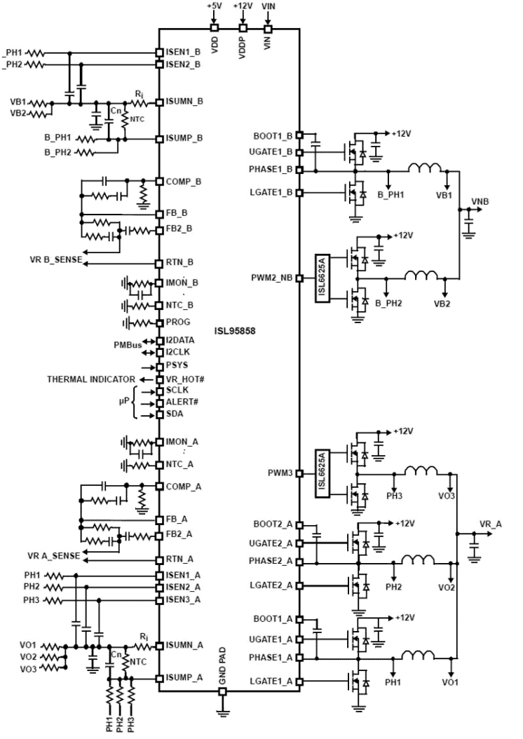
ISL95858 符合 Intel IMVP8™ 标准,为台式机微处理器提供完整的电源解决方案,同时支持核心(IA)和图形(GT)导轨。 该控制器为一个电压调节器(VR)提供控制和保护,此 VR 可配置为 3 相、2 相或 1 相操作。 第二个 VR 可配置为 2 相或 1 相操作。 VR 采用可编程 SVID 地址,以提供最大的灵活性来支持台式机处理器 SKU。 两个控制器输出共享一个公共串行控制总线,用于与 CPU 通信,与双芯片方法相比,可实现更低的成本和更小的电路板面积。 基于 Intersil 强大的纹波稳压器 R3™ 技术,与传统调制器相比,R3™ 调制器具有许多优势。 其中包括更快的瞬态建立时间、响应负载瞬态的可变开关频率,以及由于二极管仿真模式具有与负载相关的低开关频率而提高的轻载效率。 ISL95858 还有其他几个主要特性。 该控制器具有三个集成的 +12V 栅极驱动器,其中两个驱动器位于 VR B 输出端。 该控制器支持使用单个 NTC 热敏电阻进行 DCR 电流检测,以实现 DCR 温度补偿,或者如果需要,支持通过电阻电流检测实现更高精度的检测。 两路输出均具有远端电压检测、可编程 I MAX、可调开关频率、OC 保护和单个 VR_READY 电源正常指示器。
产品参数
| 属性 | 值 |
|---|---|
| Outputs (Max) (#) | 2 |
| Phases (Max) | 3+2 |
| Input Voltage (Min) (V) | 9 |
| Input Voltage (Max) (V) | 20 |
| Output Voltage (Max) (V) | 1.52 |
| Output Current (Max) [Rail 1] (A) | 90 |
| Bias Voltage Range (V) | 4.75 - 5.25 |
| Parametric Applications | IMVP8 |
| Qualification Level | Standard |
| Temp. Range (°C) | -10 to +100°C, -40 to +85°C |
封装选项
| Pkg. Type | Pkg. Dimensions (mm) | Lead Count (#) | Pitch (mm) |
|---|---|---|---|
| QFN | 6.0 x 6.0 x 0.90 | 52 | 0.4 |
当前筛选条件
加载中