特性
- 输入范围:+4.5V 至 +18V
- 支持 60A 直流电流
- ISL99227 兼容 3.3V 三态 PWM 输入
- ISL99227B 兼容 5.0V 三态 PWM 输入
- 下坡电流感测
- ±3% 精度电流监视器(IMON),带 REFIN 输入
- 带 OT 标记的 8mV/°C 温度监测器
- 专用低侧 FET 控制输入
- 全面故障防护,实现系统的高可靠性
- 高侧 FET 短路和过流保护
- 过温保护
- VCC 和 VIN 欠压锁定(UVLO)
- 漏极开路故障报告输出
- 高达 2MHz 的开关频率
- 符合 RoHS 规范,豁免 7a、32 Ld 5x5 PQFN
描述
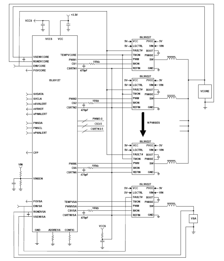
ISL99227 和 ISL99227B 是智能功率级产品,分别与瑞萨电子的 ISL68xxx/69xxx 数字多相(DMP)控制器和倍频器(ISL6617A)兼容。 ISL99227 和 ISL99227B 集成了高精度电流和温度监控器,可反馈至控制器和倍增器,形成一个完整的多相 DC/DC 系统。 这些器件移除了 DCR 传感网络设计及与其相关的热补偿来简化设计并提高性能。 通过专用的 LFET 控制引脚实现了轻载高效。 采用行业领先的热增强型 5x5 PQFN 包装,实现最小 PCB 整体面积。 ISL99227 和 ISL99227B 具有 3.3V 兼容,5.0V 兼容三态 PWM 输入,与瑞萨电子的多相 PWM 控制器配合使用,可在异常工作条件下提供可靠的解决方案。 ISL99227 和 ISL99227B 还集成了 UVLO、过热和过流故障保护功能,提高了系统性能和可靠性。 漏极开路故障报告引脚简化了 SPS 和瑞萨电子控制器之间的握手过程,可用于在启动和故障条件下禁用控制器。
产品参数
| 属性 | 值 |
|---|---|
| Output Current (Max) [Rail 1] (A) | 60 |
| Input Voltage (Min) (V) | 4.5 |
| Input Voltage (Max) (V) | 18 |
| Bias Voltage Range (V) | 5 - 5 |
| Switching Frequency (KHz) | 2 - 2 |
| Qualification Level | Standard |
封装选项
| Pkg. Type | Pkg. Dimensions (mm) | Lead Count (#) | Pitch (mm) |
|---|---|---|---|
| PQFN | 5.0 x 5.0 x 0.61 | 32 | 0.5 |
当前筛选条件
加载中