警告信息
特性
- Adaptively Controlled Soft Start-up - Fast and Smooth Start-up into Large Capacitive Loads
- Active Start-Up Circuit to Reduce Turn-On Time without Increasing No-Load Power
- Meets Department of Energy and EU's CoC, Version 5, Tier 2 External Power Supply Efficiency Standards
- Less than 50mW No-Load Power Consumption
- Intrinsically Low Noise Solution - No Audible Noise Over Entire Operating Range
- Cable Drop Compensation Options
- PrimAccurate™ - Primary-Side Control, No Optocoupler Needed
- Quasi-resonant Control for Optimal Efficiency
- EZ-EMI® Design to Easily Meet Global EMI Specifications
- Fast Dynamic Load Response
- SOIC-8 Package
- Fully Protected from Fault Conditions
- Over-temperature Protection
- Output Overvoltage and Overcurrent
- Input Undervoltage Protection
- Sense-Resistor Short Circuit Protection
描述
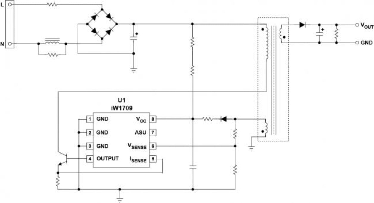
The iW1709 digital off-line controller offers fast start-up into high capacitive loads, very low standby power consumption (<50mW) and a cost-optimized BOM, working with low cost bipolar junction transistor (BJT) power devices for off-line power supplies up to 12W. By meeting the U.S. Department of Energy’s external power supply efficiency requirements and Version 5, Tier 2 of the EU’s Code of Conduct for external power supplies, the iW1709 fits ideally into home networking equipment, home appliances, wireless access points, and set-top boxes.
Integrating Renesas' PrimAccurate™ and EZ-EMI® technologies enables easy-to-design solutions and reduces BOM cost by eliminating the need for an external optical feedback isolator. The iW1709 also integrates cable drop compensation options, compensating for voltage drop in the cables and connectors, ensuring the proper voltage makes it to the load. A full complement of protection features enables robust operation in the event of a short circuit, overvoltage, input undervoltage, or over-temperature condition.
A DiaSIM™ simulation model is available for the iW1709. For more information and where to download, please visit the DiaSIM™ page.
产品参数
| 属性 | 值 |
|---|---|
| Topology Characteristic | Flyback |
| Control Mode | Primary-Side Regulation Peak Current Mode DCM |
| UVLO Rising (V) | 14.5 |
| UVLO Falling (V) | 4.5 |
| VBIAS (Max) (V) | 20 |
| PWMs (#) | 1 |
| Output Power Max (W) | 12 |
| Switching Frequency (KHz) | 72 - 72 |
| No Load Power (mW) | 50 |
| Controller / Integrated | Controller |
| Advanced Features | EZ-EMI, PrimAccurate |
| Simulation Model Available | diaSIM |
| Temp. Range (°C) | -40 to +125°C |
| Qualification Level | Standard |
封装选项
| Pkg. Type | Lead Count (#) | Pitch (mm) |
|---|---|---|
| SOIC-8 | 8 | 1.27 |
应用
- Networking Power Supplies for ADSL Modems, Wireless Access Points and Routers
- Home Appliances
- Set-Top Boxes
- DiaSIM™ Simulation Model Available
当前筛选条件