| CAD 模型: | View CAD Model |
| Pkg. Type: | SOIC-8 |
| Pkg. Code: | |
| Lead Count (#): | 8 |
| Pkg. Dimensions (mm): | |
| Pitch (mm): | 1.27 |
| Moisture Sensitivity Level (MSL) | 1 |
| Pb (Lead) Free | Yes |
| ECCN (US) | EAR99 |
| HTS (US) | 8542.39.0090 |
| Lead Count (#) | 8 |
| Carrier Type | Tape & Reel |
| Moisture Sensitivity Level (MSL) | 1 |
| Protection Features | OVP/OTP (w/ Latch), OVP, IUVP, PCL/OCP (w/ Latch), SRSC |
| Pb (Lead) Free | Yes |
| Temp. Range (°C) | -40 to +125°C |
| Advanced Features | 1% Ripple, EZ-EMI, Fast DLR, PrimAccurate |
| Application | Adapters, Chargers, Embedded, Home Appliances, Networking |
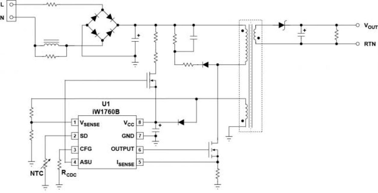
| Control Mode | Primary-Side Regulation Peak Current Mode DCM |
| Controller / Integrated | Controller |
| FET Driver Output Current (Max) (A) | 1 |
| No Load Power (mW) | 50 |
| Output Power (Min) (W) | 15 |
| Output Power Max (W) | 45 |
| PWMs (#) | 1 |
| Parametric Category | Flyback & Forward Controllers |
| Pass Device | FET |
| Pitch (mm) | 1.27 |
| Pkg. Type | SOIC-8 |
| Qty. per Reel (#) | 2500 |
| Qualification Level | Standard |
| Simulation Model Available | diaSIM |
| Switching Frequency (KHz) | 79 - 79 |
| Topology Characteristic | Flyback |
| UVLO Falling (V) | 5.5 |
| UVLO Rising (V) | 13.7 |
| VBIAS (Max) (V) | 20 |
| 已发布 | Yes |
iW1760B 在 12V 输出电压下将输出电压纹波降低至1%,将 Vcc 输入电压范围提高到 25V,并通过额外的保护功能提高稳健性,从而提高了瑞萨电子iW1760 AC/DC 控制器的性能。 iW1760B 符合美国能源部的外部电源标准和欧盟行为准则第 5 版第(第 2 阶段)标准,提供小于 50mW 的空载功耗,同时符合有源模式的最低效率要求。
iW1760B 还采用了瑞萨电子的 SmartDefender™ 智能打嗝技术,有助于解决电缆和连接器中的软短路问题。
iW1760B 与 iW1760 引脚对引脚兼容且向后兼容。