特性
- Output Power - 45W+
- Optimized to Work with iW662 to Support Multiple RapidCharge Protocols:
- Qualcomm Quick Charge 3.0
- Qualcomm Quick Charge 2.0
- XM-Comm - Proprietary Secondary-to-Primary Digital Communication via Power Transformer:
- Reduces BOM and Significantly Simplifies Design
- Handles All Rapid Charging Information
- Ultra-Low No-Load Power Consumption
- <75mW with Ample Margin at 230VAC
- <20mW with External Active Start-Up Circuit
- Robust Protection Features
- Output Overvoltage Protection or X-Cap Discharge
- Overcurrent Protection
- SD pin for external NTC Temperature Protection
- Advanced Fault Control Technology
- Helps Protect Cables and Connectors from Excessive Heat and Damage by Reducing Average Power without Needing a Latch
描述
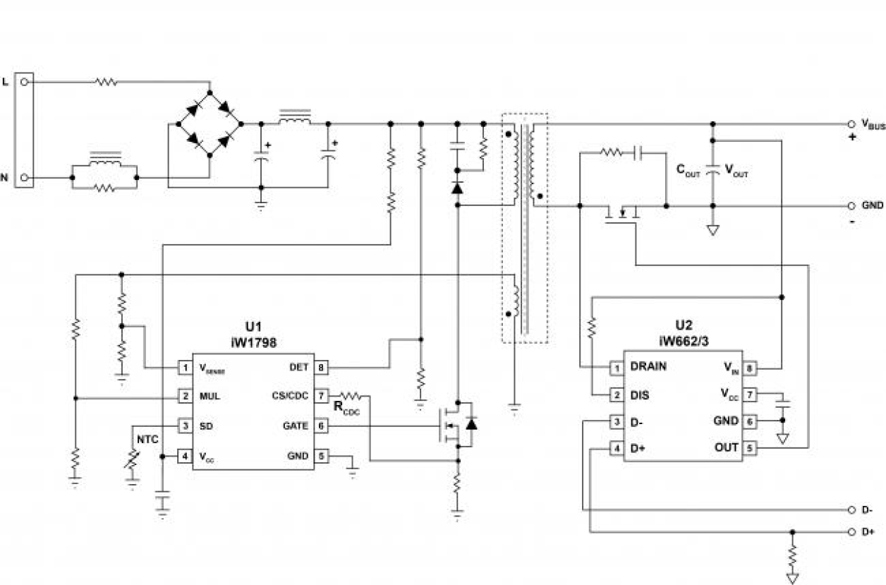
The iW1798 is a 45W output, high-performance AC/DC RapidCharge™ power supply controller that integrates Renesas' XM-Comm technology, eliminating all optocouplers from travel adapters to reduce cost and improve reliability. It supports Qualcomm® Quick Charge™ 3.0, 2.0 and other rapid charging protocols.
The iW1798 is optimized to work with Renesas' iW662 secondary-side synchronous rectifier controller and rapid charge interface IC. The secondary-side IC uses XM-Comm technology to transmit all necessary information via an optocoupler to the iW1798, including voltage requests, output current limits, output voltage undershoot, output overvoltage, and fault and reset signals.
The device offers a full array of advanced protection features, including an advanced fault protection technology that reduces power during a fault, an X-Cap discharge function to safely discharge the input capacitor when the travel adapter is unplugged, and Renesas' advanced fault control technology to address soft short circuits in charger cables and connectors without latching off the output.
Qualcomm Quick Charge is a product of Qualcomm Technologies, Inc.
产品参数
| 属性 | 值 |
|---|---|
| Topology Characteristic | PSR Flyback |
| Control Mode | Primary-Side Regulation Peak Current Mode DCM |
| UVLO Rising (V) | 21 |
| UVLO Falling (V) | 7.65 |
| VBIAS (Max) (V) | 40 |
| PWMs (#) | 1 |
| FET Driver Output Current (Max) (A) | 1 |
| Output Power Max (W) | 45 |
| Switching Frequency (KHz) | 76 - 86 |
| No Load Power (mW) | 20 |
| Controller / Integrated | Controller |
| Advanced Features | Cable Fault Protection, EZ-EMI, PrimAccurate |
| Temp. Range (°C) | -40 to +125°C |
| Qualification Level | Standard |
封装选项
| Pkg. Type | Lead Count (#) |
|---|---|
| SOIC-8 | 8 |
应用
- RapidCharge AC/DC Power Adapters for Smartphones, Tablets and Other Mobile Devices Using Qualcomm Quick Charge 3.0, 2.0 and other Protocols
当前筛选条件