跳转到主要内容
瑞萨电子 (Renesas Electronics Corporation)

特性

  • 符合拟议的强制性联邦外部电源能效标准
  • AccuSwitch™ - 集成 800V 功率双极性结型晶体管(BJT)
  • 自适应控制软启动 - 快速平稳地启动大电容负载
  • 优化后输出功率范围可达 5W
  • 轻松满足能源之星® AC-DC 电源能效规范(Rev. 2.0)
    • 空载功耗小于 30mW
  • PrimAccurate™ - 初级侧控制,无需光耦合器
  • 准谐振控制,以实现最佳效率
  • EZ-EMI™ 设计,轻松满足全球 EMI 规范
  • 64kHz PWM 开关频率
  • 故障情况下实现全面保护:
    • 过温保护
    • 输出过压和过流
    • 检测电阻短路保护

描述

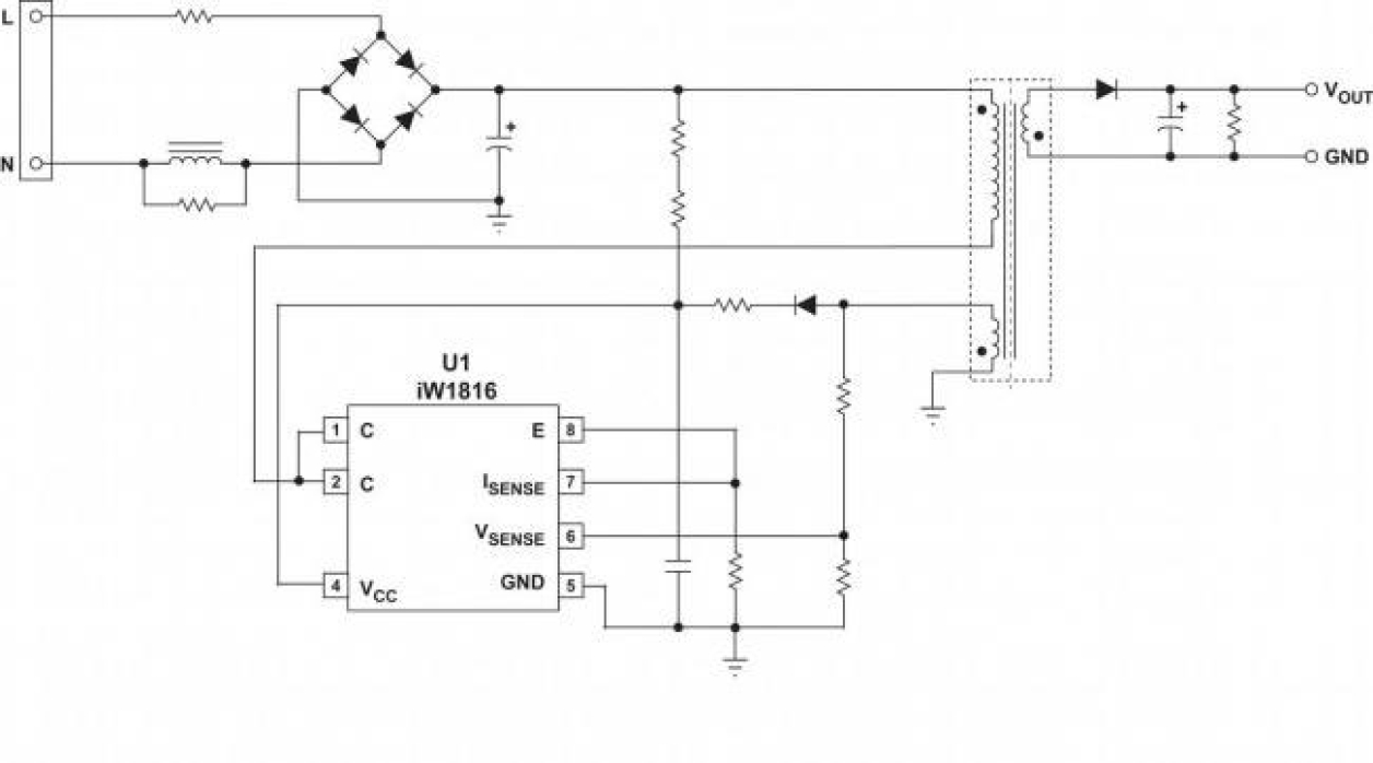
iW1816 集成了高精度控制电路,以准谐振模式工作,空载功耗低于 30mW,可轻松满足全球能效标准。

iW1816 包括一个自适应软启动电路,可在 5V 至 12V 或更高的输出电压范围内、容性负载高达 6000μF 的情况下智能控制启动,因此非常适合智能电表、家用电器和网络设备等应用。 iW1816 还集成了瑞萨电子的 PrimAccurate™ 初级侧数字控制算法,无需光耦合器即可实施完全隔离的解决方案,从而降低了成本和解决方案尺寸,且大大提高了可靠性。 其他功能包括全面保护过热、过压和过流故障以及 EZ-EMI® 设计技术,可轻松实施满足全球 EMI 规范的解决方案。

产品参数

属性
Topology CharacteristicFlyback
Control ModePrimary-Side Regulation Peak Current Mode DCM
UVLO Rising (V)11
UVLO Falling (V)4
VBIAS (Max) (V)16
PWMs (#)1
Output Power Max (W)5
Switching Frequency (KHz)64 - 64
No Load Power (mW)30
Controller / IntegratedIntegrated
Advanced FeaturesAccuSwitch, EZ-EMI, PrimAccurate
Temp. Range (°C)-40 to +125°C
Qualification LevelStandard

封装选项

Pkg. TypeLead Count (#)Pitch (mm)
SOIC-771.27

应用方框图

Zero Standby Power Wi-Fi SMPS Block Diagram
Wi-Fi 联网开关模式电源(SMPS)
支持 Wi-Fi 和低功耗蓝牙 SMPS 技术,可将高效智能家居设备的功耗维持在超低或零位水平。
The smart lock platform designed to support Aliro features NFC, Bluetooth, Wi-Fi, optional UWB connectivity, and LTE connectivity, and can be powered by disposable primary cell batteries or a li-ion battery rechargeable via NFC wireless charging.
支持 Aliro 的中档智能锁——为即将推出的新标准而设计
智能锁平台专为支持 Aliro 设计,提供安全访问并优化功耗。
9-axis industrial motor control block diagram features an MPU with dual Arm Cortex-R52 and quad Arm Cortex-A55 cores and supports major industrial Ethernet protocols.
配备以太网的 9 轴工业电机控制装置
高精度、高效率的 9 轴电机控制装置,专为机器人和工业应用而设计。
High-End Controller for Predictive Maintenance Block Diagram
支持 e-AI 的 GUI 控制器,适配家电与工业系统
支持 e-AI 的人机界面控制器可通过 AI、预测性维护和丰富的连接性实现智能控制。
Smart heat pump block diagram features a high-performance and cost-optimized dual motor control system, a pressure sensor, and Wi-Fi, Bluetooth, and optional LTE-M/NB-IoT connectivity.
智能热泵
节能热泵设计,具有高性能双电机控制和物联网连接。
Smart Heat Pump Controller Block Diagram
智能热泵控制器
智能控制器为热泵提供远程遥控、能源监控和智能家居集成。
3.6kW bidirectional digital power PFC system block diagram utilizes a high-performance Arm Cortex MCU designed to support advanced 650V GaN FETs.
数字电力系统
适用于电动汽车、能源和工业应用的高效数字电力系统。
Industrial motor control system block diagram features an MPU and MCU for mutual monitoring, power supply ICs, and delta-sigma modulators.
具备工业网络和功能性安全支持的电机控制系统
该电机控制系统集成了 MPU 和 MCU,可实现高效的工业电机控制和联网。
Motor control with resolver block diagram features resolver position control for both stepper motor systems and alternative BLDC motor systems.
带旋转变压器的电机控制
旋转变压器提高了步进和 BLDC 电机系统的电机控制精度和可靠性,并降低了成本。
AC Drive & General Purpose Inverter System Block Diagram
交流变频器和通用逆变器系统
该系统为交流驱动器和通用逆变器提供基本配置和基本组件。

其他应用

  • 智能电表
  • 电机控制
  • 网络设备
  • 家庭自动化和家用电器

当前筛选条件