跳转到主要内容

特性

  • 12W 输出
  • AccuSwitch™ 集成 1200V 电源 BJT
  • PrimAccurate™ 初级侧控制
    • 无需光耦合器
  • 智能数字控制环路,实现精确的电压交叉调节
  • 符合全球能效标准
    • 空载功耗小于 50mW
  • 准谐振控制,实现最佳效率
  • 自适应控制软启动
    • 快速、平稳地启动大电容负载(高达 6,000µF)
  • EZ-EMI™ 设计
    • 降低过滤要求
    • 轻松满足全球 EMI 规范
  • 全面保护,免受故障条件影响
    • 内置过温保护
    • 输出过压和过流保护
    • 检测电阻短路保护
  • 高效散热的 SO-10 蝙蝠翼封装

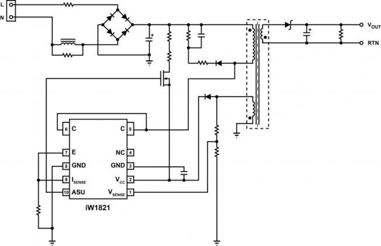
描述

iW1821 AccuSwitch™ 数字 PWM 控制器集成了高精度控制电路和 1200V 双极结型晶体管(BJT)电源开关,为输出功率高达 12W 的离线电源转换提供了完整的解决方案。

瑞萨电子的 PrimAccurate™ 初级侧数字控制算法无需使用容易故障的光耦合器,可确保出色的交叉调节精度,从而实现工业应用和电器所需的更长工作寿命、更高性能和更低成本。

该输出旨在平稳启动大型电容器,同时保持快速接通时间。 该器件以准谐振模式运行,可优化效率,并采用低功耗模式,空载功耗小于 50mW,符合全球能效规范。

产品参数

属性
Topology CharacteristicFlyback
Control ModePrimary-Side Regulation Peak Current Mode DCM
UVLO Rising (V)14.5
UVLO Falling (V)4.4
VBIAS (Max) (V)20
PWMs (#)1
Output Power Max (W)12
Switching Frequency (KHz)72 - 72
No Load Power (mW)50
Controller / IntegratedIntegrated
Advanced FeaturesAccuSwitch, EZ-EMI, PrimAccurate
Temp. Range (°C)-40 to +125°C
Qualification LevelStandard

封装选项

Pkg. TypeLead Count (#)Pitch (mm)
SO-10 Batwing101.27
SO-10 Batwing10

应用方框图

Level 2 EV Charger Block Diagram
2 级电动汽车充电器
模块化 EVSE 系统具有先进的连接性,可实现高效的 EV 充电和管理。
Level 2 EV charger wall box block diagram features an MCU with dual-flash bank operation, high-voltage AC/DC design, Wi-Fi, LTE Cat-M1, and PLC connectivity.
二级 EV 充电器壁挂式充电盒
模块化 EV 充电器设计,具有灵活的通信、OTA 更新和简化的高压电源。
3-phase smart electric meter block diagram featuring magnetic tamper-proof, high voltage operation, last gasp power source, and remote data acquisition.
三相智能电表
三相智能电表,具有远程数据访问和重负载高压运行功能。
Smart Solar Irrigation Pump Controller Block Diagram
智能太阳能灌溉泵控制器
太阳能灌溉系统提高了能源效率,减少了对电网的依赖,并实现了智能精确控制。

其他应用

  • 三相智能电表
  • 工业应用

当前筛选条件