跳转到主要内容
瑞萨电子 (Renesas Electronics Corporation)

特性

  • Integrated 0-10V Dimming Transformer Driver for 0-10V Dimming Systems
  • Analog Dimming Input Pin – Wireless Dimming System Compatible
  • Up to 120W Output Power
  • High PF (>0.95) and Low THD (<10%) Over Entire Input Voltage Range and 50-100% Load Current
  • Flickerless™ Technology
    • Eliminates Virtually All LED Flicker
    • <5% Line Frequency Ripple on the Output
  • Fast Start-up Time (<0.5s)
  • Fully Protected
    • LED Open/Short Circuit Protection
    • Single Fault Protection
    • Current Sense Resistor Short Protection
    • Input Overvoltage and Brown-Out Protection
    • Junction Sensor Based Over-Temperature Protection

描述

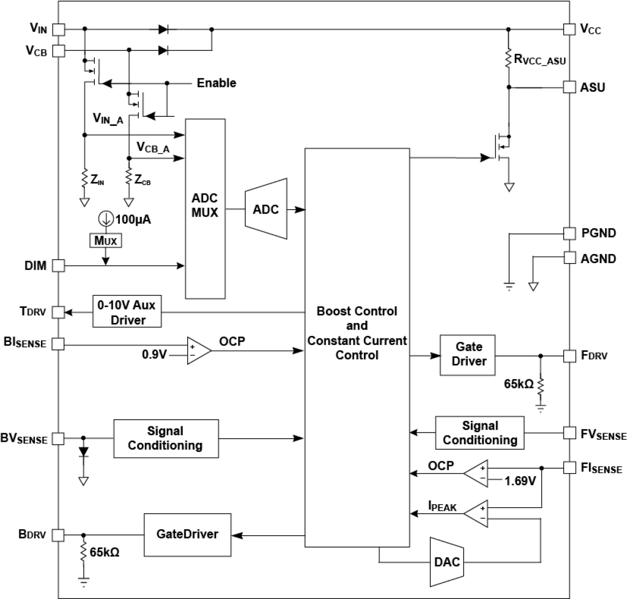
The iW3631 two-stage LED driver is a dimmable digital offline PWM controller for solid-state lighting applications up to 120W with high power factor (PF >0.95) and low THD (<10%). It features a built-in driver for isolation transformers that enables direct, 0-10V dimming without the need for an external MCU and driver circuit, reducing cost and complexity. The iW3631 can also be implemented to support a PWM dimming interface to simplify use in wireless SSL applications.

The iW3631 operates in a quasi-resonant mode to provide high efficiency and uses Renesas' PrimAccurate™ advanced primary-side sensing technology to achieve excellent line and load regulation without secondary feedback components. The digital control algorithms used by the iW3631 maintain stability over all operating conditions without the need for any external loop compensation components, minimizing the BOM cost.

The iW3631 can be paired with Renesas' iW337 3-in-1 dimming interface.

产品参数

属性
FunctionDimmable
Output Power Max (W)120
Switching Frequency (KHz)200 - 200
No Load Power (mW)300
Optimal VIN (V)120 - 277
StagesTwo-Stage
Dim Range (Min) (%)1
Dim Range (Max) (%)100
Controller / IntegratedController
Key FeaturesPrimAccurate, Flickerless
Protection FeaturesOVP, IOVP, UVLO, PCL/OCP, OTP, SRSC
Dimmer Functions SupportedAnalog Dimming, PWM Dimming, 0-10V, No Dimmer Support
Pass DeviceFET
Power Factor Correction>0.95
LED Current Accuracy (%)5
Output Power (Min) (W)5

封装选项

Pkg. TypeLead Count (#)Pitch (mm)
SOIC-14141.27
SOIC-1414

应用

  • 0-10V Dimmable LED Ballasts up to 90W
  • Dimmable LED Ballasts with Analog Input up to 90W
  • Wireless SSL Lighting Systems

当前筛选条件