特性
- Single-Stage Operation
- Output Power: 3W to 20W
- Low BOM Cost
- Uses Low-Cost, Off-the-Shelf Inductor
- Low External Component Count
- No Added Cost for Potting
- Widest Dimmer Compatibility
- TRIAC and Digital
- Automatic Detection of Dimmer Type
- Highest Performance Phase-Cut Dimming
- Excellent AC Line Distortion Immunity - Shimmer-Free Operation
- Wide Dimming Range: 1% to 100%
- Configurable Dimming Parameters
- High Power Factor (PF) >0.95
- Low Total Harmonic Distortion (THD) <20%
- Built-in, Configurable Over-Temperature Protection with Automatic Derating of LED Current
描述
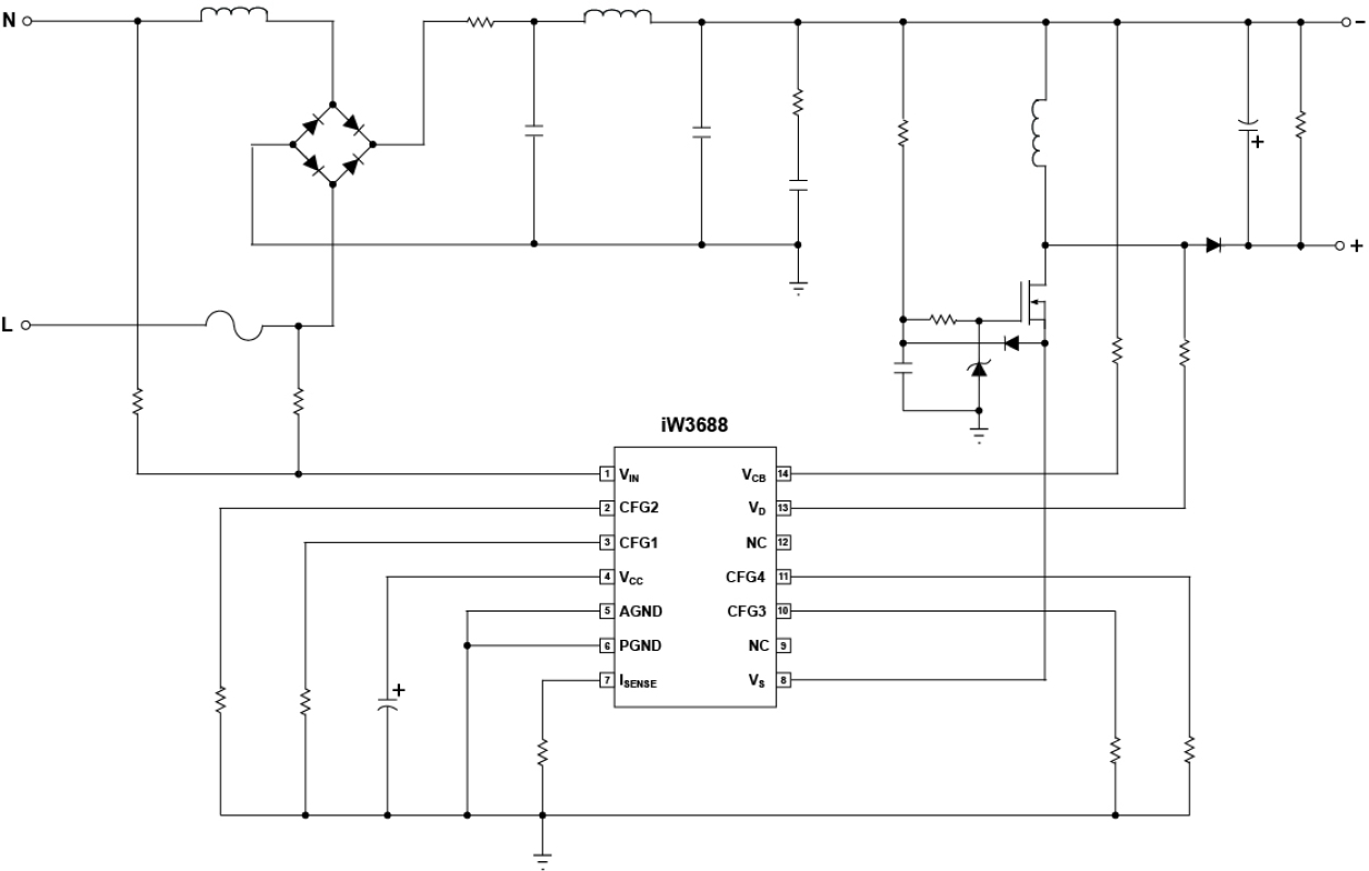
The iW3688 single-stage SSL LED driver offers smooth, flicker- and shimmer-free dimming performance and exceptional compatibility with an ultra-wide range of phase-cut dimmers, including the most challenging TRIAC and digital dimmers.
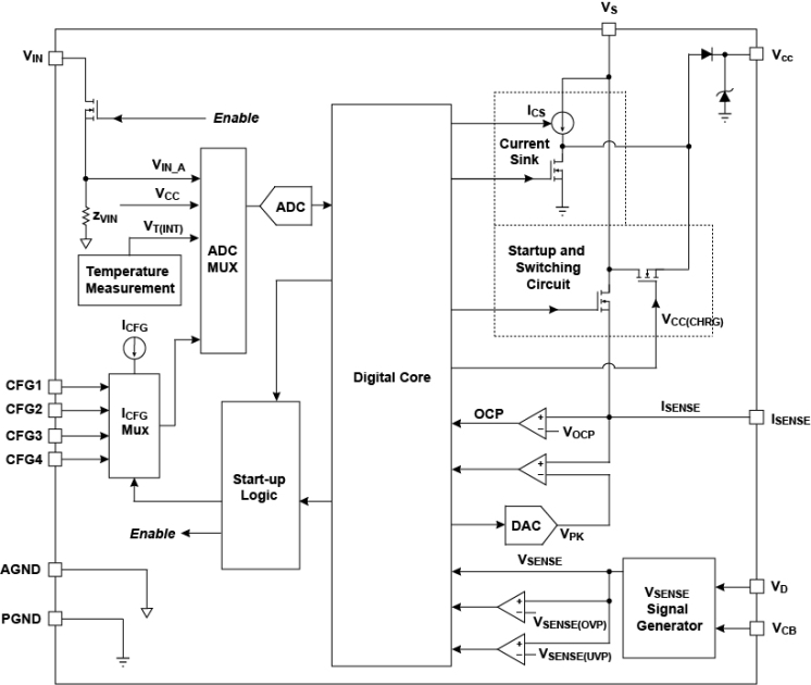
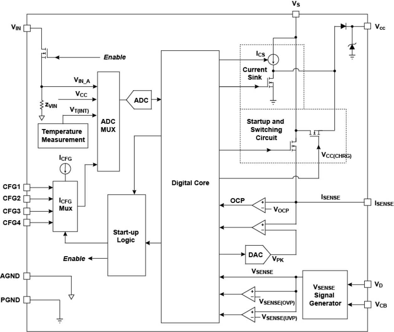
Renesas' patented digital algorithms eliminate more than 20 components, including the external bleeder circuit, enabling integrated active biasing for high-performance dimming at a lower BOM cost compared to conventional bleeder circuits. The iW3688 also works with off-the-shelf inductors to further reduce the BOM.
Full protection features include Renesas' unique over-temperature protection (OTP) derating, which monitors the temperature inside the sealed LED bulb and seamlessly reduces the drive to the LEDs if the temperature rises above a safe operating threshold, it then restores the brightness as the temperature falls. The iW3688 integrates the temperature sensor and allows the user to configure the OTP thresholds.
For higher power applications, see the iW3600 and iW3605 LED driver pages.
产品参数
| 属性 | 值 |
|---|---|
| Function | Dimmable |
| Output Power Max (W) | 14, 20 |
| Switching Frequency (KHz) | 90 - 90 |
| Optimal VIN (V) | 90 - 130, 90 - 264, 200 - 264 |
| Stages | Single-Stage |
| Dim Range (Min) (%) | 1 |
| Dim Range (Max) (%) | 100 |
| Controller / Integrated | Controller |
| Key Features | PrimAccurate, EZ-EMI |
| Protection Features | OVP, IOVP, SRSC, PCL/OCP, OTP |
| Peak Efficiency (%) | 85 |
| Dimmer Functions Supported | Leading Edge, Trailing Edge, Digital |
| Pass Device | FET |
| Power Factor Correction | >0.92 |
| LED Current Accuracy (%) | 5 |
| Output Power (Min) (W) | 1, 15 |
封装选项
| Pkg. Type | Lead Count (#) | Pitch (mm) |
|---|---|---|
| SOIC-14 | 14 | 1.27 |
应用
- Dimmable Retrofit Bulbs up to 20W: A-style, BR, candle, GU10, PAR
- External Lighting Ballast Drivers
- T8 LED Tubes
当前筛选条件