跳转到主要内容

特性

  • Single-Stage DC/DC Non-Isolated Buck Controller
  • Supports Wide DC Input Voltage with Tight Output Current Regulation (±3%)
  • Output Power up to 150W
  • Wide Output Voltage Range Support – 5V to 98% of the Input Voltage
  • High Performance Dimming
    • 0.0625% Dimming Resolution
    • 0.0625% to 100% Dimming Range
    • True DC Dimming with No Ripple Across Entire Dimming Range
    • Light-Off Mode - Completely Turn-Off LED Light at Minimum Dimming Input
  • Two DIM Pins – Supports PWM/Analog Inputs and RSET Input
    • RSET + 0-10V
    • MCU (DALI or Wireless) + 0-10V
  • Supports Constant Current (CC), Constant Voltage (CV), Constant Power (CP) Operating Modes
  • Fully Protected
    • Output Overvoltage, Output Short, Overcurrent, Peak Current Limit, Sense-Resistor Short Protection
    • Input Voltage Undervoltage and Overvoltage Protection
    • Built-In Over-Temperature Protection
  • Small SOIC 10-Lead Package

描述

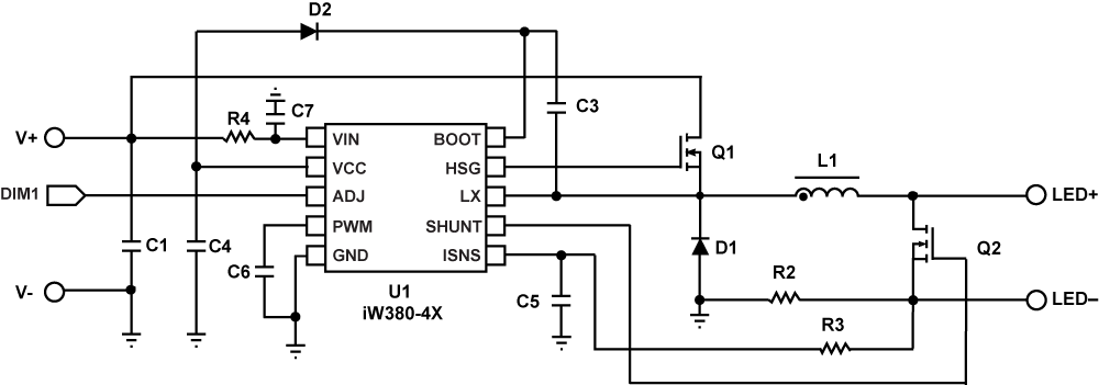
The iW380 high-resolution buck LED driver with Renesas' True DC dimming technology enables high-performance dimmable commercial lighting systems. The device works from a 65V input voltage as a second-stage converter in an AC/DC lighting system or as a stand-alone DC/DC converter. The iW380 accepts both analog (DC) or PWM dimming inputs to provide an exceptional dimming range from 0.0625% to 100% in 0.0625% steps with an integrated light-off mode. The device also works with a resistor set dimming input to offer true 3-in-1 dimmer compatibility. The iW380 supports a non-isolated buck converter topology to post-regulate from an off-line AC/DC converter, minimizing low-frequency output ripple current and eliminating virtually all flicker in the system, even down to 1%.

产品参数

属性
Function Dimmable
Output Power Max (W) 150
Switching Frequency (KHz) 400 - 400, 400 - 600, 600 - 600
Optimal VIN (V) 0 - 78, 0.0 - 78
Stages Single-Stage
Dim Range (Min) (%) 0.0625
Dim Range (Max) (%) 100
Controller / Integrated Controller
Key Features 0.0625% Dimming Resolution, DALI-2 Compliant, High-Resolution Second-Stage Buck, True DC Dimming, 0.0625% Dimming Resolution, DALI-2 Compliant, High-Resolution Second-Stage Buck, True DC Dimming, 0.0625% Dimming Resolution, DALI-2 Compliant, Optimized for Stage Lighting, Integrated MOSFET
Protection Features Input OVP, OCP, OSP, OTP, Input OVP, OCP, OSP, UVLO, OTP
Dimmer Functions Supported Analog Dimming, PWM Dimming, 0-10V
Pass Device FET
LED Current Accuracy (%) 3

封装选项

Pkg. Type Pkg. Dimensions (mm) Lead Count (#) Pitch (mm)
SOIC-10
SOIC-10 10 1
SOIC-10 10
SOIC-10 4.00 x 5.00 10 1

应用方框图

Smart Voice-Controlled Clotheshorse with Connectivity Block Diagram
智能语音控制晾衣架,支持多种连接方式
智能晾衣架系统提供多种控制方式,并具备高效电力管理,轻松晾干衣物。
Voice Activated DALI Lighting Controls Block Diagram
支持语音激活的 DALI 照明控制
单芯片 DALI 照明控制设计,具有多语言语音激活功能,并进行了功耗优化。

其他应用

  • Commercial Lighting:
    • Wireless and Intelligent LED Lighting Systems
    • DALI Lighting Systems
    • 0-10V Dimming
    • External Fixture Drivers

当前筛选条件