跳转到主要内容
瑞萨电子 (Renesas Electronics Corporation)

特性

  • 集成次级侧控制器,具有零待机功率能力
    • 次级侧调节
    • 同步整流控制器一体化
    • NFET 驱动程序,用于断开连接功能
    • 零待机功耗(ZSP)模式
  • 支持高达 7A 的电流,21V 输出电压
  • TDFN-14封装,支持单面 PCB 设计,以实现低成本电源
  • 智能待机电源模式
    • iW9860iW9870 配对时,待机功率为零(<5mW)
    • iW9861 配对时,待机功率<20mW
  • 内置数字环路补偿,可减少外部元件数量
  • 支持 DCM 和 CCM 模式
  • 为以下方面提供充分保护:
    • 过压(OVP)
    • 过流(OCP)
    • 用户可配置过温

描述

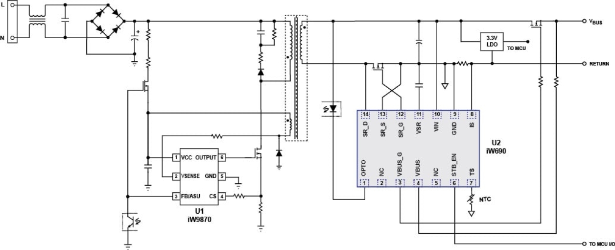
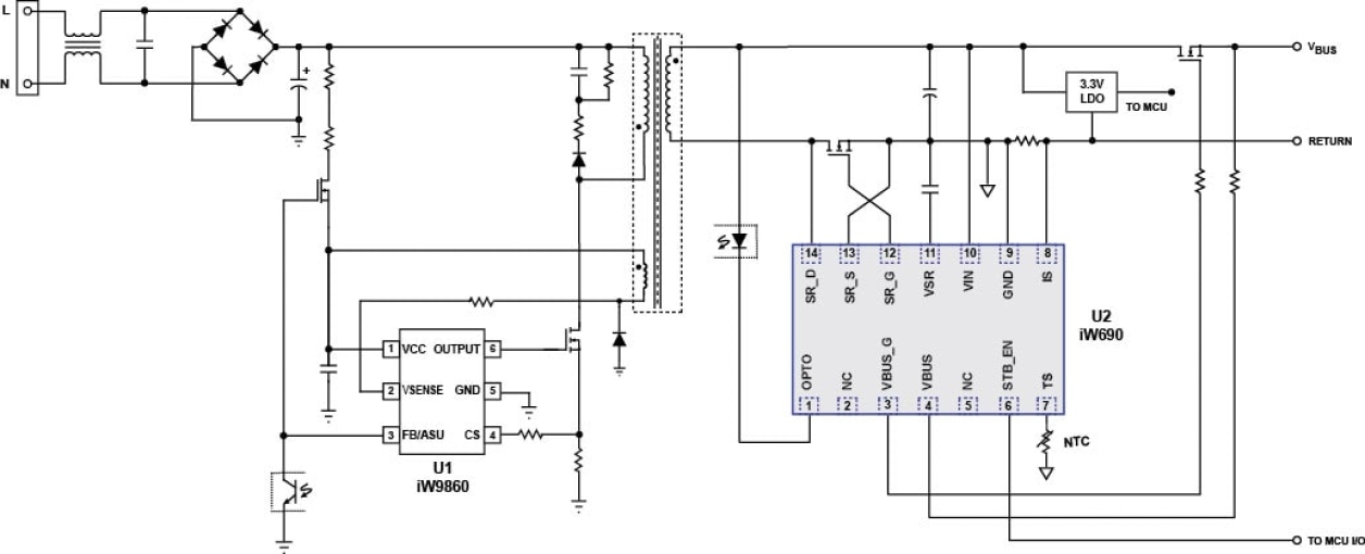
iW690 集结了同步整流器(SR)控制器、次级侧调节控制器和独特的零待机功耗模式,用于提供高达 140W 的电源,具有出色的有源模式效率和空载时的零待机功率能力。 ZSP 模式将 iW690 置于超低功耗模式,对于长时间不操作的系统,电源功耗将降低到 < 5mW。反过来,iW690 传输到兼容 ZSP 的初级侧控制器(iW9860iW9870),使该装置也进入超低待机功耗模式,将总功耗降低到 < 5mW,并且在关闭 ZSP 模式后立即可用。

iW690 支持自适应 SR 控制和驱动以实现最佳效率,并驱动n通道断开开关,在零待机电源模式下断开电源与输出的连接,使降低功耗的解决方案成本低且易于设计。 全数字电压补偿,无需外部无源元件进行环路补偿。

产品参数

属性
FunctionIntegrated Regulation, Synchronous Rectifier Controller

封装选项

Pkg. TypePkg. Dimensions (mm)Lead Count (#)
TDFN-14L3 x 4 x 0.7514

应用

  • 用于电视、显示器、电器的零待机电源 AC/DC 电源

当前筛选条件