跳转到主要内容
瑞萨电子 (Renesas Electronics Corporation)

特性

  • 高开关频率
    • 更轻、更小的变压器
    • 无源元件更小,更易于控制 EMI
  • 获得专利的自适应 ZVS 控制,可实现高效率和低 EMI
    • 高效回收能源,最大限度地减少热量产生
    • 效率高达 94%
    • 简化散热管理过程并减小散热器尺寸
  • 用户可配置的 ZVS 时序可优化不同功率 MOSFET 的性能
  • 自适应无缝多模式控制(MMC)可提高效率并消除可闻噪声
  • 兼容驱动氮化镓器件
  • 交流拔插检测和 X-cap 放电
  • 为以下方面提供充分保护:
    • 过压(OVP)
    • 过流(OCP)
    • 用户可配置过温
    • 击穿
    • 过压保护/欠压保护
    • V感应/I感应短路
    • 输出短路
    • 额外的初级侧过流保护(OCP)和过压保护(OVP)(如果光耦合器发生故障)
  • 智能、环保的低待机功率 <20mW
  • 支持带 PPS 的 USB Power Delivery 3.0(iW709
  • 硬连线状态机解决方案可防止快速充电器被黑客入侵。 了解更多信息,请参阅“RapidCharge™ 控制器防止快速充电器黑客攻击”博客

描述

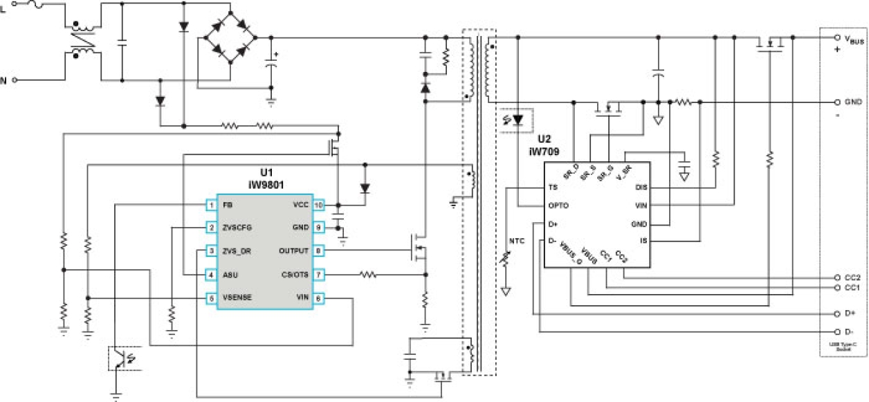
iW9801 数字 AC/DC 控制器集成了瑞萨电子的专利自适应 零电压开关(ZVS)技术 ,可为智能手机、平板电脑、笔记本电脑、电动工具和其他便携式产品提供超小型、轻便、低成本且易于携带的电源。 该设备工作在高开关频率下,因此变压器和无源元件的体积更小,并支持带可编程电源(USB-PD PPS)的 USB Power Delivery 3.0 及其他 RapidCharge 协议,输出功率高达 100W。

iW9801 与瑞萨电子的 iW709 次级侧 IC 配对,该 IC 集成了快速充电协议支持、USB Type-C 控制和同步整流 FET 控制。 这套芯片组合提供了完整的高功率密度 AC/DC 充电解决方案,效率高达 94%,并具有先进的保护功能,可在小型物理充电器中实现安全、低温运行的高功率充电。

了解有关瑞萨电子专利自适应ZVS 技术的更多信息。

产品参数

属性
Topology CharacteristicFlyback
Control ModeZVS, Peak Current Mode DCM
UVLO Rising (V)20
UVLO Falling (V)7
VBIAS (Max) (V)43
PWMs (#)1
FET Driver Output Current (Max) (A)1
Output Power Max (W)100
Switching Frequency (KHz)95 - 130
No Load Power (mW)20
Controller / IntegratedController
Advanced FeaturesCable Fault Protection, Direct Charge, PrimAccurate
Temp. Range (°C)-40 to +125°C
Qualification LevelStandard

封装选项

Pkg. TypePkg. Dimensions (mm)Lead Count (#)Pitch (mm)
SOIC-10101
SOIC-1010
SOIC-104.00 x 5.00101

应用方框图

Wireless Smart Blind Controller Block Diagram
无线智能百叶窗控制器
具有 GaN 电源和灵活的 Wi-Fi 或蓝牙 LE 的 Matter 兼容智能百叶窗,可实现无缝集成。
Low-Cost USB-C & USB PD 100W Power Supply with Multiple Outputs
100W/140W USB-C 和 USB PD 电源
具有多路输出、更高效率和高性价比设计的 USB-C 和 USB PD 电源。
High Efficiency 140W USB-C Power Supply Block Diagram
高效ZVS 140W USB-C电源
140W USB-C 电源,支持 SuperGaN、自适应 ZVS、智能 PFC,以及 28V/5A 的高效。
The AC/DC adapter block diagram features a zero‑voltage switching controller and SuperGaN FETs, and the design is compliant with USB PD EPR, delivering 240 W output.
240W USB PD AC/DC 适配器
高效 240W AC/DC 适配器,配备 USB PD 3.2 EPR 输出接口。

其他应用

  • 低成本、超小型、轻量级 RapidCharge AC/DC 电源和适配器,适用于智能手机、平板电脑、笔记本电脑、电动工具和其他使用 USB PD 的便携式设备

当前筛选条件