跳转到主要内容
瑞萨电子 (Renesas Electronics Corporation)
替代产品
NRND - No Recommended Replacements Available - NRND
  • Notes:KAD5512HP-25 is not recommended for new designs and has no alternative product available.

特性

  • Pin-compatible with the KAD5512P Family, offering 2.2dB higher SNR
  • Programmable gain, offset and skew control
  • 950MHz analog input bandwidth
  • 60fs Clock jitter
  • Over-range indicator
  • Selectable clock divider: ÷1, ÷2 or ÷4
  • Clock phase selection
  • Nap and sleep modes
  • Two's complement, gray code or binary data format
  • DDR LVDS-compatible or LVCMOS outputs
  • Programmable built-in test patterns
  • Single-supply 1.8V operation
  • Pb-free (RoHS compliant)
  • SNR = 68.2dBFS for fIN = 105MHz (-1dBFS)
  • SFDR = 81.1dBc for fIN = 105MHz (-1dBFS)
  • Power Consumption
  • 429/345mW at 250/125MSPS (SDR Mode)
  • 390/309mW at 250/125MSPS (DDR Mode)

描述

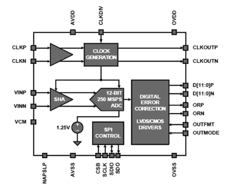
The KAD5512HP is the high performance member of the KAD5512 family of 12-bit analog-to-digital converters. Designed with Intersil’s proprietary FemtoCharge™ technology on a standard CMOS process, the family supports sampling rates of up to 250MSPS. The KAD5512HP is part of a pin-compatible portfolio of 10, 12 and 14-bit A/Ds with sample rates ranging from 125MSPS to 500MSPS. A Serial Peripheral Interface (SPI) port allows for extensive configurability, as well as fine control of various parameters such as gain and offset. Digital output data is presented in selectable LVDS or CMOS formats. The KAD5512HP is available in 72 and 48 Ld QFN packages with an exposed paddle. Operating from a 1. 8V supply, performance is specified across the full industrial temperature range (-40°C to +85°C).

产品参数

属性
Resolution (bits)12
Channels (#)1
Conversion Rate (Max) (kSPS)250000
Input BW (MHz)950
Power Consumption (mW)429
SFDR (dB) (dB)86.4
SNR (dbFS)68.3
InterfaceLVDS/LVCMOS
Supply Voltage (V)1.8 - 1.8
Digital Supply Voltage (V)1.8 - 1.8
Differential NonLinearity LSB0.75
Integral NonLinearity LSB2
Input VIN ((VPP, differential))1.47
Qualification LevelStandard

封装选项

Pkg. TypePkg. Dimensions (mm)Lead Count (#)Pitch (mm)
QFN10.0 x 10.0 x 0.90720.5

应用

  • Power Amplifier Linearization
  • Radar and Satellite Antenna Array Processing
  • Broadband Communications
  • High-Performance Data Acquisition
  • Communications Test Equipment
  • WiMAX and Microwave Receivers

当前筛选条件