跳转到主要内容
瑞萨电子 (Renesas Electronics Corporation)

特性

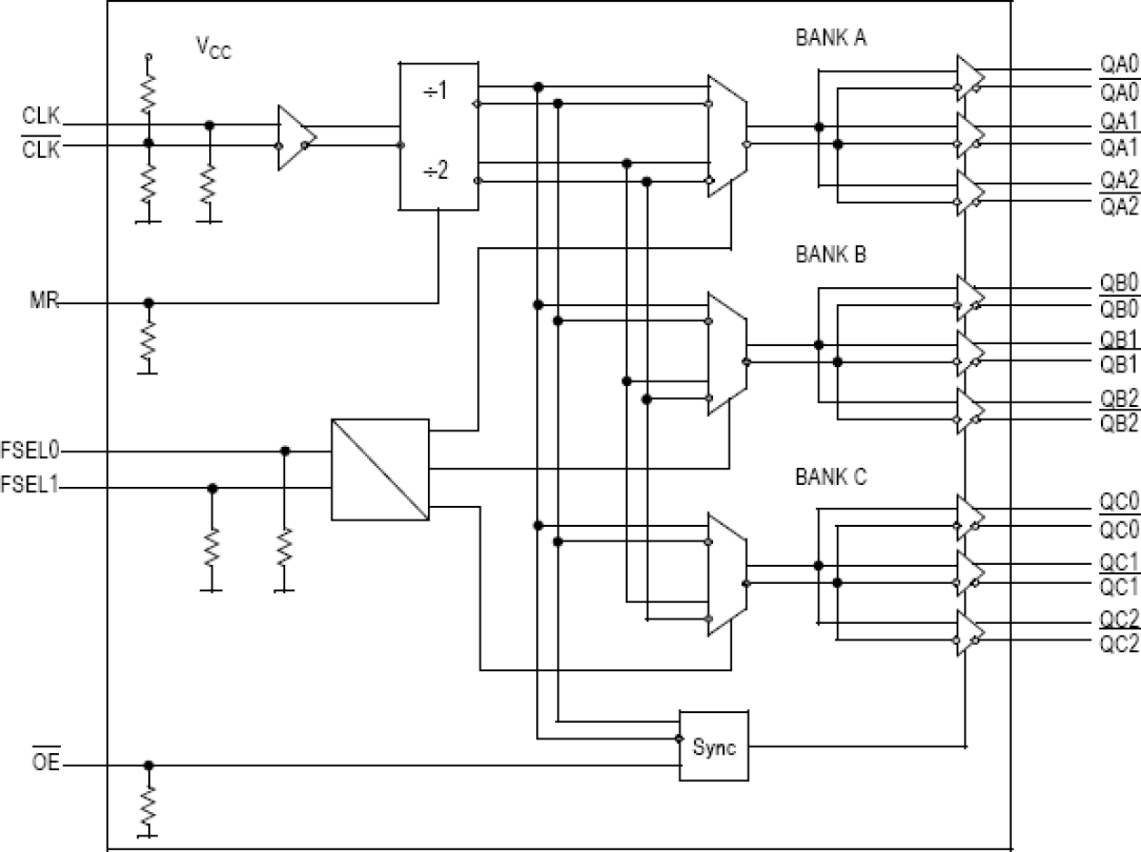
  • Fully differential architecture from input to all outputs
  • SiGe technology supports near-zero output skew
  • Selectable 1:1 or 1:2 frequency outputs
  • LVPECL compatible differential clock inputs and outputs
  • LVCMOS compatible control inputs
  • Single 3.3 V or 2.5 V supply
  • Max. 35 ps maximum output skew (within output bank)
  • Max. 50 ps maximum device skew
  • Supports DC operation and up to 3 GHz (typ.) clock signals
  • Synchronous output enable eliminating output runt pulse generation and metastability
  • Standard 32-lead LQFP package
  • Industrial temperature range
  • 32-lead Pb-free package available

描述

MC100ES6226 is designed for very skew critical differential clock distribution systems and supports clock frequencies from DC up to 3.0 GHz. Typical applications for the MC100ES6226 are primary clock distribution systems on backplanes of high-performance computer, networking and telecommunication systems, as well as on-board clocking of OC-3, OC-12 and OC-48 speed communication systems. The MC100ES6226 can be operated from a 3.3 V or 2.5 V positive supply without the requirement of a negative supply line. Each of the output banks of three differential clock output pairs may be independently configured to distribute the input frequency or half of the input frequency. The FSEL0 and FSEL1 clock frequency selects are asynchronous control inputs. Any changes of the control inputs require a MR pulse for resynchronization of the ÷2 outputs.

当前筛选条件