跳转到主要内容
Dual 1 to 8 Buffalo™ Clock Driver

封装信息

CAD 模型:View CAD Model
Pkg. Type:QSOP
Pkg. Code:PCG28
Lead Count (#):28
Pkg. Dimensions (mm):9.9 x 3.8 x 1.47
Pitch (mm):0.64

环境和出口类别

Moisture Sensitivity Level (MSL)1
Pb (Lead) FreeYes
ECCN (US)EAR99
HTS (US)8542.39.0090

产品属性

Lead Count (#)28
Carrier TypeTube
Moisture Sensitivity Level (MSL)1
Qty. per Reel (#)0
Qty. per Carrier (#)48
Pb (Lead) FreeYes
Pb Free Categorye3 Sn
Temp. Range (°C)0 to 70°C
Core Voltage (V)3.3
FunctionBuffer
Input Freq (MHz)200
Input TypeLVCMOS
Inputs (#)2
Length (mm)9.9
MOQ144
Output Banks (#)2
Output Freq Range (MHz)200
Output Skew (ps)250
Output TypeLVCMOS
Output Voltage (V)2.5V, 3.3V
Outputs (#)16
Package Area (mm²)37.6
Pitch (mm)0.64
Pkg. Dimensions (mm)9.9 x 3.8 x 1.47
Pkg. TypeQSOP
Requires Terms and ConditionsDoes not require acceptance of Terms and Conditions
Tape & ReelNo
Thickness (mm)1.47
Width (mm)3.8
已发布No

描述

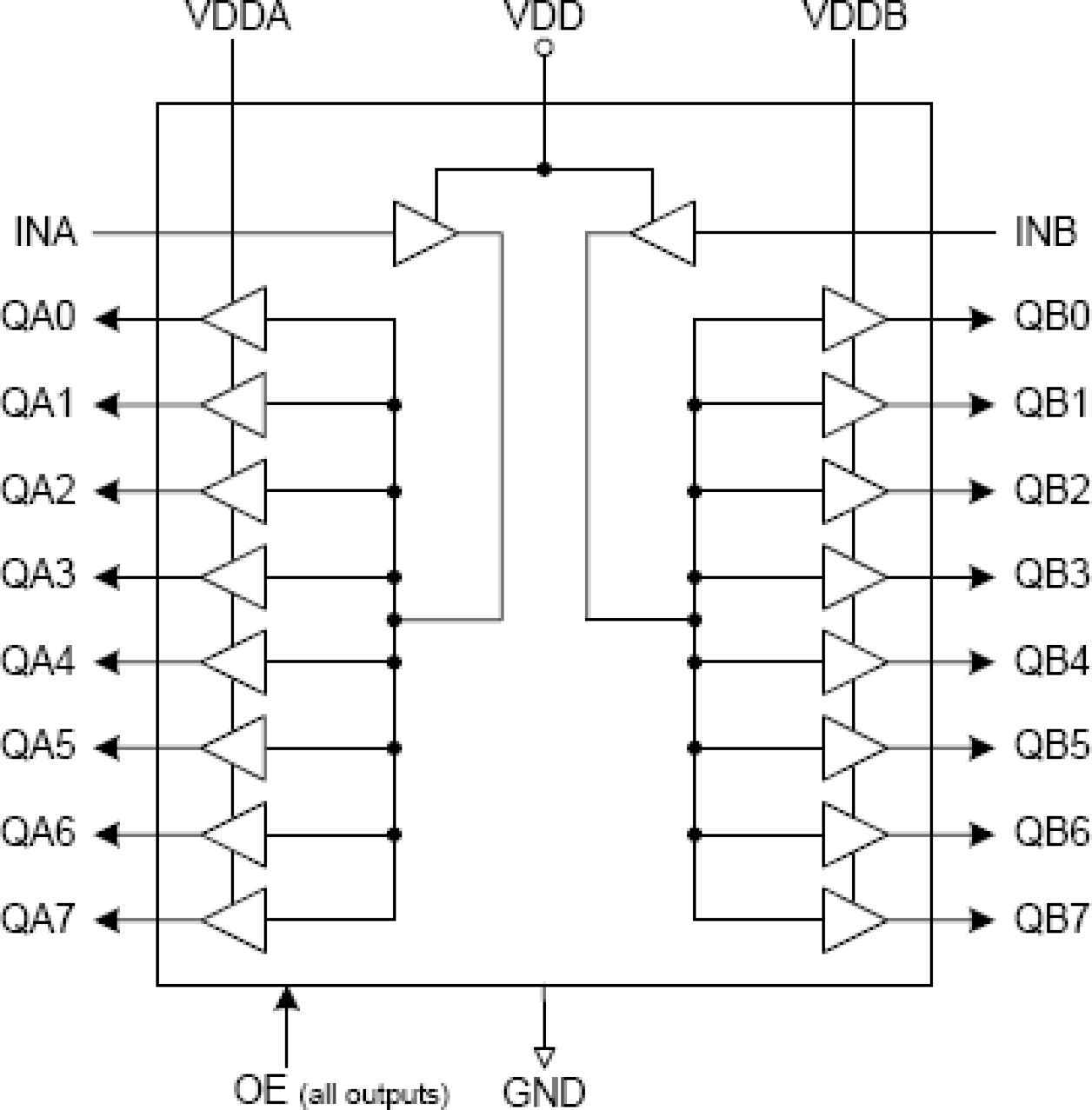
The MK74CB218B Buffalo™ is a monolithic CMOS high speed clock driver. It consists of two identical single input to eight low-skew output, non-inverting clock drivers. This eliminates concerns of part to part matching in many systems. The MK74CB218B is packaged in the tiny 28-pin SSOP, which uses the same board space as the narrow 16-pin SOIC. The inputs can be connected together for a 1 to 16 fanout buffer. A quad 1 to 4, and PECL versions, are also available. Consult IDT for more details. The MK74CB218B can also act as a voltage translator, since it is possible to run the inputs at 3.3 V and the outputs at 2.5 V.