| CAD 模型: | View CAD Model |
| Pkg. Type: | TQFP |
| Pkg. Code: | PRG32 |
| Lead Count (#): | 32 |
| Pkg. Dimensions (mm): | 7.0 x 7.0 x 1.4 |
| Pitch (mm): | 0.8 |
| Moisture Sensitivity Level (MSL) | 3 |
| Pb (Lead) Free | Yes |
| ECCN (US) | EAR99 |
| HTS (US) | 8542.39.0090 |
| Lead Count (#) | 32 |
| Carrier Type | Reel |
| Moisture Sensitivity Level (MSL) | 3 |
| Core Voltage (V) | 3.3V, 2.5V |
| C-C Jitter Max P-P (ps) | 50 |
| Input Type | LVPECL |
| Output Voltage (V) | 3.3V, 2.5V |
| Qty. per Reel (#) | 2000 |
| Qty. per Carrier (#) | 0 |
| Pb (Lead) Free | Yes |
| Pb Free Category | e3 Sn |
| Temp. Range (°C) | 0 to 70°C |
| Diff. Input Signaling | 3.3, 2.5 |
| Function | Zero-Delay Buffers |
| Input Freq (MHz) | 50 - 200 |
| Inputs (#) | 1 |
| Length (mm) | 7 |
| MOQ | 2000 |
| Multiply/Divide Value | 1 |
| Output Banks (#) | 1 |
| Output Freq Range (MHz) | 50 - 200 |
| Output Signaling | LVCMOS |
| Output Skew (ps) | 150 |
| Output Type | LVCMOS |
| Outputs (#) | 17 |
| Package Area (mm²) | 49 |
| Pitch (mm) | 0.8 |
| Pkg. Dimensions (mm) | 7.0 x 7.0 x 1.4 |
| Pkg. Type | TQFP |
| Reel Size (in) | 13 |
| Requires Terms and Conditions | Does not require acceptance of Terms and Conditions |
| Supply Voltage (V) | 3.3 - 3.3 |
| Tape & Reel | Yes |
| Thickness (mm) | 1.4 |
| VCO Max Freq (MHz) | 200 |
| VCO Min Freq (MHz) | 50 |
| Width (mm) | 7 |
| 已发布 | No |
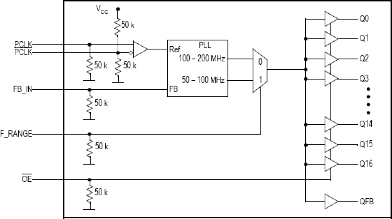
The MPC961 is a 2.5V or 3.3V compatible, 1:18 PLL based zero delay buffer. With output frequencies of up to 200MHz, output skews of 150ps the device meets the needs of the most demanding clock tree applications.