特性
- N-channel FET switches with no parasitic diode to VCC
- Isolation under power-off conditions
- No DC path to VCC or GND
- 5V tolerant in OFF and ON state
- 5V tolerant I/Os
- Low RON - 4Ω typical
- Flat RON characteristics over operating range
- Rail-to-rail switching 0V to 5V
- Bidirectional dataflow with near-zero delay: No added ground bounce
- Excellent RON matching between channels
- VCC operation: 2.3V to 3.6V
- High bandwidth - Up to 500MHz
- LVTTL-compatible control Inputs
- Undershoot clamp diodes on all switch and control Inputs
- Low I/O capacitance, 4pF typical
- Available in a 24-pin QSOP package
描述
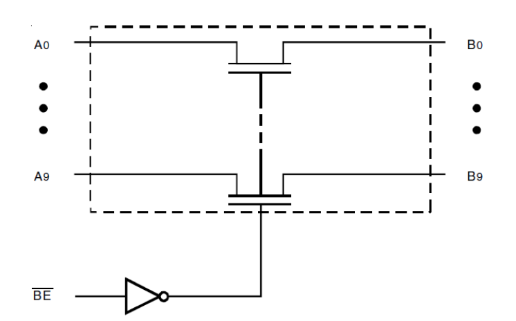
The QS3VH861 HotSwitch with 10-bit flow-through pinout is a high bandwidth bus switch with very low ON-resistance, resulting in under 250ps propagation delay through the switch. The combination of near-zero propagation delay, high OFF impedance, and overvoltage tolerance makes the QS3VH861 ideal for high-performance communications applications. The QS3VH861 operates from -40 °C to +85 °C.
产品参数
| 属性 | 值 |
|---|---|
| Function | Bus Switch (Flow-through) |
| Pkg. Code | PCG24 |
| Temp. Range (°C) | -40 to 85°C |
| Bus Width (bits) | 10 |
| Core Voltage (V) | 3.3 |
| On Resistance (Ω) | 5 |
| Speed Grade | Standard |
封装选项
| Pkg. Type | Pkg. Dimensions (mm) | Lead Count (#) | Pitch (mm) |
|---|---|---|---|
| QSOP | 8.7 x 3.8 x 1.47 | 24 | 0.64 |
应用
- Hot-swapping
- 10/100 Base-T, Ethernet LAN switch
- Low distortion analog switch
- Replaces mechanical relay
- ATM 25/155 switching
当前筛选条件
加载中