特性
- Single 2.7V ~ 3.6V power supply
- Small stand-by current: 1µA (3.0V, typical)
- No clocks, No refresh
- All inputs and outputs are TTL compatible.
- Easy memory expansion by CS#, LB#, and UB#
- Common Data I/O
- Three-state outputs: OR-tie capability
- OE# prevents data contention on the I/O bus
描述
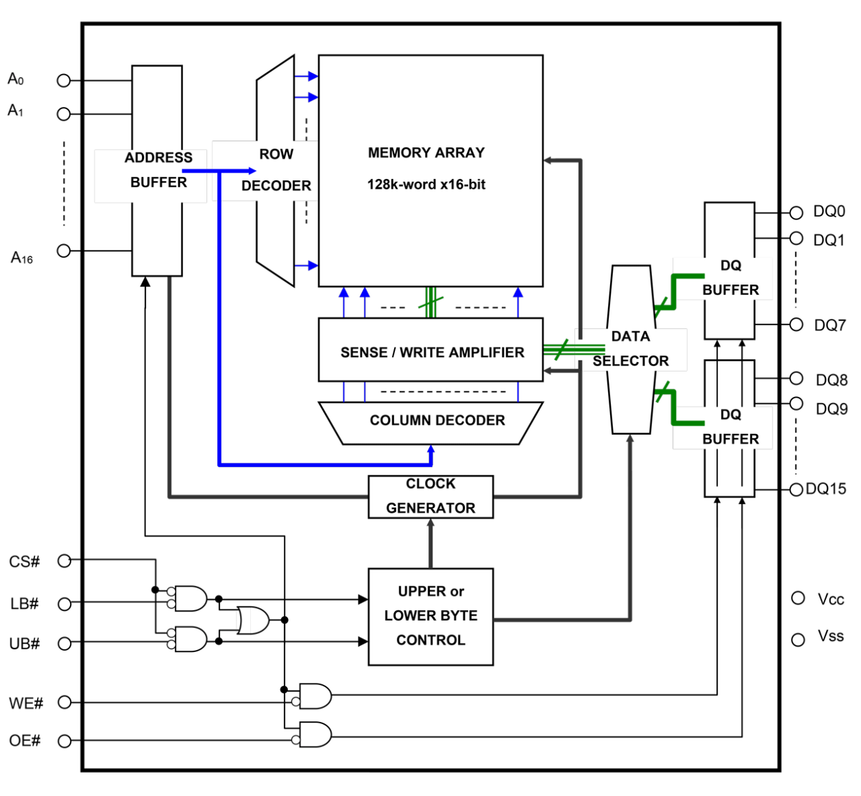
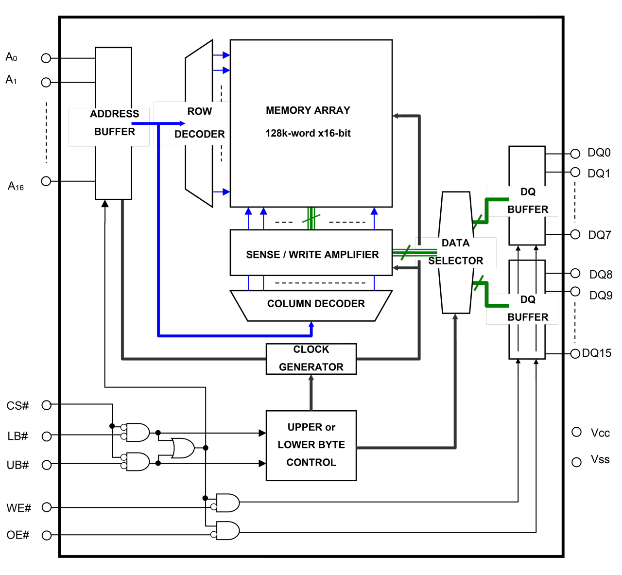
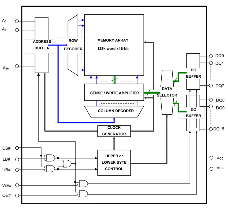
The R1LV0216BSB is a low-voltage 2-Mbit static RAM organized as 131, 072-word by 16-bit, fabricated by Renesas' high-performance 0.15µm CMOS and TFT technologies. The R1LV0216BSB realizes higher density, higher performance, and low-power consumption. The device is suitable for memory applications where simple interfacing, battery operation, and battery backup are the important design objectives. The R1LV0216BSB is packaged in a 44-pin TSOP.
产品参数
| 属性 | 值 |
|---|---|
| Memory Density | 2 |
| Organization | 128K x 16 |
| Access Time (ns) | 55 |
| Supply Voltage (V) | 2.7 - 3.6 |
| Temp. Range (°C) | -40 to +85 |
封装选项
| Pkg. Type | Pkg. Dimensions (mm) | Lead Count (#) | Pitch (mm) |
|---|---|---|---|
| TSOP(44) | 18 x 10 x 1.2 | 44 | 0.8 |
当前筛选条件