跳转到主要内容
瑞萨电子 (Renesas Electronics Corporation)

特性

  • Dual independent MOSFET driver suitable for multi-phase DC/DC applications
  • Dual MOSFET drives for synchronous rectified bridge
  • Advanced adaptive zero shoot-through protection
  • Low standby bias current
  • 36V internal bootstrap switcher
  • Bootstrap capacitor overcharging prevention
  • Integrated high-side gate-to-source resistor to prevent self turn-on due to high input bus dV/dt
  • Pre-POR overvoltage protection for start-up and shutdown
  • Power rail undervoltage protection
  • Expandable bottom copper pad for enhanced heat sinking
  • Thin Dual Flat No-lead (TDFN) package
  • Near chip-scale package footprint; improves PCB efficiency and thinner in profile
  • Pb-free (RoHS compliant)

描述

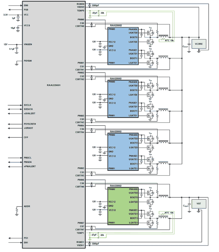
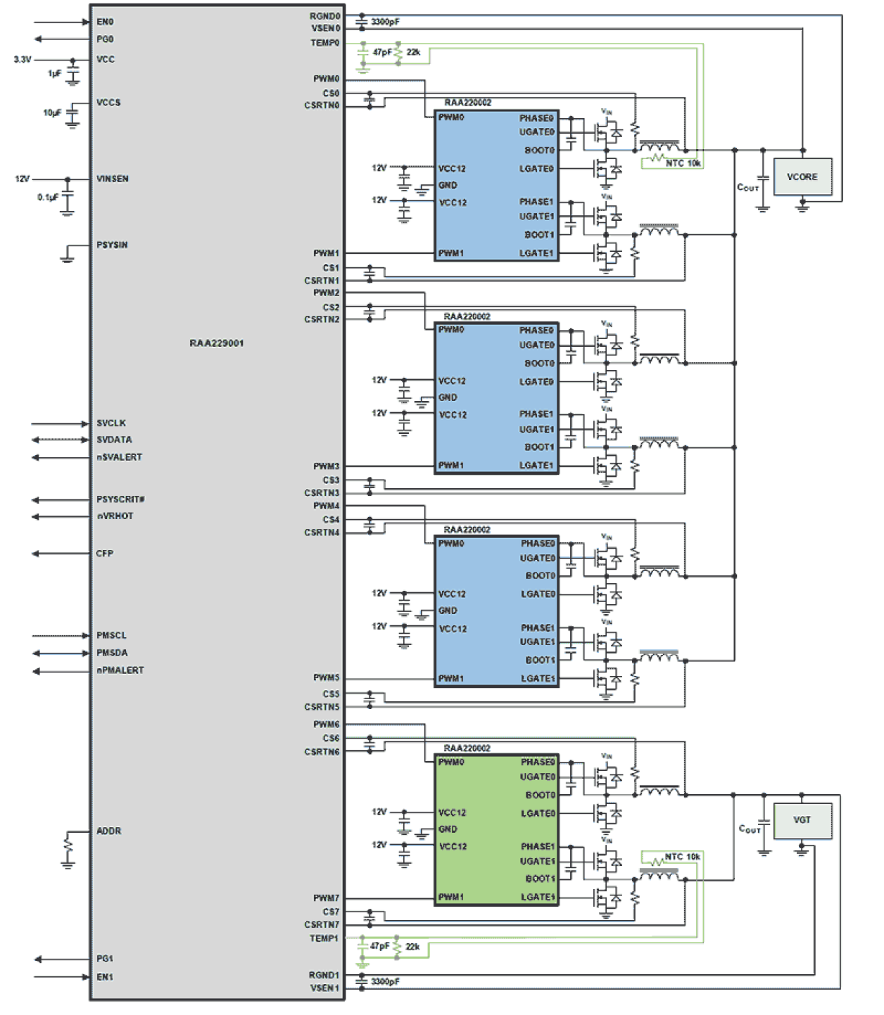
The RAA220002 is a dual high frequency MOSFET driver designed to drive upper and lower power N-channel MOSFETs in a synchronous rectified buck converter topology. The RAA220002's upper and lower gates are both driven to an externally applied voltage, which provides the ability to optimize applications involving trade-offs between gate charge and conduction losses. An advanced adaptive shoot-through protection is integrated to prevent both the upper and lower MOSFETs from conducting simultaneously and to minimize dead time. The RAA220002 has a 10kΩ integrated high-side gate-to-source resistor to prevent self turn-on due to high input bus dV/dt. The RAA220002's overvoltage protection feature is operational while VCC is below the POR threshold. The PHASE node is connected to the gate of the low-side MOSFET (LGATE) through a 30kΩ resistor, limiting the output voltage of the converter close to the gate threshold of the low-side MOSFET. This is dependent on the current being shunted, which provides some protection to the load if the upper MOSFET(s) becomes shorted.

产品参数

属性
Qualification LevelStandard
Temp. Range (°C)-40 to +85°C

封装选项

Pkg. TypePkg. Dimensions (mm)Lead Count (#)Pitch (mm)
TDFN3.0 x 3.0 x 0.75120.4

当前筛选条件