跳转到主要内容
瑞萨电子 (Renesas Electronics Corporation)

特性

  • ASIL-D ISO 26262 开发流程
  • VIN 工作范围 4.0V 至 42V
    • 启动范围:4.5V 至 42V
  • 固定开关频率:2.2MHz可选伪随机扩频
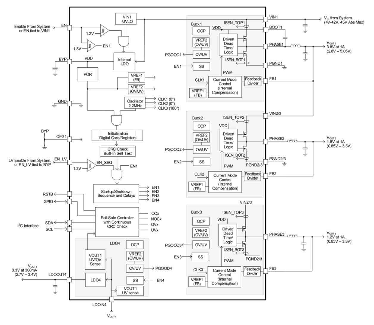
  • 三个带内部补偿的同步降压稳压器和一个 LDO
    • 降压 1 输出范围:2.8V 至 5.05V,最高 1A
    • 降压 2/3 输出范围:0.85V 至 3.3V,最高 1A
    • LDO 4 输出范围:2.7V 至 3.4V,最高 300mA
  • OTP UV/OV 阈值:±4%、±6%、±8%、±12%
  • OTP 电源升/降顺序及延迟
  • 降压 2、降压 3 和 LDO 4 上的可选输出放电
  • 可配置的 GPIO 引脚
  • 双 EN 引脚
  • 保护特性
    • 输入电压 UVLO
    • 输出 OV/UV
    • 内部和输出 LDO 上的过流保护
    • 过温关断
  • 功能安全特性
    • 内置加电自检 (BIST)
    • 双带隙/参考链
    • 降压 1 输出的独立 UV/OV 检测路径
    • 可配置窗口看门狗定时器(WWDT)
    • OTP 影子寄存器的连续 CRC 检查
    • 受 CRC 保护的 I2C 通信
    • 可配置的故障管理器
  • 符合 AEC-Q100 标准,1 级:-40 °C 至 +125°C(TJ = 150 °C)

描述

RAA271082 是一款多功能多轨电源集成电路,由一个初级高压同步降压稳压器、两个次级低压同步降压稳压器和一个 LDO 稳压器组成。 该集成电路提供四个过压和欠压监控器、I2C 通信、一个通用 I/O 引脚和一个专用复位输出/故障指示器。 RAA271082 采用 ASIL-D ISO 26262 开发流程设计,旨在满足 ASIL-B 设备指标。 RAA271082 包括用于 OV/UV 监视器的第二个带隙基准、上电时的内置自检、独立的 OV/UV 监控以及对内部寄存器和 I2C 通信的连续 CRC 错误检查。

RAA271082 只需极少的外部元件和极小的电路板空间,即可提供高密度电源解决方案。 该集成电路采用内部一次性可编程 (OTP) 存储器配置,具有广泛的功能集。 几乎所有器件选项(如每个输出电压选择、电源排序和 OV/UV 阈值)均在内部配置中,无需外部元件进行选择。 稳压器还提供内部补偿。 降压稳压器是以同步来实现高效率,并且能够在要求高环境温度的恶劣环境中工作。

RAA271082 采用 4mm x 4mm 24 引脚阶梯切割 QFN(SCQFN) 封装,带有外露焊盘,散热性能更佳。 符合 AEC-Q100 1 级标准,可在 -40 °C 至 125 °C 的环境温度范围内工作,电气特性额定结温范围为 -40 °C 至 150 °C。

产品参数

属性
Qualification LevelAutomotive
Product TypeMCU
Processor SupplierRenesas
Processor NameRH850 P1M
Total step-down DC/DC converter channels (#)4
Step-up DC/DC converter Channels (#)0
Input Voltage (Min) (V)4
Input Voltage (Max) (V)42
Bus Voltage (Max) (V)42
Output Current Max (A)1
Outputs (#)4
Function4-ch PMIC
Comm. InterfaceI2C
Battery InterfaceNo
GPIOs (#)1
Integrated Battery ChargerNo
Switching Frequency (MHz)2.2 - 2.2

封装选项

Pkg. TypePkg. Dimensions (mm)Lead Count (#)Pitch (mm)
SCQFN4.0 x 4.0 x 0.90240.5

应用方框图

Humanoid battery management system block diagram features cell balancing and monitoring, charge and discharge protection, pack voltage and current sensing, battery pack control, communications, auxiliary power, and active cooling.
人形机器人电池管理系统
集成式人形机器人 BMS,可实现安全、实时的功率管理、保护及电池状态控制。
48V/3kW Motor Control for 2/3 Wheelers Block Diagram
用于二轮车和三轮车的 48V/3kW 电机控制装置
48V/3kW 电机控制系统具有可扩展的逆变器设计、相位过流故障检测和 ASIL-B 安全功能。
Advanced Automotive Domain Controller (AADC) Block Diagram
高级汽车域控制器(AADC)
高级汽车域控制器集成了关键系统,可实现更智能、更互联的汽车。
DC Fast Charging Station for Electric Vehicles Block Diagram
电动汽车直流快速充电站
直流快速充电站设计,采用高效 IGBT、栅极驱动器、MCU 和 PMIC。
Automotive Camera Solution with AHL Control Channel Block Diagram
带 AHL 控制通道的汽车摄像头系统
汽车 AHL 摄像头系统,具有单电缆视频传输和控制功能,以及 I2C 鼓风机控制。
Video Output Expansion for Surround View & AR-HUD Block Diagram
环视和 AR HUD 的视频输出扩展
集成视频输出和 AI 功能,用于环视系统和 AR HUD,有效降低成本和系统复杂度。
Full Digital Cluster Solution with AHL Block Diagram
高性价比数字集群,配备四通道 AHL 和环视功能
数字集群通过集中信息并通过 AHL 和高效的 PMIC 降低成本来提高安全性。

其他应用

  • 驾驶员监控摄像头
  • 后视及全景高清汽车摄像头
  • 用于电池管理系统的微控制器 PMIC
  • 用于区域和域控制器的微控制器 PMIC
  • 用于网关单元的微控制器 PMIC

当前筛选条件