特性
- 强大的菊花链通信系统
- 菊花链支持电容式和变压器连接通信
- 多达 14 节电池电压监控器,支持锂离子 CoO2、锂离子 Mn2O4 和锂离子 FePO4 化学材料
- 电池电压测量精度 ±10mV
- 14 位电压和温度测量
- 内部温度监控
- 多达 6 个外部温度输入
- 所有关键内部功能的集成系统诊断
- 基于硬连线和通信的故障通知
- 集成看门狗,可在通信丢失时关闭设备
- 10μA 关断电流:使能 = VSS
- 2.5Mbps SPI 接口
描述
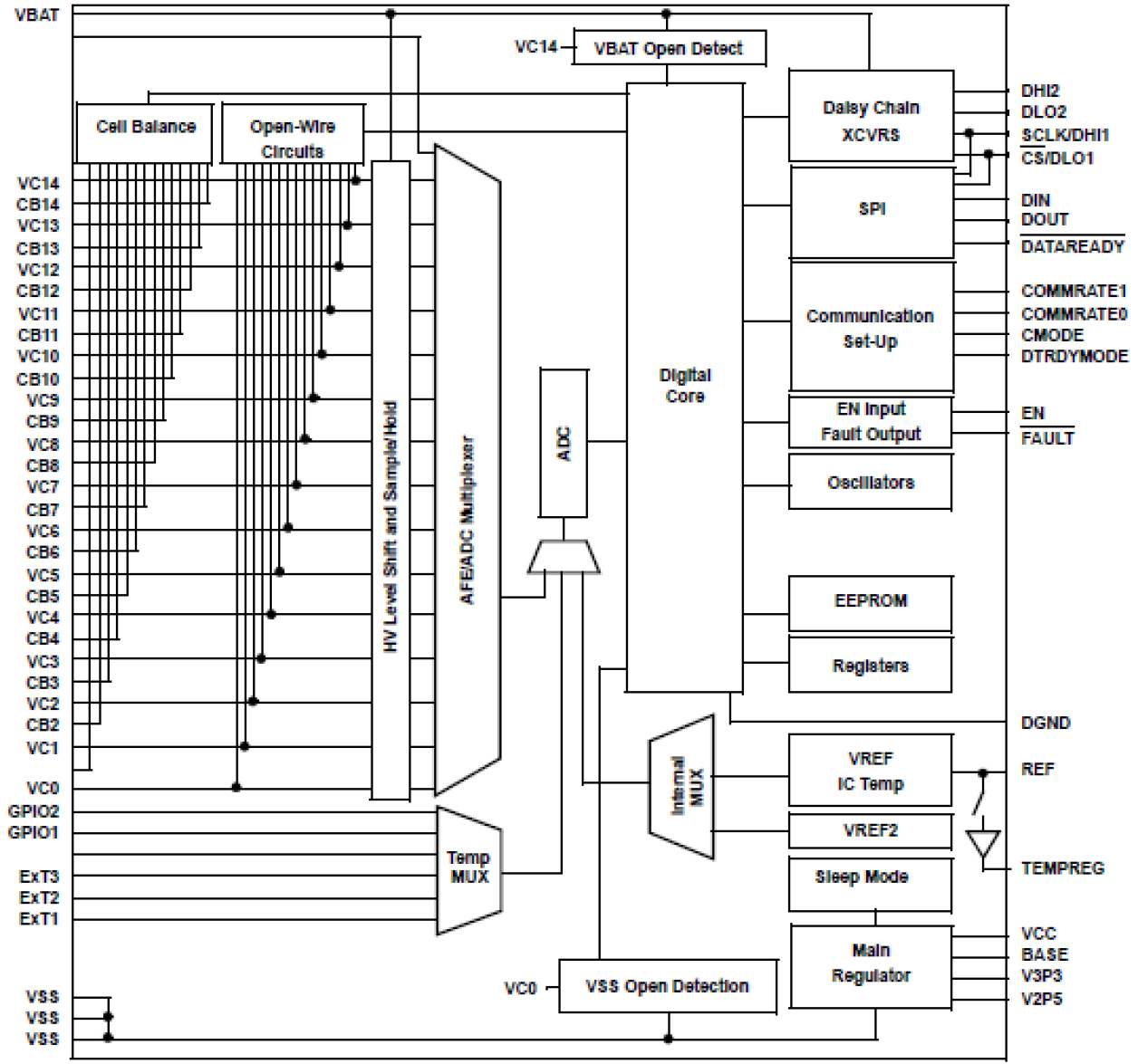
瑞萨电子的菊花链式 14 节电池前端是高压堆叠电池系统的理想选择。 RAA489204 是一个 14 节电池前端(BFE)集成电路,是电池管理系统(BMS)的重要组成部分,可定期扫描电池状态和操作环境,以优化电池寿命并防止灾难性故障。 该器件提供精确的监控、电池平衡和各种系统诊断功能。 电池平衡可以在内部进行或使用用于外部平衡的 10V 栅极引脚在外部进行。
RAA489204 锂离子电池管理器集成电路可监控多达 14 节串联电池。 该器件提供精确的监控、电池平衡和各种系统诊断功能。 提供三种电池平衡模式:手动平衡模式、定时平衡模式和自动平衡模式。 自动平衡模式会在达到电荷转移值时终止平衡功能。 RAA489204 通过 SPI 接口与主机微控制器通信,并使用强大的专有双线菊花链系统与其他 RAA489204 器件通信。 RAA489204 采用 64 Ld TQFP 封装,额定工作温度范围为 -40°C 至 +85°C。
产品参数
| 属性 | 值 |
|---|---|
| Cells Supported (#) | 6 - 14 |
| Pack Voltage (Op) | 10 - 65 |
| Cell Balancing FETs | Internal (Built-in Drivers), External (Built-in Drivers) |
| Integrated Current Sense/Detection | None |
| Charge/Discharge FET Control | No |
| Charge/Discharge FET Arrangement | N/A |
| Charge/Discharge FET Location | N/A |
| IS (mA) | 5.6 |
| Sleep Mode Current (µA) | 19 |
| Stand Alone Capable | No |
| Internal ADC (bits) | 14 |
| Daisy Chain | Yes |
| GPI+GPIOs (#) | 6 |
| Qualification Level | Standard |
| Temp. Range (°C) | -40 to +85°C |
封装选项
| Pkg. Type | Pkg. Dimensions (mm) | Lead Count (#) | Pitch (mm) |
|---|---|---|---|
| TQFP | 10.0 x 10.0 x 1.00 | 64 | 0.5 |
应用方框图
|
|
20 至 28 芯电池组(高达 118V)
可扩展的 20 至 28 芯电池组设计,可选蓝牙连接功能。
|
其他应用
- UPS
- 基于电池的发电机
- 储能系统
- 电动汽车和电动自行车
当前筛选条件
加载中
筛选
软件与工具
样例程序
模拟模型
An overview of how the Renesas multi-cell battery front devices streamline development for high-cell count, high-voltage systems with flexible cell balancing and lower system costs. Visit renesas.com/bfe for more details.
新闻和博客
博客
2021年11月11日
|
新闻
2021年11月11日
|