跳转到主要内容

特性

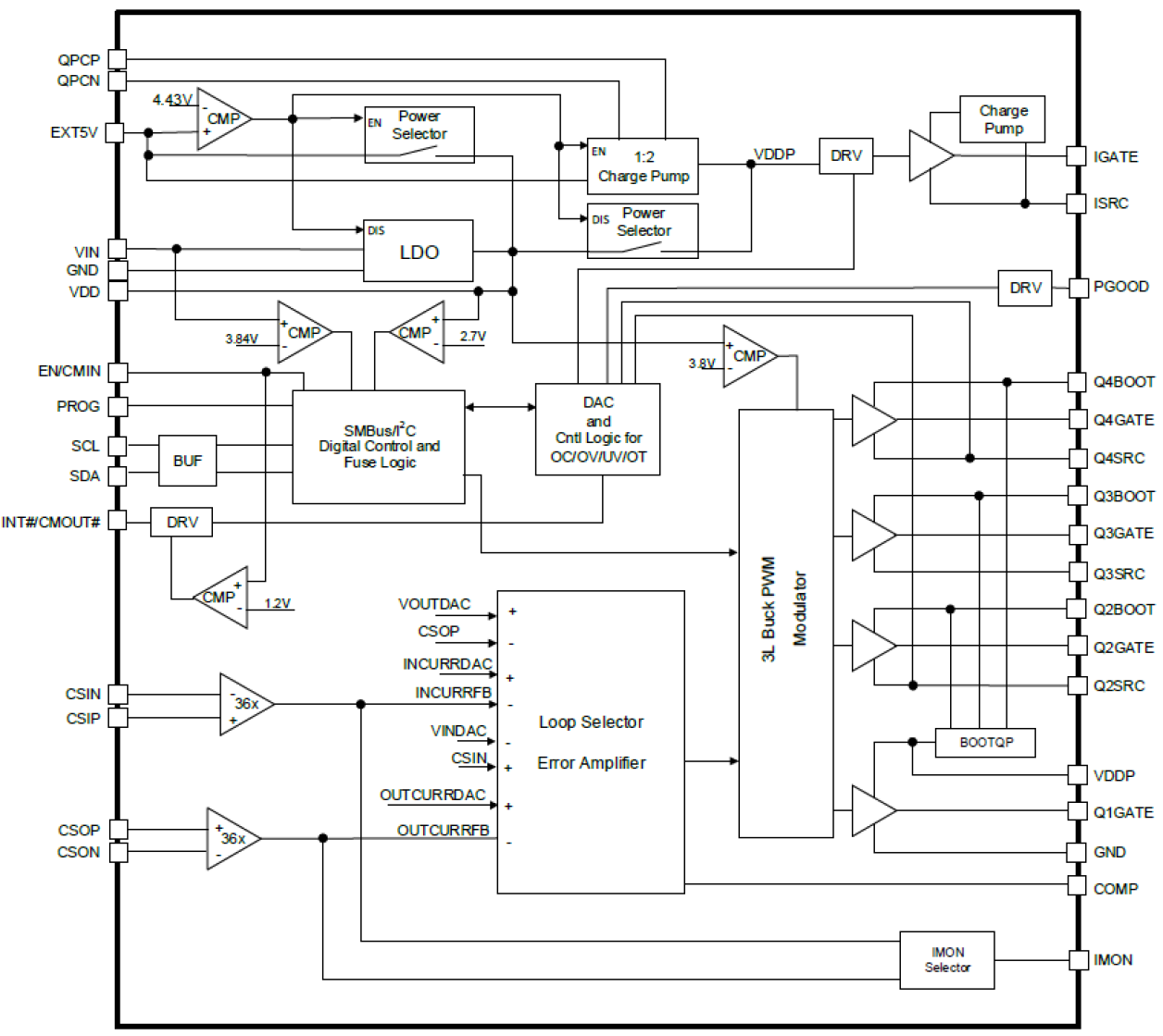
  • 单电感 3 电平降压控制器
  • 用于飞跨电容平衡和平顺模式转换的专利调制器
  • 宽输入电压范围:4.5V 至 57.6V
  • 宽输出电压范围:3V 至 54.912V
  • 可编程开关频率:高达 400kHz(开关节点有效频率为 800kHz)
  • EXT5V 引脚,通过内部电荷泵产生 5V 或 10V 栅极驱动电压
  • 低关断电流:25μA
  • 正向和反向直通模式 (PTM)
  • 支持带软启动功能的预偏置输出
  • 输入和输出电流监测
  • 保护功能:OCP、OVP、UVP 和 OTP
  • 兼容 SMBus 和 I2C
  • 4mm × 4mm 32 引脚 TQFN 封装

描述

RAA489300 是一款高性能降压控制器,专为 3 级电平降压拓扑结构而设计。 此款拓扑结构可提供卓越的效率,并大幅降低输出电压调节所需的电感大小。 其创新设计最大限度减少了功率损耗,缩小了系统尺寸,特别适合紧凑型與高性能应用场景。 此外,该控制器还能确保在整个输出电压范围内实现开关模式无缝转换。

其先进的瑞萨电子 R3™ 技术,可实现高效轻载运行、快速瞬态响应以及断续导电模式 (DCM) 和连续导电模式 (CCM) 之间的无缝转换,从而显著提升性能。

RAA489300 非常适合需要多功能输入源的应用场景,如大功率桶形适配器和 USB Power Delivery (USB PD) 适配器。 对于 USB PD 应用场景,该设备符合 PD 规范并支持可编程电源 (PPS) 和可调电压电源 (AVS) 工作模式。 输入和输出电压和电流的独立控制回路确保了系统的精确性、安全性和灵活性。

该设备支持正向和反向直通模式 (PTM),可在输入和输出电压相同时最大程度提高效率。 因此,该设备特别适合要求高效率和低功率损耗的应用场景。

除了核心功能外,RAA489300 还集成了隔离 MOSFET 控制和可调输出电压等系统级功能。 其强大的保护机制,包括过流保护 (OCP)、过压保护 (OVP)、欠压保护 (UVP) 和过温保护 (OTP),确保在任何条件下都能可靠、安全地运行。

该控制器还支持通过 SMBus/I2C 进行串行通信,可对关键参数进行编程,以实现量身定制的性能。 可定制参数包括最小输入电压、最大输出电压、输入电流限值和输出电流限值,其灵活性与适配性可满足多样化应用需求。

产品对比

RAA489300 RAA489301
VDD min. (V) -0.3 -0.3
VDD max. (V) 6.5 6.5
VIN min. (V) 4.5 4.5
VIN max. (V) 57.6 24
VOUT (min) (V) 3 3
VOUT (max) (V) 54.912 24
Switching Frequency Range (Typical) 250 - 400 92 - 367
Maximum Supply Current (Shutdown Mode) (µA) 25 25

产品参数

属性
Outputs (#) 1
Topology [Rail 1] Buck
Input Voltage (Min) [Rail 1] (V) 4.5
Input Voltage (Max) [Rail 1] (V) 57.6 - 57.6
Output Voltage (Min) [Rail 1] (V) 3
Output Voltage (Max) [Rail 1] (V) 54.912
Switching Frequency Range (Typical) (kHz) 250 - 400
Qualification Level Standard
Temp. Range (°C) -10 to +100°C, -40 to +105°C

封装选项

Pkg. Type Pkg. Dimensions (mm) Lead Count (#) Pitch (mm)
TQFN 4.0 x 4.0 x 0.70 32 0.4

应用方框图

Interactive block diagram of the flexible battery system supports 2-7 Li-ion cells and enables direct charging from USB-C ports and power bank functionality.
240W USB Type-C 电池系统
这款灵活电池系统支持 2-7 节锂离子电池,具有 USB-C 充电接口和移动电源功能。
Interactive block diagram of the USB charger system delivers up to 240W and features integrated USB-C port controllers.
140W-240W 双端口 USB Type-C 和 USB PD 充电器
这款 USB 充电器系统可提供高达 240W 的功率,实现快速灵活的双 USB-C 充电,并具有强大的安全防护机制。

其他应用

  • USB PD 3.x 系统
  • 扩展坞
  • 电池供电的移动设备
  • 可再生能源系统
  • 机器人与无人机
  • 安全监控
  • 医疗设备

当前筛选条件

RAA489300 is a high-performance buck controller designed for a 3-level buck topology delivering exceptional efficiency while significantly reducing the required inductance for regulating the output voltage in a compact size.

Related Resources