跳转到主要内容
瑞萨电子 (Renesas Electronics Corporation)

特性

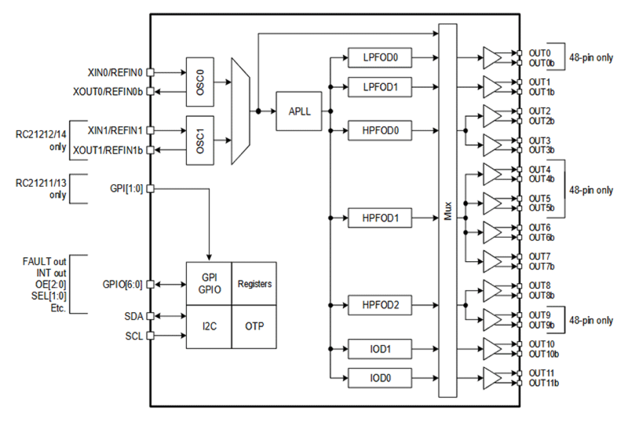
  • 169fs RMS 相位抖动 (12kHz 至 20MHz、156.25MHz)
  • PCIe® Gen6共模模式时钟 (CC) 27fs RMS
  • PCIe SRIS 和 SRNS时钟 模式支持
  • 1kHz 至 650MHz(差分输出)和 1kHz 至 200MHz(单端输出)
  • 支持LVCMOS、LVDS或低功耗HCSL(LP-HCSL)输出,通过简单交流耦合可支持LVPECL和CML制式。 LP-HCSL 内部集成端接
  • 7 个可编程通用输入/输出口 (GPIO)
  • 1MHz I2C 串口
  • 多个配置可以存储在内部一次性可编程 (OTP) 存储器中
  • 工作电压:1.8V和/或3.3V
  • IATF 16949 生产支持
  • 封装选项:
    • 12 个差分输出或 24 个单端输出
      • 6mm x 6mm x 0.75mm、48-QFN 封装
      • RC21211:单晶体输入
      • RC21212:双晶体输入
    • 8 个差分输出或 16 个单端输出
      • 5mm x 5mm x 0.75mm、40QFN 封装
      • RC21213:单晶体输入
      • RC21214:双晶体输入

描述

RC2121 系列器件是支持汽车应用的高性能可编程时钟发生器,具有针对于汽车应用高可靠性要求的额外诊断功能。 RC2121 系列时钟发生器符合 ISO 9001 和 AEC-Q100 标准,可在 -40 °C 至 105 °C(相当于 2 级)的温度范围内工作,并可提供生产零件批准流程 (PPAP) 支持。

此为出厂可配置设备。
试用自定义部件配置工具

产品参数

属性
FunctionGenerator
Outputs (#)40, 48
Output TypeLP-HCSL, LVDS, LVCMOS
Output Freq Range (MHz)0.001 - 650, 0.001 - 200

封装选项

Pkg. TypePkg. Dimensions (mm)Lead Count (#)Pitch (mm)
VFQFPN5.0 x 5.0 x 0.75400.4
VFQFPN6.0 x 6.0 x 0.75480.4

应用方框图

Automotive communication gateway platform features integrates MCU and SoC on one board and supports diverse networks and protocols.
汽车通信网关平台
集成汽车网关平台,采用 R-Car S4 SoC、多网络支持和优化的电源管理。

其他应用

  • 信息娱乐系统
  • 网关
  • 域控制器
  • 区域控制器
此为出厂可配置设备。
试用自定义部件配置工具

当前筛选条件