| CAD 模型: | View CAD Model |
| Pkg. Type: | LGA |
| Pkg. Code: | LTW32 |
| Lead Count (#): | 32 |
| Pkg. Dimensions (mm): | 4.0 x 4.0 x 1.0 |
| Pitch (mm): | 0.4 |
| Moisture Sensitivity Level (MSL) | 3 |
| Pb (Lead) Free | Yes |
| ECCN (US) | EAR99 |
| HTS (US) | 8542.39.0090 |
| Pkg. Type | LGA |
| Lead Count (#) | 32 |
| Carrier Type | Reel |
| Moisture Sensitivity Level (MSL) | 3 |
| Pkg. Dimensions (mm) | 4.0 x 4.0 x 1.0 |
| Qty. per Reel (#) | 4000 |
| Diff. Outputs | 5 |
| Input Type | LVDS, LP-HCSL, LVCMOS |
| Qty. per Carrier (#) | 0 |
| Pb (Lead) Free | Yes |
| Pb Free Category | e3 Sn |
| Temp. Range (°C) | -40 to 85°C |
| Advanced Features | JESD204B/C, Spread Spectrum, Hitless Switching |
| App Jitter Compliance | PCIe Gen1, PCIe Gen2, PCIe Gen3, PCIe Gen4, PCIe Gen5, PCIe Gen6, PCIe Gen7 |
| Application | Switches, Routers, Synchronous Ethernet, Telecom, Jitter Attenuator for PHY or Switches |
| Architecture | Common, SRIS, SRNS |
| C-C Jitter Max P-P (ps) | 50 |
| Clock Support | T-TSC, G.8262, G.8262.1 |
| Core Voltage (V) | 1.8V, 2.5V, 3.3V |
| Diff. Inputs | 2 |
| Diff. Output Signaling | LP-HCSL, LVDS, LVPECL, LVCMOS |
| Family Name | VersaClock® 7 |
| Fractional Output Dividers (#) | 3 |
| Function | Generator |
| Input Freq (MHz) | 1 - 650 |
| Inputs (#) | 2 |
| Length (mm) | 4 |
| Longevity | 2040 4月 |
| MOQ | 4000 |
| Output Freq Range (MHz) | 0.001 - 650 |
| Output Impedance | 85, 100 |
| Output Skew (ps) | 30 |
| Output Type | LVDS, LP-HCSL, LVCMOS |
| Output Voltage (V) | 1.8V, 2.5V, 3.3V |
| Period Jitter Max P-P (ps) | 50 |
| Phase Jitter Typ RMS (fs) | 150 |
| Phase Jitter Typ RMS (ps) | 0.15 |
| Pitch (mm) | 0.4 |
| Power Consumption Typ (mW) | 1000 |
| Product Category | VersaClock |
| Prog. Clock | Yes |
| Prog. Interface | OTP, I2C, SPI, SMBUS, EEPROM |
| Reel Size (in) | 13 |
| Reference Output | No |
| Requires Terms and Conditions | Does not require acceptance of Terms and Conditions |
| Spread Spectrum | Yes |
| Supply Voltage (V) | 1.8 - 1.8, 2.5 - 2.5, 3.3 - 3.3 |
| Tape & Reel | Yes |
| Thickness (mm) | 1 |
| Width (mm) | 4 |
| 已发布 | No |
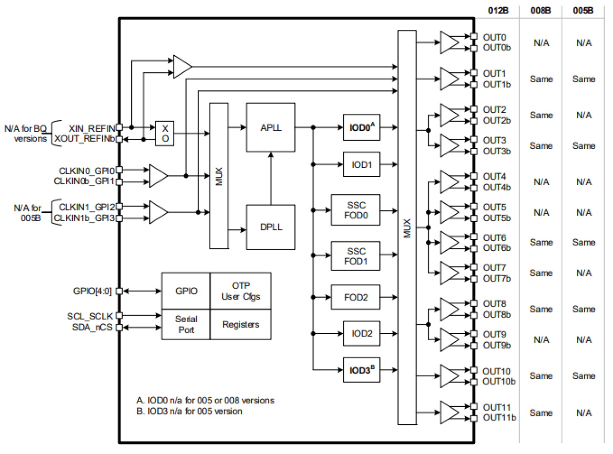
RC31xxxA(RC31008A 和 RC31012A)是具有网络同步功能的小型抖动衰减器,且具有完全集成、低功耗和高性能等特点。该系列支持用于转换器同步的JESD204B/C 以及用于网络同步的 和 SyncE。 RC31xxxA 是一款适合在无线和有线基础设施、数据中心设备和仪表装置应用中驱动转换器电路的理想时钟晶片选择。这是一款属于瑞萨电子的高性能 VersaClock® 7 系列的时钟晶片。
多达 27 种配置可在多种设计中重复使用,可储存在晶片上一次性可编程 (OTP) 储存器或外部 I2C EEPROM 中。也可以支持备用输入时,钟在需要时用作参考时钟。