特性
- 1.8V/2.5V/3.3V 灵活工作电压
- 标准的 150fs RMS 12kHz–20MHz 相位抖动
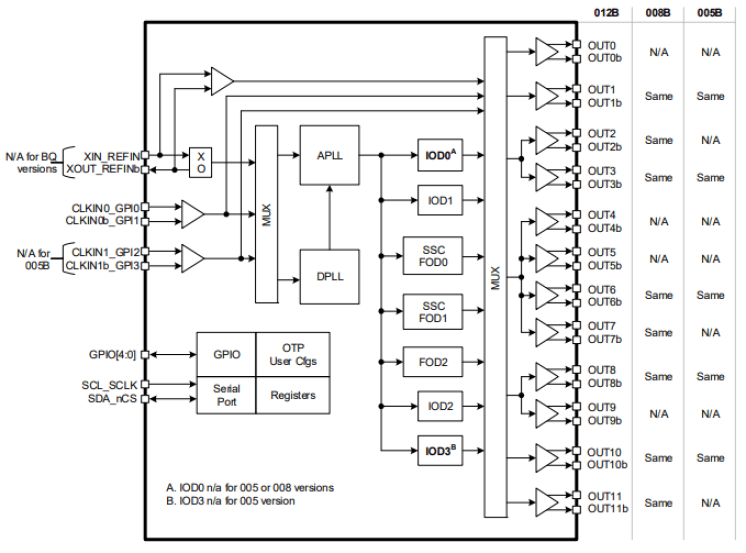
- 具有集成震荡晶体 5/8/12 路输出的选项
- 1kHz-650MHz LVDS/LP-HCSL 输出
- 1kHz-200MHz LVCMOS 输出
- 可编程硬件配置选择引脚
- 符合 PCIe Gen 5/6/7 标准
- 节省空间的封装 4mm × 4mm、5mm × 5mm、6mm × 6mm
- JESD204B/C 支持带 DC 耦合或 AC 耦合的差分或单端输出
- 时钟保持和不中断切换
- 集成震荡晶体进而节省空间并实现 BOM 优化
- 适合同步的乙太网应用符合 ITU-T G.8262 和 G.82621 标准
描述
RC31xxxA(RC31008A 和 RC31012A)是具有网络同步功能的小型抖动衰减器,且具有完全集成、低功耗和高性能等特点。该系列支持用于转换器同步的JESD204B/C 以及用于网络同步的 和 SyncE。 RC31xxxA 是一款适合在无线和有线基础设施、数据中心设备和仪表装置应用中驱动转换器电路的理想时钟晶片选择。这是一款属于瑞萨电子的高性能 VersaClock® 7 系列的时钟晶片。
多达 27 种配置可在多种设计中重复使用,可储存在晶片上一次性可编程 (OTP) 储存器或外部 I2C EEPROM 中。也可以支持备用输入时,钟在需要时用作参考时钟。
此为出厂可配置设备。
试用自定义部件配置工具。
试用自定义部件配置工具。
产品参数
| 属性 | 值 |
|---|---|
| Inputs (#) | 2 |
| Input Type | LVDS, LP-HCSL, LVCMOS |
| Product Category | VersaClock |
| Diff. Outputs | 5, 8, 12 |
| Output Type | LVDS, LP-HCSL, LVCMOS |
| Output Voltage (V) | 1.8V, 2.5V, 3.3V |
| Input Freq (MHz) | 1 - 650 |
| Phase Jitter Typ RMS (ps) | 0.15 |
| Output Freq Range (MHz) | 0.001 - 650 |
| Fractional Output Dividers (#) | 3 |
| Core Voltage (V) | 1.8V, 2.5V, 3.3V |
| Output Banks (#) | 6 |
| Advanced Features | JESD204B/C, Spread Spectrum, Hitless Switching |
应用
- 交换机/路由器
- 同步以太网 (SyncE) 设备
- 电信级从时钟 (T-TSC) 设备
- 10/25/40/100/200/400 Gbps 以太网 PHY 或交换机的抖动衰减
- 4.5G 和 5G 的小型蜂窝
加载中
筛选
软件与工具
样例程序
模拟模型
Learn more about how to configure the VersaClock®7 evaluation board using the supporting RICBox software. VersaClock®7 devices achieve any frequency-in, any frequency-out for high speed SerDes used in switches routers, accelerator cards, and server applications.
Learn more about Renesas’ VersaClock®7 programmable clock generator family. These devices simplify your design with unmatched flexibility, power to jitter performance ratio and compact size.
新闻和博客
博客
2025年7月17日
|
博客
2021年4月27日
|