特性
- Single 3V supply: 2.4V to 3.6V
- Access time: Power supply voltage from 2.7V to 3.6V: 45ns (max.) Power supply voltage from 2.4V to 2.7V: 55ns (max.)
- Current consumption: Standby: 0.45µA (typ.)
- Equal access and cycle times
- Common data input and output Three state output
- Directly TTL compatible All inputs and outputs
- Battery backup operation
描述
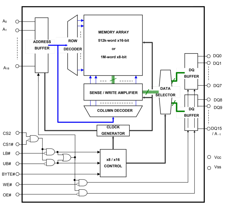
The RMLV0816BGSA is an 8-Mbit static RAM organized 524, 288-word × 16-bit, fabricated by Renesas' high-performance Advanced LPSRAM technologies. The RMLV0816BGSA realizes higher density, higher performance, and low-power consumption. The RMLV0816BGSA offers low power standby power dissipation. Therefore, it is suitable for battery backup systems. It is offered in a 48-pin TSOP (I) package.
产品参数
| 属性 | 值 |
|---|---|
| Memory Density | 8 |
| Organization | 512K x 16 |
| Access Time (ns) | 45 |
| Supply Voltage (V) | 2.4 - 3.6 |
| Temp. Range (°C) | -40 to +85 |
封装选项
| Pkg. Type | Pkg. Dimensions (mm) | Lead Count (#) | Pitch (mm) |
|---|---|---|---|
| TSOP(48) | 18 x 12 x 1.2 | 48 | 0.5 |
当前筛选条件