| CAD 模型: | View CAD Model |
| Pkg. Type: | PQFP |
| Pkg. Code: | QRS |
| Lead Count (#): | 128 |
| Pkg. Dimensions (mm): | 0.00 x 0.00 x 2.72 |
| Pitch (mm): | 0.5 |
| Pb (Lead) Free | No |
| ECCN (US) | EAR99 |
| HTS (US) | 8542.39.0090 |
| Moisture Sensitivity Level (MSL) |
| Lead Count (#) | 128 |
| Carrier Type | Tray |
| Pb (Lead) Free | No |
| Temp. Range (°C) | -40 to +85°C |
| ADC Input Frequency (MHz) | 27 |
| Analog RGB Input | Yes |
| CCFL/LED Controller | No |
| CVBS Input | Yes |
| Comb Filter | 2D |
| De-Interlacer | 2D |
| Dual View Output | No |
| External OSD | No |
| LVDS Input | No |
| LVDS Output | No |
| MCU/MPU | External |
| MIPI-CSI2 input | No |
| MOQ | 198 |
| Memory Support | No |
| OSD Colors | 8x2 Color/ 8-Bit Palette |
| OSD Font RAM | 75 |
| OSD Font ROM | 202 |
| OSD Type | Font |
| Output Resolution (Max) | WXGA |
| PIP | No |
| Pitch (mm) | 0.5 |
| Pkg. Dimensions (mm) | 0.0 x 0.0 x 2.72 |
| Pkg. Type | PQFP |
| Qualification Level | Automotive |
| S-Video Input | Yes |
| SCART Input | No |
| Secondary Output | No |
| TCON Output | Digital & Analog |
| TTL Output | Yes |
| Thickness (mm) | 2.72 |
| Touch-screen Controller | No |
| YPbPr Input | Yes |
Support is limited to customers who have already adopted these products.
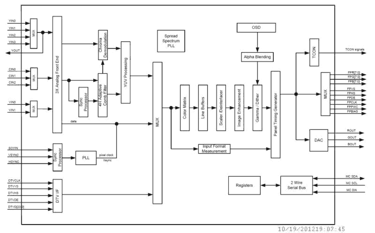
Techwells TW8806 LCD display processor is a low-cost high-quality TFT panel controller with an embedded NTSC/PAL/SECAM TV decoder. This unique level of mixed-signal integration enables the panel to be used as a stand-alone LCD display for in-car entertainment, portable DVD and portable LCD TV applications. An integrated triple analog-to-digital converter supports YPbPr/RGB component input and allows direct connection to DVD and Navigation sources. In addition, flexible digital inputs support 24-bit Digital RGB and 8/16/24-bit YCbCr inputs. The TW8806 contains all the logic required to convert standard TV, DTV, and PC monitor signals to the digital control and data signals required to drive various TFT panel types. It supports TFT panel resolutions up to 1280 by 768 with 1- pixel/clock formats. The chip has nine analog inputs. This enables a number of input combinations simultaneously. For example, the chip can accept up to 4 CVBS inputs simultaneously. The chip can also accept one CVBS, one S-Video, one component and one analog RGB simultaneously. The integrated analog front-end contains three ADCs with three clamping circuits and one Automatic Gain Control (AGC) circuit to minimize external component count. It employs a 4H, 5-line adaptive comb filter and proprietary Y/C processing technologies to produce exceptionally high-quality pictures. The chip's internal logic synchronizes the panel frame rate to the incoming input frame rate. A high-quality image-scaling engine is used to convert the lower resolution formats or high-resolution DTV formats to the output panel resolution. An internal de-interlacing engine also allows interlaced video to be supported. On-Screen Display is supported through an on-chip OSD RAM for maximum flexibility. A closed caption decoder is built in. The TW8806 also accepts a 24-bit digital RGB input from an external PanelLinkTM receiver or ADCs for use as a computer monitor. In addition, it accepts 8/16/24 bits digital YCbCr input for use with external ADCs for use as a DTV monitor. The TW8806 also supports TFT panel power sequencing, DPMS (VESATM Display Power Management Signaling) signaling and power management. The control interface is a 2-wire serial bus interface. The TW8806 core operates at 1.8V, the IO at 3.3V and packaged in a 128-pin PQFP package.