特性
- Quad Solid State Potentiometer
- 256 Wiper Tap Points-0.4% Resolution
- 2-Wire Serial Interface for Write, Read, and Transfer Operations of the Potentiometer
- Up/Down Interface for Individual Potentiometers
- Wiper Resistance: 40Ω Typical
- NonVolatile Storage of Wiper Positions
- Power On Recall. Loads Saved Wiper Position on Power-Up.
- Standby Current <100µA Max
- Maximum Wiper Current: 3mA
- VCC: 2.7V to 5.5V Operation
- 2.8kΩ and 10kΩ Version of Total Pot Resistance
- Endurance: 100,000 Data Changes per Bit per Register
- 100 yr. Data Retention
- 24 Ld TSSOP
- Pb-Free (RoHS Compliant)
描述
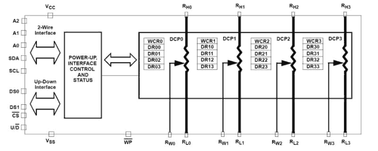
The X9252 integrates 4 digitally controlled potentiometers (XDCP) on a monolithic CMOS integrated circuit. The digitally controlled potentiometers are implemented using 255 resistive elements in a series array. Between each pair of elements are tap points connected to wiper terminals through switches. The position of each wiper on the array is controlled by the user through the Up/Down (U/D) or 2-wire bus interface. The wiper of each potentiometer has an associated volatile Wiper Counter Register (WCR) and four nonvolatile Data Registers (DRs) that can be directly written to and read by the user. The contents of the WCR controls the position of the wiper on the resistor array through the switches. At power-up, the device recalls the contents of the default data registers DR00, DR10, DR20, DR30, to the corresponding WCR. Each DCP can be used as a three-terminal potentiometer or as a two terminal variable resistor in a wide variety of applications including the programming of bias voltages, the implementation of ladder networks, and three resistor programmable networks.
产品参数
属性 | 值 |
---|---|
Resistance Taper | Linear |
Taps (#) | 256 |
Resistance Options (kΩ) | 2, 10 |
Channels (#) | 4 |
Interface | 2-Wire, 3-Wire (Up/Down) |
Memory Type | Nonvolatile |
Supply Voltage Vcc Range | 2.7 to 5.5 |
Supply Current Icc (µA) | 100 |
Single Supply Voltage Range (V) | 0 - 5.5 |
Wiper Current (mA) | 3 |
Wiper Resistance (ohms) | 50 |
VL Terminal Voltage (Min) (V) | 0 |
VL Terminal Voltage (Max) (V) | 5.5 |
End-to-End Temperature Coefficient (ppm/°C) | 300 |
Middlepoint Ratiometric Tempco | 20 |
Advanced Features | Interface configured to allow I2C to function like U/D |
Qualification Level | Standard |
封装选项
Pkg. Type | Pkg. Dimensions (mm) | Lead Count (#) | Pitch (mm) |
---|---|---|---|
TSSOP | 7.8 x 4.4 x 0.00 | 24 | 0.7 |
当前筛选条件