跳转到主要内容
瑞萨电子 (Renesas Electronics Corporation)

特性

  • Low quiescent current in low-current shutdown mode: 1μA typical, <2μA maximum
  • Integrated thermal shutdown protection prevents damage by shutting down the ZLED7022 if the die junction temperature exceeds 160°C (typical)
  • Fixed charge pump switching frequency: 1MHz (typ.)
  • Soft-start feature protects against excessive inrush current during power-on
  • Current matching accuracy: ±0.9% (typical)
  • One-pin on/off or brightness control for up to six LEDs via a simple PCC serial interface—no pulse-width modulation or additional control circuit needed
  • 14 programmable current levels for achieving real-time control of effects such as LED fade-out or sudden changes in brightness
  • Low EMI and back-injected noise because the charge pump is not inductor-based
  • Very few external components needed for operation
  • Flexible design enables diverse LED applications: up to 20mA per channel
  • LED driver family concept with low-voltage four-channel LED driver ZLED7012

描述

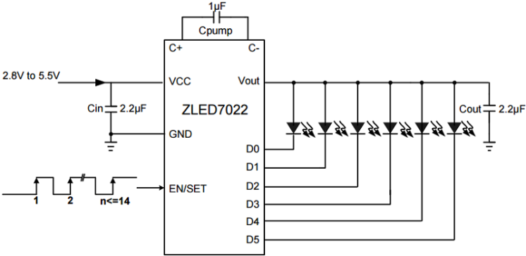
The ZLED7022, one of the ZLED family of LED control ICs, is a low-noise, constant-frequency charge pump DC/DC converter that can drive up to six LED channels, providing a programmable constant current level ranging from 1.8mA to 20mA per LED channel. It can also drive higher current LEDs because its current sinks can operate in parallel. It enables white or other color LED applications that require uniform intensity and/or linear progressions in brightness. Capable of operating efficiently with DC voltage supplies ranging from 2.8V to 5.5V, it is ideal for small, battery-powered applications because very few external components are needed: typically one small-dimension 1μF capacitor across the C+ and C- pins and two small-dimension 2.2μF capacitors to GND from the VCC and Vout pins. The ZLED7022's Pulse Count Control (PCC) serial digital input is used to enable/disable the LEDs and set the current level (14 settings using a nearly logarithmic scale to provide a linear brightness progression). This simple, high-speed interface allows efficient real-time management of LEDs via microcontrollers or control systems. The ZLED7022's features include integrated soft-start circuitry to protect against excessive in-rush current during power-on and a low-current shutdown mode that reduces quiescent current consumption to approximately 1μA (typical) by disconnecting the load from the input when the EN/SET pin is low for a specified time.

当前筛选条件