跳转到主要内容

5P49V60 Custom Part Configuration Utility

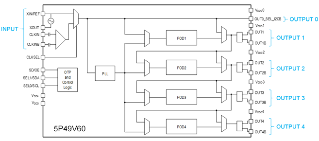
The 5P49V60 features a flexible input (crystal or clock-in) and four programmable outputs. The device can store up to four configurations selectable using the SEL pins. Use the form below to configure outputs for each configuration used.

IMPORTANT NOTE: In order to minimize sample delivery times, all outputs will be configured to provide RMS phase jitter performance of 1.5 ps or less (12 kHz to 20 MHz integration range). If lower phase jitter is required, please provide the requirements in the comment box located at the bottom of this form.

方框图

diagram

RICBox Configuration File Upload (optional)

Use this form to upload your RICBox configuration file for the 5P49V60 part. This will disable the configurator below. The datasheet addendum will be provided by Renesas after review.

Configuration File (.rbs) Uploader

Global Configuration

Choose the number of configurations to program into the part. It will support up to four different configurations selectable using the SEL pins. Configurations
Selects the I2C address of the device. Up to 2 addresses are supported, allowing use of more than one VersaClock 5 on the same I2C bus. I2C Address

Configuration 0

Input

Input frequency to the device, either crystal or input clock. Valid ranges are 8 MHz-to-40 MHz for crystal, 1 MHz-to-200 MHz for crystal input overdrive, and 1 MHz-to-350 MHz for differential clock input. Input Frequency CLK_IN / XIN / REF (MHz)
Selects the function of the SD/OE pin: either Shutdown or Output Enable. Selects the default status of the output (on or off) at startup. SD / OE Function
If SD/OE pin is set as Output Enable, this setting determines the polarity of the input pin (active High or active Low.) SD / OE Polarity
Input when CLKSEL = LOW or OPEN Input when CLKSEL = HIGH CLKSEL Pin Defines the behavior of the CLKSEL pin when Low, Open, and High. The CLKSEL input pin selects either the crystal input or the differential clock input. Note that the differential clock input can be wired to accept single-ended signals.
Crystal input None (differential clock input disabled)
Crystal input Differential clock input
Differential clock input None (crystal input disabled)
Differential clock input Crystal input
Single-ended clock on crystal input
(crystal overdrive)
None (differential clock input disabled)
Single-ended clock on crystal input
(crystal overdrive)
Differential clock input
Sets the total equivalent internal load capacitance as seen by the crystal in series. For load requirements >12 pF, the total internal capacitance should be set to 12 pF and external capacitors should be added to make up the difference. Crystal Load Capacitance (pF)
Note: for load requirements >12 pF, external capacitors should be added.

Output

参数 Output 0 (Buffer) Output 1 Output 2 Output 3 Output 4
Selects the default status of the output (on or off) at startup. This status can be modified in operation by I²C or OE/SD (depending on configuration). Selecting 'Unused Output\' completely disables the output and associated circuitry. When OE is OFF, the outputs are OFF. Enable / Disable
Output frequency. Valid range is 1 kHz-to-200 MHz for single-ended signaling and 1 kHz-to-350 MHz for differential signaling. Frequency (MHz)

Selects output type of Output x. Available options are differential signalling (LVDS, LVPECL, HCSL) or single-ended (LVCMOS: first output of bank active, second output of bank active, or both outputs active either in phase or 180 degrees out of phase).

Note: HCSL and LVPECL outputs support a VDDO Voltage of 2.5 V or 3.3 V only. Selects output type of Output x. Available options are differential signalling (LVDS, LVPECL, HCSL) or single-ended (LVCMOS: first output of bank active, second output of bank active, or both outputs active either in phase or 180 degrees out of phase).

Output Type

Power supply voltage (VDDO) of output. Determines the output signal's high and low voltages.

Note: 1.8 V is not compatible with HCSL or LVPECL Output Type. Power supply voltage (VDDO) of output x. Determines the output signal's high and low voltages.

Voltage (V)
Enables spread spectrum on output, either as down spread (frequency modulation is below output nominal frequency), or as center spread (frequency modulation is below and above output nominal frequency). Spread Spectrum
The rate at which the output frequency is modulated over the selected spread percentage. Spread Modulation Freq (kHz)
Selects the amount of spread spectrum modulation on output. Valid ranges are -0.5% to -5% for down spread, and ±0.25% to ±2.5% for center spread. Spread (%)
Enables a reduced slew rate on output down to 0.8x the nominal rate. Slew Rate
Selects phase shift of output in relation to other outputs. Enter the number of degrees from 0 to 360. Phase shift (Degrees)

Configuration 1

Copy from Configuration 0

Input

Input frequency to the device, either crystal or input clock. Valid ranges are 8 MHz-to-40 MHz for crystal, 1 MHz-to-200 MHz for crystal input overdrive, and 1 MHz-to-350 MHz for differential clock input. Input Frequency CLK_IN / XIN / REF (MHz)
Selects the function of the SD/OE pin: either Shutdown or Output Enable. Selects the default status of the output (on or off) at startup. SD / OE Function
If SD/OE pin is set as Output Enable, this setting determines the polarity of the input pin (active High or active Low.) SD / OE Polarity
Input when CLKSEL = LOW or OPEN Input when CLKSEL = HIGH CLKSEL Pin Defines the behavior of the CLKSEL pin when Low, Open, and High. The CLKSEL input pin selects either the crystal input or the differential clock input. Note that the differential clock input can be wired to accept single-ended signals.
Crystal input None (differential clock input disabled)
Crystal input Differential clock input
Differential clock input None (crystal input disabled)
Differential clock input Crystal input
Single-ended clock on crystal input
(crystal overdrive)
None (differential clock input disabled)
Single-ended clock on crystal input
(crystal overdrive)
Differential clock input
Sets the total equivalent internal load capacitance as seen by the crystal in series. For load requirements >12 pF, the total internal capacitance should be set to 12 pF and external capacitors should be added to make up the difference. Crystal Load Capacitance (pF)
Note: for load requirements >12 pF, external capacitors should be added.

Output

参数 Output 0 (Buffer) Output 1 Output 2 Output 3 Output 4
Selects the default status of the output (on or off) at startup. This status can be modified in operation by I²C or OE/SD (depending on configuration). Selecting 'Unused Output\' completely disables the output and associated circuitry. When OE is OFF, the outputs are OFF. Enable / Disable
Output frequency. Valid range is 1 kHz-to-200 MHz for single-ended signaling and 1 kHz-to-350 MHz for differential signaling. Frequency (MHz)

Selects output type of Output x. Available options are differential signalling (LVDS, LVPECL, HCSL) or single-ended (LVCMOS: first output of bank active, second output of bank active, or both outputs active either in phase or 180 degrees out of phase).

Note: HCSL and LVPECL outputs support a VDDO Voltage of 2.5 V or 3.3 V only. Selects output type of Output x. Available options are differential signalling (LVDS, LVPECL, HCSL) or single-ended (LVCMOS: first output of bank active, second output of bank active, or both outputs active either in phase or 180 degrees out of phase).

Output Type

Power supply voltage (VDDO) of output. Determines the output signal's high and low voltages.

Note: 1.8 V is not compatible with HCSL or LVPECL Output Type. Power supply voltage (VDDO) of output x. Determines the output signal's high and low voltages.

Voltage (V)
Enables spread spectrum on output, either as down spread (frequency modulation is below output nominal frequency), or as center spread (frequency modulation is below and above output nominal frequency). Spread Spectrum
The rate at which the output frequency is modulated over the selected spread percentage. Spread Modulation Freq (kHz)
Selects the amount of spread spectrum modulation on output. Valid ranges are -0.5% to -5% for down spread, and ±0.25% to ±2.5% for center spread. Spread (%)
Enables a reduced slew rate on output down to 0.8x the nominal rate. Slew Rate
Selects phase shift of output in relation to other outputs. Enter the number of degrees from 0 to 360. Phase shift (Degrees)

Configuration 2

Copy from Configuration 0

Input

Input frequency to the device, either crystal or input clock. Valid ranges are 8 MHz-to-40 MHz for crystal, 1 MHz-to-200 MHz for crystal input overdrive, and 1 MHz-to-350 MHz for differential clock input. Input Frequency CLK_IN / XIN / REF (MHz)
Selects the function of the SD/OE pin: either Shutdown or Output Enable. Selects the default status of the output (on or off) at startup. SD / OE Function
If SD/OE pin is set as Output Enable, this setting determines the polarity of the input pin (active High or active Low.) SD / OE Polarity
Input when CLKSEL = LOW or OPEN Input when CLKSEL = HIGH CLKSEL Pin Defines the behavior of the CLKSEL pin when Low, Open, and High. The CLKSEL input pin selects either the crystal input or the differential clock input. Note that the differential clock input can be wired to accept single-ended signals.
Crystal input None (differential clock input disabled)
Crystal input Differential clock input
Differential clock input None (crystal input disabled)
Differential clock input Crystal input
Single-ended clock on crystal input
(crystal overdrive)
None (differential clock input disabled)
Single-ended clock on crystal input
(crystal overdrive)
Differential clock input
Sets the total equivalent internal load capacitance as seen by the crystal in series. For load requirements >12 pF, the total internal capacitance should be set to 12 pF and external capacitors should be added to make up the difference. Crystal Load Capacitance (pF)
Note: for load requirements >12 pF, external capacitors should be added.

Output

参数 Output 0 (Buffer) Output 1 Output 2 Output 3 Output 4
Selects the default status of the output (on or off) at startup. This status can be modified in operation by I²C or OE/SD (depending on configuration). Selecting 'Unused Output\' completely disables the output and associated circuitry. When OE is OFF, the outputs are OFF. Enable / Disable
Output frequency. Valid range is 1 kHz-to-200 MHz for single-ended signaling and 1 kHz-to-350 MHz for differential signaling. Frequency (MHz)

Selects output type of Output x. Available options are differential signalling (LVDS, LVPECL, HCSL) or single-ended (LVCMOS: first output of bank active, second output of bank active, or both outputs active either in phase or 180 degrees out of phase).

Note: HCSL and LVPECL outputs support a VDDO Voltage of 2.5 V or 3.3 V only. Selects output type of Output x. Available options are differential signalling (LVDS, LVPECL, HCSL) or single-ended (LVCMOS: first output of bank active, second output of bank active, or both outputs active either in phase or 180 degrees out of phase).

Output Type

Power supply voltage (VDDO) of output. Determines the output signal's high and low voltages.

Note: 1.8 V is not compatible with HCSL or LVPECL Output Type. Power supply voltage (VDDO) of output x. Determines the output signal's high and low voltages.

Voltage (V)
Enables spread spectrum on output, either as down spread (frequency modulation is below output nominal frequency), or as center spread (frequency modulation is below and above output nominal frequency). Spread Spectrum
The rate at which the output frequency is modulated over the selected spread percentage. Spread Modulation Freq (kHz)
Selects the amount of spread spectrum modulation on output. Valid ranges are -0.5% to -5% for down spread, and ±0.25% to ±2.5% for center spread. Spread (%)
Enables a reduced slew rate on output down to 0.8x the nominal rate. Slew Rate
Selects phase shift of output in relation to other outputs. Enter the number of degrees from 0 to 360. Phase shift (Degrees)

Configuration 3

Copy from Configuration 0

Input

Input frequency to the device, either crystal or input clock. Valid ranges are 8 MHz-to-40 MHz for crystal, 1 MHz-to-200 MHz for crystal input overdrive, and 1 MHz-to-350 MHz for differential clock input. Input Frequency CLK_IN / XIN / REF (MHz)
Selects the function of the SD/OE pin: either Shutdown or Output Enable. Selects the default status of the output (on or off) at startup. SD / OE Function
If SD/OE pin is set as Output Enable, this setting determines the polarity of the input pin (active High or active Low.) SD / OE Polarity
Input when CLKSEL = LOW or OPEN Input when CLKSEL = HIGH CLKSEL Pin Defines the behavior of the CLKSEL pin when Low, Open, and High. The CLKSEL input pin selects either the crystal input or the differential clock input. Note that the differential clock input can be wired to accept single-ended signals.
Crystal input None (differential clock input disabled)
Crystal input Differential clock input
Differential clock input None (crystal input disabled)
Differential clock input Crystal input
Single-ended clock on crystal input
(crystal overdrive)
None (differential clock input disabled)
Single-ended clock on crystal input
(crystal overdrive)
Differential clock input
Sets the total equivalent internal load capacitance as seen by the crystal in series. For load requirements >12 pF, the total internal capacitance should be set to 12 pF and external capacitors should be added to make up the difference. Crystal Load Capacitance (pF)
Note: for load requirements >12 pF, external capacitors should be added.

Output

参数 Output 0 (Buffer) Output 1 Output 2 Output 3 Output 4
Selects the default status of the output (on or off) at startup. This status can be modified in operation by I²C or OE/SD (depending on configuration). Selecting 'Unused Output\' completely disables the output and associated circuitry. When OE is OFF, the outputs are OFF. Enable / Disable
Output frequency. Valid range is 1 kHz-to-200 MHz for single-ended signaling and 1 kHz-to-350 MHz for differential signaling. Frequency (MHz)

Selects output type of Output x. Available options are differential signalling (LVDS, LVPECL, HCSL) or single-ended (LVCMOS: first output of bank active, second output of bank active, or both outputs active either in phase or 180 degrees out of phase).

Note: HCSL and LVPECL outputs support a VDDO Voltage of 2.5 V or 3.3 V only. Selects output type of Output x. Available options are differential signalling (LVDS, LVPECL, HCSL) or single-ended (LVCMOS: first output of bank active, second output of bank active, or both outputs active either in phase or 180 degrees out of phase).

Output Type

Power supply voltage (VDDO) of output. Determines the output signal's high and low voltages.

Note: 1.8 V is not compatible with HCSL or LVPECL Output Type. Power supply voltage (VDDO) of output x. Determines the output signal's high and low voltages.

Voltage (V)
Enables spread spectrum on output, either as down spread (frequency modulation is below output nominal frequency), or as center spread (frequency modulation is below and above output nominal frequency). Spread Spectrum
The rate at which the output frequency is modulated over the selected spread percentage. Spread Modulation Freq (kHz)
Selects the amount of spread spectrum modulation on output. Valid ranges are -0.5% to -5% for down spread, and ±0.25% to ±2.5% for center spread. Spread (%)
Enables a reduced slew rate on output down to 0.8x the nominal rate. Slew Rate
Selects phase shift of output in relation to other outputs. Enter the number of degrees from 0 to 360. Phase shift (Degrees)

项目信息

Comments / Special Requests

提交此表格即表示您同意瑞萨电子将您提交的上述信息、数据和/或文档的全部或一部分在瑞萨电子集团内部分享以及与第三方(如分销商)分享,以便为您提供与我们的产品相关的更多信息和服务。 如果您不希望瑞萨电子共享您的信息,请勿单击提交按钮。 请参阅隐私政策以了解更多详情。