AC/DC switch-mode power supplies have been used to power white goods and other plug-in systems since the 1990s. Many power management ICs have been introduced over the years to build those power supplies and Renesas just released the new high-performance 700V RAA2230xx regulator family.
For anyone wondering why our team would enter an established market now, the answer is pretty simple. It makes sense for us to invest in innovation even in a legacy market because our close customer engagements have allowed us to understand the challenges faced with current designs and our power team has the technological know-how and ability to help solve them. We have strong MCU leadership in many of these key application areas and are focused on working with our customers to optimize power solutions to help them improve their systems.

Because of these close relationships, we’ve been able to address customer requirements from the outset in the product definition process and create great products that are innovative, easy to use, free of legacy design issues, as well as lower cost. Now all customers with systems across many application areas can benefit from this investment with market-proven products.
AC/DC Conversion
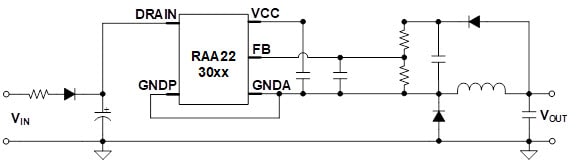
Most home appliances, power adapters, and sensor devices like smoke alarms are powered by AC wall sockets. As most loads require a constant DC voltage to function, we need AC/DC conversion between the AC source and the loads. This conversion can be accomplished with a non-isolated buck converter, as shown in Figure 1, or through isolated topologies like flyback converters.

Key Challenges Resolved
Some critical common challenges emerged as we talked with customers about their requirements:
- During the design phase, sometimes audible noise issues are found and often result in hours of extended troubleshooting and extra cost to fix them
- Standby power consumption has become increasingly important to meet regional regulatory requirements including the European Commission Code of Conduct (COC) and US Department of Energy (DOE) Energy Star
- Implementing new ICs typically require re-qualifying for safety compliance if PCB changes are made but that process is simplified with pin-to-pin or BOM-to-BOM replacements
Addressing these challenges became requirements for our product definition and are key features of the new RAA223011, RAA223012 and RAA223021 700V buck regulators. The schematic for the non-isolated buck configuration is shown in Figure 3. The devices also support isolated flyback topologies.

Our new and growing portfolio of low-power AC/DC solutions is certainly optimized for IoT and sensor applications, home appliances, water pumps, and any MCU system that plugs into the wall for power. Clearly, these new R&D investments aren’t late to the market at all. In fact, they are perfectly aligned with the growing demand for IoT devices and sensing systems, as well as requirements for more power-efficient systems all of kinds.
Visit the non-isolated AC/DC buck converters page to learn more about the portfolio and get samples, evaluation boards and other development tools.
