| CAD 模型: | View CAD Model |
| Pkg. Type: | PLCC |
| Pkg. Code: | PL52 |
| Lead Count (#): | 52 |
| Pkg. Dimensions (mm): | 19.0 x 19.0 x 3.63 |
| Pitch (mm): | 1.27 |
| Pb (Lead) Free | No |
| Moisture Sensitivity Level (MSL) | 3 |
| ECCN (US) | |
| HTS (US) |
| Lead Count (#) | 52 |
| Pb (Lead) Free | No |
| Carrier Type | Tube |
| Access Time (ns) | 25 |
| Architecture | Dual-Port |
| Bus Width (bits) | 9 |
| Core Voltage (V) | 5 |
| Density (Kb) | 18 |
| Function | Busy, Interrupt, Master |
| I/O Type | 5.0 V TTL |
| Interface | Async |
| Length (mm) | 19 |
| MOQ | 240 |
| Moisture Sensitivity Level (MSL) | 3 |
| Organization | 2K x 9 |
| Package Area (mm²) | 361 |
| Pb Free Category | e0 |
| Pitch (mm) | 1.27 |
| Pkg. Dimensions (mm) | 19.0 x 19.0 x 3.63 |
| Pkg. Type | PLCC |
| Qty. per Carrier (#) | 24 |
| Qty. per Reel (#) | 0 |
| Requires Terms and Conditions | Does not require acceptance of Terms and Conditions |
| Tape & Reel | No |
| Temp. Range (°C) | 0 to 70°C |
| Thickness (mm) | 3.63 |
| Width (mm) | 19 |
| 已发布 | No |
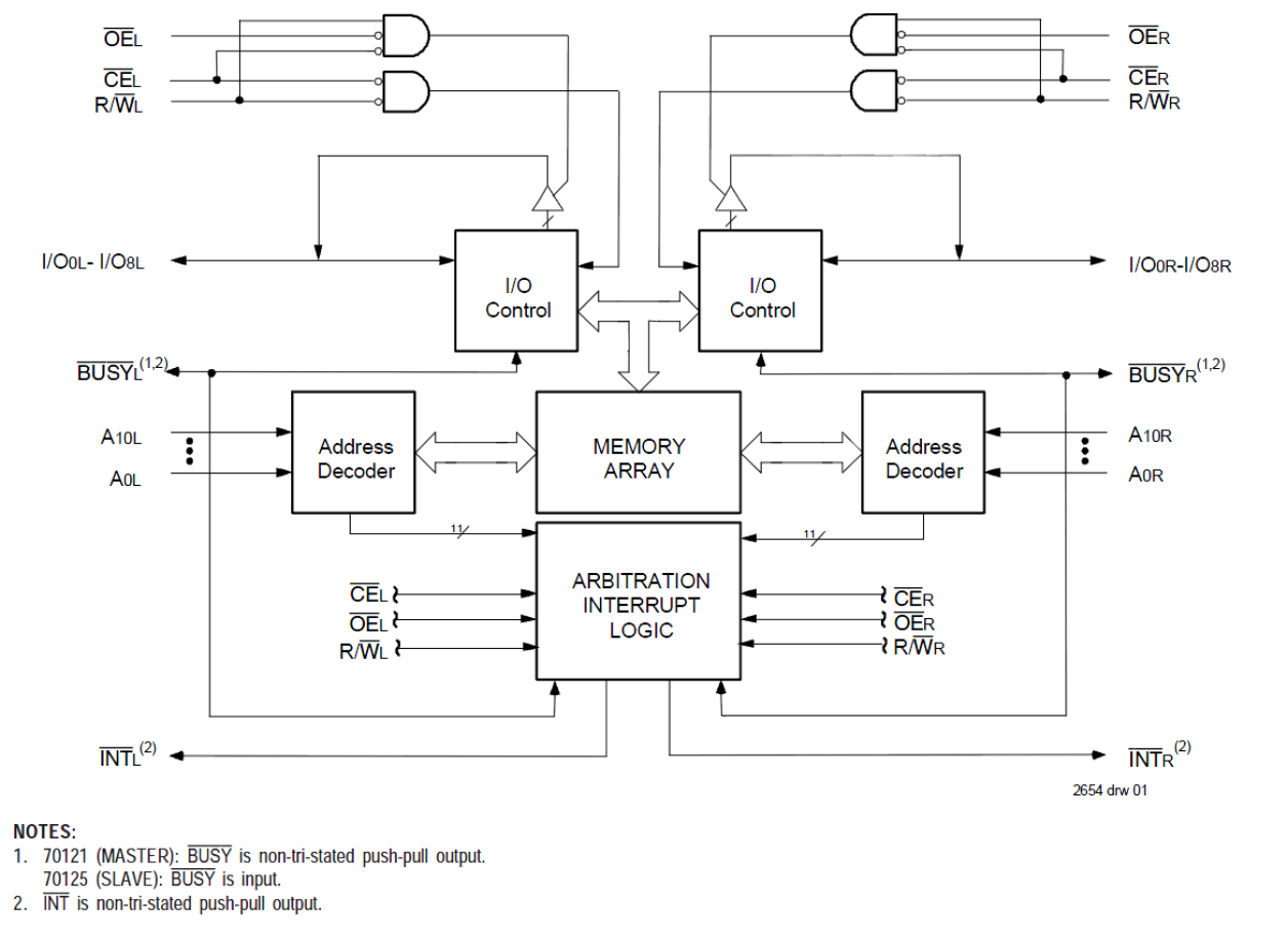
The 70121 is a high-speed 2K x 9 Dual-Port Static RAM designed to be used as a stand-alone 9-bit Dual- Port RAM or as a "MASTER" Dual-Port RAM together with the 70125 "SLAVE" Dual-Port in 18-bit-or-more word width systems. Using the IDT MASTER/SLAVE Dual-Port RAM approach in 18-bit-or-wider memory system applications results in full-speed, error-free operation without the need for additional discrete logic. An automatic power-down feature, controlled by CE, permits the on-chip circuitry of each port to enter a very low standby power mode.