跳转到主要内容
4K x 9 Sync, Dual-Port RAM, Pipelined

封装信息

CAD 模型:View CAD Model
Pkg. Type:TQFP
Pkg. Code:PN80
Lead Count (#):80
Pkg. Dimensions (mm):14.0 x 14.0 x 1.4
Pitch (mm):0.65

环境和出口类别

Pb (Lead) FreeNo
Moisture Sensitivity Level (MSL)3
ECCN (US)
HTS (US)

产品属性

Lead Count (#)80
Pb (Lead) FreeNo
Carrier TypeReel
ArchitectureDual-Port
Bus Width (bits)9
Core Voltage (V)5
Density (Kb)36
FunctionDual Clocks
I/O Frequency (MHz)50 - 50
I/O Type5.0 V TTL
InterfaceSync
Length (mm)14
MOQ750
Moisture Sensitivity Level (MSL)3
Organization4K x 9
Output TypePipelined
Package Area (mm²)196
Pb Free Categorye0
Pitch (mm)0.65
Pkg. Dimensions (mm)14.0 x 14.0 x 1.4
Pkg. TypeTQFP
Qty. per Carrier (#)0
Qty. per Reel (#)750
Reel Size (in)13
Requires Terms and ConditionsDoes not require acceptance of Terms and Conditions
Tape & ReelYes
Temp. Range (°C)0 to 70°C
Thickness (mm)1.4
Width (mm)14
已发布No

描述

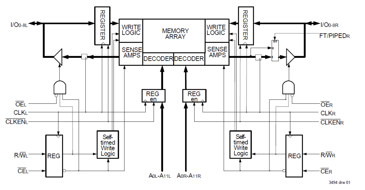
The 709149 is a high-speed 4K x 9 bit synchronous Dual-Port SRAM that has been optimized for applications having unidirectional data flow or bi-directional data flow in bursts, by utilizing input data registers. The 709149 utilizes a 9-bit wide data path to allow for parity which is useful in data communication applications where it is necessary to use a parity bit for transmission/ reception error checking. An automatic power down feature, controlled by CE, permits the on-chip circuitry of each port to enter a very low standby power mode.